Kriakoziabr
Кондиционер Mitsubishi Heavy серии KX6 ошибка E32
Здравствуй Пикабу.
Случилось мне поучаствовать в ремонте кондиционера FDC680KXE6 с ошибкой E32
Звучит она следующим образом
E32 Open L3 Phase on power supply at primary side.
(When the power supply voltage between L1-L3 or L2-L3 becomes 0V and/or the current of L3 decrease to 0A)
Обрыв фазы L3 источника питания на входе первичной стороны.
(Когда напряжение между фазами L1-L3 или L2-L3 достигает нуля и/или ток через L3 уменьшается до 0А)
Собственно по последнему пункту он и останавливается. Ток перед выпрямителем на фазе L3 практически нулевой. Небольшой всплеск на старте, потом тишина. При этом напряжение на этой фазе присутствует без просадок. По остальным фазам ток есть. Первый компрессор запускается, начинает раскручиваться и секунды через 3-4 выключается с ошибкой. Если физически отключить первый компрессор, второй работает штатно.
Выпрямитель перед IGBT сборкой стоит вот такой вот.
Тестером диоды прозваниваются без перекосов.
Собственно причин, по которым может отсутствовать ток на одной из фаз при наличии напряжения, я не вижу, разве что тиристор закрывается при переходе через ноль. Либо диодный мост неисправен.
В связи с чем вопрос, по какому алгоритму работает этот тиристор?
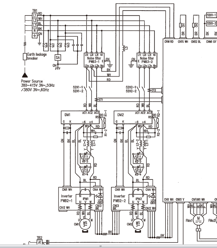
Схема силовой части, для общего понимания конструкции.
PWB-1 (Входной фильтр)
CT1 (Трансформатор тока)
DM1 (Выпрямитель)
PWB2-1 (Плата управления IGBT сборкой)
IPM1 (IGBT сборка)
Как видно из схемы, фаза L3 идёт прямиком в выпрямитель, особо никуда не сворачивая.
На ней есть напряжение, но отсутствует ток.
Я в замешательстве, не пойму как это работает, и почему не работает как надо.
Пикабу, помоги.
Помогите опознать деталь
Здравствуйте, имеется двигатель вентилятора.
Управление у двигателя электронное.
После разборки-сборки и замены подшипников, остались лишние детали (ремонтник при сборке оторвал)
Плата управления установлена под крышкой двигателя. От датчиков Н2 и Н3 остался один клей. Предположительно Н1 Н2 Н3 это три датчика Холла.
Один позже был найден.
Маркировка
W32
63A1
Корпус мне не известен (примерные размеры 3х3,5мм), маркировка не ищется.
Помоги мне пожалуйста Пикабу, найти что это за датчик.
Шкаф управления насосной станцией. Прошу объяснить схемотехническое решение.
Собственно имеется шкаф управления (АШУ40-025-54К-21П1С) пожарной насосной станцией.
3 Насоса , основной, резервный, и подпитки (жокей).
Обратил внимание на схемотехническое решение, которое не попадалось ранее и смысл которого пока мне не понятен.
Суть: Насосы управляются магнитными пускателями, но на эти магнитные пускатели заведено по 2 фазы из трёх. Исполнение этого участка схемы полностью соответствует документации на шкаф, не ошибка монтажа. Получается даже на остановленном насосе, постоянно присутствует напряжение в виде одной фазы.
1К01 1К02 контактами воткнуты в контроллер на DI.
Кто знаком со спецификой подобных щитов управления? Объясните почему так, а то смысл такого решения ускользает от моего понимания.
Есть некоторое подозрение, что так осуществляется контроль целостности питающих линий и обмоток насоса, но хотелось бы знать точно.






