Отдам на запчасти
Всем добрый день! У меня есть смарт тв самсунг с разбитой матрицей. Всё остальное работало исправно. Отдам даром. МСК, ВАО
Всем добрый день! У меня есть смарт тв самсунг с разбитой матрицей. Всё остальное работало исправно. Отдам даром. МСК, ВАО
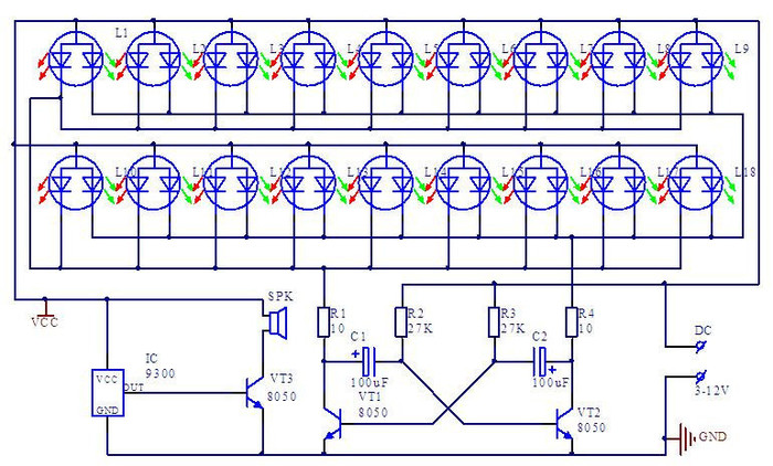
Приветсвую всех. Просматривая страницы Алиекспресс решил сплагиатить у них какой нибудь конструктор. Выпал пал на этот.
Знаю что сейчас не февраль но исходил из радиодеталей которые были в наличии. Схема была у продавца на странице.
Схема простая. Основная ее часть это обычный мультивибратор который переключает параллельно подключенные светодиоды. Вторая часть состоит из музыкальной микросхемы, усилителя в виде транзистора и динамика в виде пьезовой пищалки.
Такой микросхемы у меня не было решил заменить на модуль H-83a. Модуль не нуждается в усилителе и я припаял на него сразу SMD резистор и кнопку для переключения мелодий согласно схемы.
У китайцев используются двухцветные светодиоды. У меня таких нет использовал 3мм двух цветов.
Пищалку тоже не нашел заменил динамиком от телефона.
Открыл EASYSEDA перечертил схему.
Спроектировал печатную плату.
Изготовил плату по технологии ЛУТ. Использовал обычную бумагу.
Припаял все радиоэлементы. Отсек для батарейки и чип посадил на термоклей.
Устройство включается от переключателя. Мелодии включаются от кнопки на модуле. Если есть желание чтобы мелодия включалась вместе со светодиодами вместо кнопки можно поставить перемычку.
Ссылка на оригинальную статью: http://itspecpro.ru/2018/06/13/%d0%b2%d0%be%d1%80%d1%83%d0%b...
Ну честно говоря не совсем вода… скорее пиво… вроде как темное, вкусное…ммм…
Погнали.
Несмотря на то, что ноут принесли достаточно оперативно, из-за долбанной политики эпла, АКБ не быстросъемная, поэтому коррозия уже вполне себе все нужное задела.
Главное, что пострадало – коннектор lvds (в него вставляется шлейф матрицы),
а с обратной стороны платы затекло под SMC-контроллер.
Досталось так же мелочевке, но это достаточно будет пропаять и отмыть.
А вот с контроллером такой фокус уже не пройдет. Хотя если любишь возвраты и поиск плавающих неисправностей, то микросхему можно не снимать и не чистить под ней.
Чуть поближе коннектор дисплея
и подсветка клавиатуры (хотя тут могу ошибаться).
Разъему SSD и самому диску вроде досталось немного, но забегая вперед, только диск не удалось полностью реанимировать. В полной тишине он немного посвистывает, но цена нового заставляет смириться.
Шлефик клавиатурной подсветки, коннектор на нем придется поменять.
Я конечно сомневался снимать или не снимать, вроде и не много было влаги под микросхемой. Но когда снял – понял, что решение все же было правильное. Вообще в таких случаях советую лучше перебздеть, чем недобсдеть.
Посадочные площадки микросхемы, уже зачищенные от избытков припоя и грязи.
Ошариваем сам контроллер. Конечно после мобилок шаг между шарами и их размер несомненно вызывает улыбку.
Коннекторы тоже снимаем, чтобы вычистить из-под них коррозию, потому что тут все как с сусликом. Вроде бы ее не видно, но она есть, и более того со временем проявит себя.
Подгнившие коннекторы выкинем.
Снимем откуда-нибудь донорские,
подходящие по размеру.
Припаиваем. Вымываем флюс. Тестируем. Вроде бы все неплохо. Пару месяцев работает – без происшествий.
Нахожусь в г. Санкт-Петербург.
Теперь до меня проще достучаться, я есть вк - vk.com/verified_spb
P.S: ищу друзей по мобилкам в любых АСЦ Питера
Купил на авито примерно между 16-20 числами прошлого месяца монитор Acer AL1916W, ревизии As 2007 года производства за 700р в нерабочем состоянии.
Изначально не включался, как оказалось за 11 лет ему уже меняли конденсаторы, а оставшиеся родные после n-ного кол-ва лет вздулись. Поменял все вздутые и оставшиеся целые заводские конденсаторы в блоке питания (кроме силового, влом было идти покупать) на новые из запасов, SAMWA, Nichicon, Jamicon.
Затем уже захотел встроить в скаллер ILIF-020 REV B. DVI порт.
Вот готовый результат:
Чтобы сделать тоже самое, нужно минимально впаять на плату:
1. Q104 - биполярный NPN транзистор PMBT3904
2. R103, R121, R123, R128, R146, R148 - SMD резистор размера 0603 с сопротивлением 4.7 кОм
3. R113, R114, R116, R117, R119, R120, R126, R152, R153, R181, R192, R193 - SMD резистор размера 0603 с сопротивлением 100 Ом
4. R197 - SMD резистор размера 0603 с сопротивлением 51 Ом
5. R138-R145 - SMD резистор размера 0603 с сопротивлением 10 Ом
6. ZD102, ZD103, ZD104 - стабилитрон 5V6 в корпусе SOD323
7. C127, C128 - конденсатор на 50V 0.1 uF
8. U104 - EEPROM 24 серии, 24С02, объем 2 Кбит
Скачать вот эти дампы: http://remont-aud.net/dump/mnt/al1916w/12-1-0-7120
Прошить U104, U106. Резисторы R113, R116, R119, R197 изначально стоят с другим сопротивлением, меняем на указанные 100 (R113, R116, R119) и 51 Ом (R197 на ревизии REV A.).
На своём же скаллере заменил почти все конденсаторы на новые, резисторы по DAT+ и DAT - линиям впаял размером 0805, так как в моем мухосранске не оказалось в наличии 0603. Также впаял на места ZD102, ZD103, ZD104 стабилитроны в корпусе DO-35 по той же причине...
Разъем можно просверлить дрелью, а придать форму напильником.
Монитор отлично показывает через кабель HDMI > DVI и видеокарту GT9500:
Апгрейд мой, пост мой, контент мой, баян сегодня устал - выдает неправдивые данные.
Всем прив!
Попал в ремонт очередной китiPhone с диагнозом не видит sim.
Вот такое чудо, под видом 7ки и даже кнопка "HOME" не механическая!
Через корпус приёмника видно, что повреждена контактная группа sim.
Видом напоминает 4 4s, но не тут то было...
Перерыв весь разбор и кит магазы, аналог не нашел, было решено колхозить*...
Размешал припой на крепёжках крышки коннектора сплавом розе, снял её акккккуратненько паяльником, помогая феном на китайских 340°....
Картина не из самых лучших, но "где мы, а где они?")))
Взял за привычку, снимая мелочь и микрухи* с доноров, копить кнопки, sim ридеры, коннекторы, картридеры, шлейфа((Ы), меня одного раздрожает как правильно пишется?) и раскладывать по баночкам в прок и вот в очередной раз сгодилось.
Разломав одного из таких доноров, отчистив от остатков пластика его ламели*, я залудил их нижнюю часть и принялся вкорячивать их на старые посадочные места:
1й был направлен в обратную сторону, а остальные установидись как родные, концы я подогнул, чтобы лоток приёмника не цеплялся при установке sim.
Получилось как то так:
Ну а дальше, накинул крышку, проверил связь*
Уровень приёма на фото слабый т к. тел без антенны.
ИМХО: операция проходила с недавно восстановленным ЯХУНОМ* https://pikabu.ru/story/o_mikroskope_i_dorabotke_5928881, кто говорил, что темно- цините фото!!!
Всем спасибо за внимание, надеюсь что не зря отнял ваше время и данный пост будет полезен!
Удачных вам ремонтов и побольше хороших клиентов, а не пациентов! ;)
Наконец дошли руки запилить пост.
Принесли магнитолу с типичной проблемой всей советской техники - на замену электролитов, ибо при включении динамики пели фоном 50 Гц вместо музыки.
Видим серебристые бочонки - меняем. Музыки, кстати, не было ещё и по причине рассыпавшегося пассика.
Долго искал хоть что-то подходящее, ибо нужного размера во всём городе не оказалось. Не люблю я "колхозить" при ремонте, но в данном случае пришлось ставить пассик большего размера, в итоге отодвинул дрыгатель немного дальше, благо крепления позволяли, да заменил ведущий шкив на валу двигателя, ибо уж слишком маленьким был родной, этим же удалось добиться нужного натяжения пассика. Скорость движения ленты после всех манипуляций из-за большего шкива была слишком высока, выставил нужную подстроечным резистором.
К сожалению, фото этих диких извращений я не делал, был слишком увлечён процессом созидания.
Поэтому вместо этих фотографий - фото моего ассистента:
После замены электролитов и настройки лентопротяжного механизма звук с кассет (их есть у меня!) хоть и был, но как из бочки. Регулировка головки ничего не дала, видимо она была слишком изношена. Фото старой головы крупным планом:
Обычная голова венгерского производства. Пермаллой, к тому же не самого лучшего качества. Было принято решение заменить её, у меня как раз завалялась практически новая сендастовая. На фото она уже установлена, настроена и довольно сносно воспроизводит звук в отличие от старой.
Пока длился ремонт, владелец дополнительно попросил перенастроить блок УКВ на приём ФМ станций. Путем несложных манипуляций брюки превращаются блок настроен на ФМ диапазон 108 - 88 МГц. Перенастройка делалась при помощи китайского ФМ модулятора, инструкции из интернета и такой-то матери)) На фото уже настроенный блок:
В итоге магнитофон бодро играет как с кассет, так и радио. Станций, правда, у нас всего 3, ну и то хорошо, на безрыбье и рак рыба. Плюсом опять же по просьбе владельца аппарата сделал подсветку шкалы индикаторов, по мне получилось довольно красиво.
Ну и напоследок фото экспресс-ремонта с работы. Коллега принёс телевизор-невключайку-шахида, тот пускал дым, громко стрелял при попытке включить в сеть, в общем, требовал срочных реанимационных мероприятий. Вот такой телевизор:
Коллега этот сначала пытался сам доломать починить, выкусил зачем-то термистор с платы, да под самый корень, телевизор после этого всё так же пытался отправиться в Вальгаллу, в итоге коллега сдался и притащил телевизор ко мне)) Фото невинно убиенного, рядом уже впаял новый.
При разборке в блоке питания обнаружилась такая картина:
Конденсатор под компаундом (на фото можно его заметить, ляпушки жёлтого цвета) коротнул и выжег резистор (RM801). На фото также заметно прогар на текстолите между выводами конденсатора. Весь ремонт обошёлся чисткой платы от прогара, заменой конденсатора и резистора. Ну ещё и термистора, убитого владельцем. на фото детали уже впаяны.
Собственно, после этого телевизор завелся:
Всем спасибо за внимание!
В последнее время с компанией Apple судились из-за легко выходящих из строя клавиатур в ноутбуках MacBook последних поколений и проблем с экранами в iPhone 6 и iPhone 6 Plus. Теперь список пополнили все смарт-часы, начиная с первого поколения и заканчивая последними Series 3. В иске против «яблочной» корпорации говорится, что во всех поколениях Apple Watch присутствует критический изъян.
«Все Apple Watch содержат один и тот же дефект и/или недостаток, из-за которого экран часов трескается, разбивается или отсоединяется от корпуса без каких-либо действий со стороны владельца. Часто это происходит спустя всего несколько дней или недель после покупки», — говорится в обвинении.
Как сообщается, Apple якобы знала об этом дефекте, но всё же выпустила устройства в продажу. Более того, компания отказывается выполнять гарантийный ремонт или замену, когда у пользователей без причины трескается или отходит от корпуса дисплей.
В иске против Apple говорится следующее:
Apple знала, что часы имели дефект на момент или до старта продаж. Кроме того, потребители обращались с жалобами к Apple на этот дефект почти сразу после того, как компания выпустила Series 0, Series 1, Series 2 и Series 3.
Apple активно скрывает и не раскрывает детали дефекта истцам и пользователям до, во время или после покупки.
Кроме того, реакция Apple, когда она сталкивается с этим дефектом, указывает на то, что её внутренняя политика заключается в том, чтобы отрицать существование проблемы, заявляя, что она является результатом «случайного урона», нанесённого потребителями, а затем отказывается соблюдать свои гарантийные обязательства на основе этих оснований.
Отметим, что в прошлом Apple признала проблему с первыми Watch, у которых вздувались аккумуляторы, и продлила их гарантийное обслуживание. Позже аналогичная ситуация произошла с некоторыми версиями Series 2, а в моделях Series 3 компания подтвердила наличие полос на экранах ряда экземпляров.
Если в суде будет доказано, что Apple продавала заведомо бракованные часы, а затем отказывалась их ремонтировать/менять по гарантии, то компании грозят убытки в размере 5 миллионов долларов.
