Сообщество - Сообщество Ремонтёров

Сообщество Ремонтёров

8 096 постов 44 154 подписчика

Популярные теги в сообществе:

54

"Сложная диагностика" элементарных типовух, или платные фантазии псевдомастеров

Я думаю что у каждого мастера есть папочка с "умными" официальными заключениями о диагностике простейших неисправностей от псевдомастеров, псевдомастерских и от прочих мошенников.

Выбрал самый типичный пример. Lenovo IdeaPad 310-15ISK. Не работала клавиатура и тачпад.

"Написали всё что знали". Денег за "диагностику" взять не забыли.

"Сложная диагностика" элементарных типовух, или платные фантазии псевдомастеров

Принцип работы прост и всем известен:


Ремонтируем только модульной заменой и переустановкой виндовсов. Если не можем отремонтировать - ломим конский ценник, чтобы заказчик от ремонта гарантированно отказался. Не откажется - ну чтож, заменим плату. (Можно даже б/у аппарат найти и остаться в плюсе). Берём денег за "сложную диагностику".


По данному заключению, ноутбуку была нужна банальная перепрошивка BIOS. Ремонт не просто типовой, а элементарный.


Кстати, южного моста у Lenovo IdeaPad 310-15ISK нет. Но ктож знал! Аппарат даже не разбирали)


Я во ВКонтакте.

Показать полностью 1
283

Ремонт водонагревателя или "почувствуй себя рукожопом".

В первый день сентября жена пожаловалась, что горячая вода не идет из крана. Проверяю, идет, но холодная. Здравствуй, водонагреватель, я иду к тебе. Знаю, виноват, сроки ежегодного ТО пропустил. Но сегодня все наверстаю.

Первым делом выключаю из розетки и сливаю воду.

Для сброса воды я предусмотрительно установил сбросной кран на подаче холодной воды после клапана, так, чтобы при его открытии вода из бака свободно вытекала.

Отсоединил трубы.

Снял бак. Хотя можно было и на месте всё делать, но на снятом и перевернутом удобнее.

Открутил торцевым ключом 6 гаек, снял винты крепления заземления. Вытащил ТЭНы.

Как и ожидал, магниевый анод почти полностью съеден коррозией.

Меняю анод на свеженький.

Прочищаю немного заросшую трубку холодной воды напильником.

Промываю бак от накопившегося внутри осадка. Собираю все в обратном порядке, как было раньше.

Навешиваю бак на стену, подключаю трубы, пускаю воду до полного наполнения бака. Включаю нагрев. И оба-на! Не работает. Напряжение в розетке есть. А на ТЭНах нет. Кручу регулятор - не помогает. Включаю ТЭНы по одному и вместе - ничего не меняется. Как всегда, если не получается отремонтировать, иду читать инструкцию (залезаю в Интернет). Описано всё, что я уже сделал. Только на одном сайте сказано что-то о некоем защитном устройстве с кнопочкой, которую надо нажать, и будет Вам щщастье.

Полез искать эту волшебную кнопочку. Нашел на ощупь. Нажал. Для тех, кто захочет повторить - всё делается при выключенном из розетки кабеле. Не выключены кнопки, а выдернут кабель! Включаю, ничего не работает. Вот в этот момент и посетила меня мысля о "рукожопстве". Но я не отчаялся. Извернулся заглянуть на это предохранительное устройство. А там. Та-да-а-а-м.

Обгоревший контакт. Снял, поменял, зачистил, обжал, заизолировал. Всё заработало.

И, конечно, отметка о проведенном ТО, хотя и внеплановом.

Конечно, будь я внимательней, можно было бы и сразу найти и отремонтировать контакт, но тогда до ТО точно руки бы не дошли.

Показать полностью 10
34

Честный и официальный прогревастинг

Читатели яростно раскритиковали мой предыдущий пост, где был описан процесс БЕЗОПАСНОГО прогрева видеочипа карты GTX 780 на инфракрасной паяльной станции за символическую оплату.

Ну чтож, вот пример вполне официального и честного прогревастинга в СЕРВИСНОМ ЦЕНТРЕ за нормальные такие деньги. Никакого обмана и мошенничества, а главное всё официально)

Честный и официальный прогревастинг

Карту брать в ремонт я не стал, ибо упаяна была знатно и заниматься ей было уже нецелесообразно. Сомневаюсь что там была инфракрасная станция, хотя доказательств того что её не было у меня тоже нет.


Я во ВКонтакте.

Показать полностью 1
75

Что такое диагностика и почему диагностика платная?

Когда вы приходите в сервисный центр и просите "посмотреть" что случилось например с вашим компьютером или ноутбуком, который перестал включаться, то в ответ вы слышите: "Нужно сделать диагностику". Некоторые люди не совсем понимают что это значит. А еще больше удивляются когда узнают что диагностика ПЛАТНАЯ.


Первым шагом в ремонтных работах является диагностика. Диагностика - это поиск неисправности и оценка технического состояния устройства. Проще говоря, прежде чем начать любой ремонт ноутбука, компьютера, или любого другого устройства, нужно найти неисправность, выявить все причины и только потом заняться их устранением - собственно ремонтом. Если вы приходите в больницу, вам же сразу не назначают лечение?! Сначала пытаются выяснить что с вашим организмом не так.


Когда вы приносите в сервис ваш ноутбук со словами: "Ноутбук не включается", - угадать что с ним произошло очень сложно. Невозможно определить поломку по фото, по описанию проблемы, или по модели устройства. Одно и то же внешнее проявление неисправности может быть вызвано десятком совершенно РАЗНЫХ причин.

Вы сдаёте ноутбук на диагностику и тут начинается основная работа - выявление неисправности. Да, именно выявление неисправности чаще занимает больше времени, чем непосредственно ремонт устройства. Найти неисправную деталь сложнее, чем потом заменить её на новую. Скажу больше, в процессе поиска неисправности зачастую приходится выполнить ремонт, потому что иначе никак не получится проверить полностью работоспособность устройства.


Цель диагностики не только выявить причину неисправности , но и сделать еще одну немаловажную вещь - определить стоимость ремонтных работ. Ведь каждый человек перед выполнением ремонтных работ хочет чётко знать цену ремонта, сроки, рентабельность и актуальность ремонта. Именно поэтому в процессе диагностики не только выявляются неисправности, но и сразу считают цены на необходимые детали, стоимость работ, а так же сроки выполнения ремонта. Соответственно, клиент по результатам диагностики точно знает в чем причина неисправности и сколько будет стоить её устранение. Если цена ремонта, или сроки не устроят, клиент уже будет знать причину и сможет например обратиться позже, или найти того кто сделает работу дешевле и быстрее. Вот именно за эту информацию нужно заплатить. Именно поэтому диагностика платная.


К тому же диагностика требует сил, времени и зачастую средств. Бывают нетипичные проблемы, что на выявление неисправности устройства уходит не час или два, а несколько дней. При чем в процессе работы мастеру приходится заказывать необходимые детали, покупая их за свои деньги. А в итоге клиент может отказаться от ремонта по причине к примеру его дороговизны.

Бывает недостаточно просто найти неисправную деталь. Нужно проверить полностью работоспособность устройства, потому что клиента не устроит если к примеру ноутбук включится, но Wi-Fi или жесткий диск не будут работать. А это потребует дополнительных вложений, на которые никто не рассчитывал.


Проблем может быть несколько и увидеть следующую можно лишь устранив текущую. Особенно часто такое бывает после неквалифицированного вмешательства, либо после неудачных попыток ремонта. Поэтому грамотная диагностика - это 90% сложного ремонта.

К тому же, иногда устройства нет смысла ремонтировать из-за большого общего износа и массы различных проблем, то есть когда проще купить новое устройство. Но узнать об этом можно только после диагностики.


Стоимость диагностики входит в стоимость ремонтных работ. То есть в итоге диагностика для заказчика платная только если он отказывается от ремонта по каким-либо причинам. В случае ремонта диагностика будет бесплатной.


Так же следует помнить, что сложный компонентный ремонт и даже просто замену разъема в ноутбуке невозможно качественно выполнить подручным инструментом на дому.

Время "выездных телемастеров" давно прошло. Сейчас "ремонтом на дому любой сложности" занимаются зачастую мошенники-курьеры, безграмотные продавцы пиратского софта и прочие "психологи". К ремонту электроники эти люди не имеют никакого отношения.

Но именно у них существуют понятия: "сложная диагностика", "расширенная диагностика", "углубленная диагностика" и прочая чушь. Не ведитесь на непонятную терминологию. ДИАГНОСТИКА МОЖЕТ БЫТЬ ТОЛЬКО ОДНА.


"Ремонт компьютеров на дому" – это максимум модульная замена неисправных комплектующих, диагностика простейших неисправностей (разбит экран, залита клавиатура, неисправен жесткий диск), чистка от пыли, устранение программных сбоев и переустановка операционной системы. Компонентный ремонт и восстановление материнских плат, а так же любая замена радиодеталей, разъёмов и микросхем проводятся только в условиях оборудованной мастерской.


Я во ВКонтакте.

Показать полностью
98

Восстановление угольного шлейфа или проверка на стрессоустойчивость

Вся трудность не в пайке мелких проводов, а то что шлейф приклеивается дисплею угольным шлейфом
Было решено восстанавливать клеем t7000+ токопроводящий клей+ провод 0.07мм+ паяльная маска+ малярный скотч
накладываю проводов, держатся на малярном скотче, т-7000 и святом духе

фото под микроском, тут даже не видно контактное покрытие на стекле, но глазом под некотором углом видно)

покрытие всего этого чуда паяльной маской, чтобы это сразу не отвалилось как только возьмём в руки
паяльная маска с торца, а не на контактах! Это важно, так как сверху ещё будет токопроводящий клей

сушим под ультрофиолетом

обрезаем лишнее и запаиваем к плате

наклеиваем сверху скотч для лучшей фиксации проводов

намазываем токопроводящий клей и стираем лишнее.

8 фото error после проверяем не коротят ли ближайшие контакты между собой
9 фото error покрытие контактной площадки ещё одним слоем паяльной пасты и сушка под уф.
10 фото error сборка.
Ступил и не снял последующие шаги (
Кто угадает,что это за устройсво?)
P.s. буду ли я ещё когда то этим заниматься? Нет! Не в коем случае) цена этого устройства от 500 до 1500р проще купить новый ) делал так как просто было интересно хватит ли нервов

Показать полностью 7
129

Ноутбук прошедший множество боев... Ремонт hp dv6-6b54er после нескольких сервисов.

Приветствую подписчиков и случайных зрителей)) Спасибо что заглянули)

Сегодня речь пойдет о почти легендарном ноутбуке, hewlett packard pavilion dv6-6b54er.

Думаю ноутбуки из этой серии были почти у каждого мастера который занимается ремонтом)


Многообразие типовых неисправностей поражает, с ним может сравниться только какой нибудь asus k50ad: Слетающий биос, дырка в мультиконтроллере, постоянно вылетающие ncp5911,разумеется умирающее видео в лице 3 разных видеочипов, видеопамять, шим проца. Подобные дефекты встречались мне крайне часто и о них не раз рассказывалось на типовых форумах.


В тоже время эти ноутбуки всегда привлекали к себе внимание)

Ну да ладно, сегодня же, мы будем решать головоломку.


Поступил ко мне этот ноутбук с заявленной неисправностью не включается, клиент отдавал его в 2 местных сервисных центра, произошло это недоразумение когда человек играл в wot (мб не пробил танк?), ноутбук просто выключился и все.

Делаем все как обычно, вначале подключаем к лбп, заранее ограничив ток 1А, что бы в случае чего не спалить бедолагу окончательно, слева в углу видно потребление до нажатия кнопки, справа после.

Честно когда увидел потребление подумал что вероятнее всего сдохли  ncp5911 в фазах питания проца, но сделав замеры понял что они совершенно не запитаны, значит вероятно дело не в них.

Начал с внимательного осмотра платы, увидел что прогревался видео чип, и хаб, менялась шим проца, и шим который дает 1.5 вольта на озу. Так же сдвинуты резисторы около хаба, вероятно пытались переделать на uma ( отключить дискретную видеокарту).

так же был выгоревший конденсатор около разъема шлейфа кнопки включения (pc27), его сразу заменил что бы не отвлекаться.

Так же видны следы залития, но после внимательного осмотра понял что они не критичны и влага попала на места крепления охлаждения.

Что бы разобраться в чем причина, нам потребуется схема на этот аппарат, можно и без нее,но так придется тыкать пальцем  ̶в̶ ̶г̶л̶а̶з̶  в небо.

Платформа называется hpmh-41-ab6200-e00g, схема на нее есть в сети.

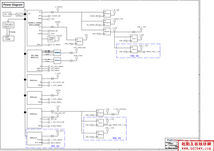
Для начала взглянем на power diagramm

Кому то может показаться что это капец как сложно, но в действительности тут все просто и мега понятно, если внимательно посмотреть, по сути тут нарисованы ключевые узлы материнской платы, все шим контроллеры, например dc in это наше входное питание 19 вольт, оно поступает на чарджер bq24707 и через входные ключи ME4425, которые открываются при помощи чарджера формируется основное питающее напряжение b+ 19v. Или например рассмотрим TPS51218, она подключена к b+, т.е на нее поступает 19в, причем что бы она заработала на нее должен придти сигнал en (enable) 1.05V_VCCIO_EN, если с ней все в порядке то она выдаст питающее напряжение и дополнительно сообщит плате что с ней все ок посредством PWRGD (power good) 1.05VS_PWRGD.


По сути для диагностики и ремонта можно пользоваться этой схемой, и проверять на каких шим контроллерах есть все необходимое для запуска и работы, а для каких нет.

Так же порой может потребоваться так называемый power sequence (последовательность запуска) обычно он находится на последних страницах схемы, но иногда его может и не быть, пользуясь им можно четко представлять и замерять, какой сигнал и напряжение в какой момент времени должны появляться или исчезать, выглядит она так.

Как ей пользоваться я постараюсь описать в  одном из следующих постов, ибо если я  начну это писать тут то получится целое сочинение...

По логике  ̶к̶о̶т̶о̶р̶а̶я̶ ̶у̶ ̶м̶е̶н̶я̶ ̶о̶т̶с̶у̶т̶с̶т̶в̶у̶е̶т̶  у нас нет запуска как раз таки одной из шим, дежурка присутствует, и греется хаб ( он вызвал у меня подозрение, т.к его не меняли,а именно прогревали, (хотя сука блять ну не ведутся интеловые хабы на прогрев, не ведутся, но нет все равно находятся долба*бы которые их греют), я решил его заменить,(снимая я почуял запах  ̶п̶т̶и̶ч̶ь̶е̶г̶о̶ ̶п̶о̶м̶е̶т̶а̶  дешевого китайского флюса), что бы убедиться что он никак не может повлиять на запуск, сопротивление питания (42.9 ом) и целостность по usb была в норме.

Заменив хаб ничего не изменилось, и это очень хорошо, значит  ̶п̶р̶о̶д̶е̶л̶а̶л̶ ̶л̶и̶ш̶н̶ю̶ю̶ ̶р̶а̶б̶о̶т̶у̶  наш родной хаб скорее всего жив.

Возвращаемся к нашей power diagramm и начинаем последовательно замерять питания на шимах, и тут подозрение мое падает на pu8 (TPS51216),  sus on почему то около 0.7 вольта , на выходе разумеется ничего нет, точнее как, там есть какие то милливольты.

Рассматриваем внимательно нашего подозреваемого.

И едрить колотить, действительно, 16 и 17 ножки закорочены, причем без микроскопа не заметишь, причем кажется что это просто сопля, но нет, это гребаная мать ее Стружка, сняв и посадив микросхему я констатировал что она уже давно мертва, берем новенькую, лудим контакты и сажаем на законное место, протираем плату от флюса, и пробуем завести.

1.5 вольта появились, отлично!) Но запуска по прежнему нет, посмотрев под микроскопом шим проца, увидел что некоторые ножки у него не припаяны.

пропаял иии

Есть контакт) Значится собираем этого инвалида, мажем ему термопасты, чистим охлад и заводим нашу шарманку)

Ноутбук ждут дальнейшие тесты, единственное что смутило, что жарили видеочип, надеюсь это не отразится негативно, но клиент обо всем предупрежден) Хаб так же установил родной, он завелся, с ним все ок было, так же вернул резисторы которые перемещали на свои места.

Как так вышло просите вы меня, тут я могу только предполагать, возможно что изначально даже дефект был иным, точнее допустим вышел из строя шим проца, его заменили в сервисе, но допустим криво, потом ноутбук отдали в другой сервис, где не обратили внимания на паяный шим проца, увидев уже другое потребление, решили перепаять шим озу, и припаяли его криво да еще и со стружкой, после этого отдали без ремонта, хотя в общей сложности на 2 сервиса человек отдал денег почти столько же, сколько ему стоил окончательный ремонт (4000р).

Собственно вот такие пироги, спасибо что дочитали до конца, всем хорошего дня!)



Мои контакты:

https://vk.com/viknote

8-929-968-35-39 Виктор

(Москва, бутово)

Показать полностью 10
129

Китайская видеокарта IGAME GTX1070. Прогар фаз

Подписчик обратился ко мне с китайской видеокартой IGAME GTX1070. ПК с ней не включается.

Без вскрытия сразу же стало ясно что по 12В доп.питания заниженное сопротивление - около 15Ом. Это крайне мало. Поэтому блок питания ПК будет уходить в защиту с подключенной видеокартой.

Разбираю видеокарту

Вроде бы всё нормально. Но не совсем.

Вот что я нашел под радиатором ключей VRM видеопроцессора (который был просто приклеен к плате скотчем - оригинальное решение от китайцев)

Поближе и с увеличением

Немного почистил

Как обычно виноваты дешевые керамические конденсаторы фильтра по 12В. От перегрева они ушли из номинала и начали греться от токов утечки. Некачественная система охлаждения цепей питания усугубила ситуацию. Плюс как выяснилось беспощадный майнинг.

Высверливаю прогар пока заниженное сопротивление по обеим линиям доп.питания не исчезнет.

Далее нашел пробитые сдвоенные ключи на двух фазах. Сопротивление выросло до килоом. Но карта совсем не запускалась, хотя должна.
Выяснил что на драйверах uP1962 нет сигнала Enable (EN)

Найти концов не смог. Теряется где-то в слоях. Сверлить дальше и без того убитые слои и искать потерянный Enable не вижу смысла. Просто бросил EN напрямую от 1,8В.

Карта завелась. Потребление нормальное, все питания присутствуют

Выжившие фазы работают.

Теперь меняю все фильтрующие керамические конденсаторы на нормальные. В том числе с обратной стороны. По питанию памяти и контроллера памяти пока оставлю родные, они не пострадали. И нагрузка на них там гораздо меньше.

Можно пробовать аккуратно запускать карту в стенде

Пока работает. Места прогара нужно залить ультрафиолетовым лаком.

Теперь эта китайская поделка будет долго тестироваться. Конечно же придётся понизить частоты и что-то придумать с охлаждением ключей VRM. Ни о каком разгоне и майнинге не может быть речи.


Я во ВКонтакте.

Показать полностью 18
Отличная работа, все прочитано!