Сообщество - Инженеры машиностроения

Инженеры машиностроения

204 поста 401 подписчик

Популярные теги в сообществе:

8

Пост знакомства в сообществе

Добрый день друзья, желаю прекрасного и солнечного настроения на весь день, сил, чувства бодрости и оптимизма. Предлагаю каждому участнику написать небольшой пост знакомства в сообществе. Чтобы вы хотели здесь видеть, какие вам темы интересно освещать, ваши идеи услышать буду рад.

Пост знакомства в сообществе

О себе. Я инженер, конструктор проектировщик с 2007 г., за десятилетний период работы на производстве в Беларуси получил опыт в области машиностроения, строительных металлоконструкций, теплоэнергетики, приборостроения и киносъемочного оборудования.

Участвовал в проектах:


2007 - 2009 г. проектирования различного оборудования котельной установки Жодинской ТЭЦ паропроизводительностью 60 тонн/час и рабочим давлением 95 бар - проект по-своему уникален, так как котельная установка может работать и на торфобрикете, и на древесном топливе, и на фрезерном торфе;


2009 – 2010 г. проектирование и ввод в эксплуатацию опытного образца котла Е-10-1,4ДР на котельной ОАО «ТБЗ Дитва» в рамках выполнения государственной программы ГНТП «Энергетика-2010»;


а также ряд других проектов для заказчиков от элементов атомных станций, литейных ковшей, циклонов, элементов военного оборудования до приборов различного назначения в киносъемочном производстве — для компаний ОАО "Белоозерский энергомеханический завод", ЗАО "КВИП" г. Минск, ЗАО "ЦНИП" г. Минск, Учреждение "РЦОП по настольному теннису", Рабтекс Индастри, ООО "КОМПАРАТОР", РУП «АКАДЕМФАРМ», ООО "Завод энергоинновационного оборудования", ХАЙ ТЕК КОМПОЗИТЫ УП, ТОЧЛИТ СООО, ООО «КАТО», ООО Фрезерстил и других.

Пишу блог Живой журнал инженера конструктора о профессии и жизни. Развиваю свой проект по инженерным услугам в форме индивидуального предпринимателя, c 2007 года выполнено успешно более 600 проектов. Рейтинг 5/5 на основании 90 отзывов Яндекс Услуг и Google Maps.

Считаю что только вместе в Сообществе мы можем вывести профессию на достойный уровень оплаты, создать благоприятные условия для обмена опытом, вовлекать молодежь в разработку перспективных для государства и частного бизнеса инновационных продуктов. Создание системы взаимодействия между научной средой и инженерами разработчиками приведет к освоению фундаментальных наработок в практически полезные продукты. Научные сотрудники и инженеры-разработчики должны чувствовать внимание и уважение со стороны СМИ, общества и государства. Такой путь выведет нашу страну по технологиям в на лидирующие позиции во всем мире и приумножит благосостояние каждого отдельно взятого жителя .

Вопросы, на которые я легко и профессионально дам ответ.**

Как превратить идею в готовый продукт? Что такое разработка конструкторской документации в Компас 3D, AutoCad? Конструктивные и технологические элементы деталей на чертеже. Выбор посадок гладких цилиндрических поверхностей. Какие расшифровать обозначения на чертежах в машиностроении и металлообработке? Как подобрать необходимую шероховатость поверхности? Что такое индустриальный дизайн, и где он используется в жизни?

Присоединяйтесь к сообществу и вдохновляйтесь каждый день! Понравился пост? Не забудьте «лайкнуть».Как и всегда, если есть какие-то вопросы, мысли, дополнения и всё такое прочее, то добро пожаловать в комментарии к этой записи.

Показать полностью 1 1
2

Вопрос | Миллион за ум: за что современный бизнес готов платить инженеру

Не бойся рисковать, бойся не мечтать! Будущее принадлежит тем, кто готов мечтать смело!

Миллион рублей в месяц - это уже не просто хорошая зарплата, это сигнал. Сигнал о том, что инженерные профессии снова стали востребованы, что ум, знания и навыки стоят дорого, и что бизнес готов платить за них. Но за что именно?

Миллион за ум: за что современный бизнес готов платить инженеру?

Миллион за ум: за что современный бизнес готов платить инженеру?

Ваш ум — ваш капитал: где идеи превращаются в миллионы

Разрушая миф о "просто" инженере:

Часто  мы  представляем  инженера  как  человека,  сидящего  за  чертежами  и  программирующего  код.  Однако,  современный  бизнес  требует  от  инженера  гораздо  больше.  Он  должен  быть  не  просто  техническим  специалистом,  а  многопрофильным  профессионалом,  комбинирующим  глубокие  технические  знания  с  коммерческой  проницательностью  и  способностью  работать  в  команде.

Ключевые компетенции  "инженера на миллион" :

  1. Глубокие технические знания:  Понимание  сложных  технических  систем,  способность  анализировать  и  решать  сложные  задачи.

  2. Инновационное мышление:  Способность  видеть  новые  возможности,  разрабатывать  креативные  решения  и  применять  передовые  технологии.

  3. Проектное управление:  Опыт  управления  сложными  проектами,  от  планирования  до  реализации,  обеспечивая  качество  и  эффективность.

  4. Коммуникативные навыки:  Способность  ясно  и  конкретно  объяснять  технические  детали  как  коллегам,  так  и  менеджерам,  не  используя  специализированный  жаргон.

  5. Стратегическое мышление:  Понимание  бизнес-целей  компании  и  способность  видеть,  как  его  технические  решения  могут  содействовать  их  достижению.

Когда креатив встречает технологии, миллионы не за горами

Рассмотрим нескольких примеров из списка "Innovators Under 35" на сайте MIT Technology Review и проанализируем, что привело их к успеху.

Ахилеш Говеас  

Основатель и генеральный директор SpectX  

  • Инновация: Разработка автономной воздушной радиографии для труднодоступных объектов.

  • Успех: Использование дронов для рентгеновских инспекций морских ветряных турбин позволяет значительно сократить время и расходы на инспекцию сооружений, которые являются критически важными для устойчивого энергетического производства.

  • Вывод: Способность интегрировать новейшие технологии (дроны и радиографию) в уникальный продукт привела к созданию стартапа с высокой добавленной стоимостью.

Херардо Портилья  инженер-электромеханик  

  • Инновация: Разработка робота-собаки TEFI для помощи людям с нарушениями зрения.

  • Успех: TEFI помогает пользователям ориентироваться как в помещениях, так и на улице, используя карты Google, что улучшает качество жизни людей с особыми потребностями.

  • Вывод: Ориентация на социальное воздействие и внедрение технологий в повседневную жизнь обеспечивают значимую ценность для общества и создают рыночный спрос на такие решения.

Никита Ужегов  

Главный операционный директор и соучредитель SpinDrive  

  • Инновация: Разработал активные магнитные подшипники (АМП), которые левитируют вращающиеся части электродвигателей, устраняя трение. Это открытие может значительно повысить эффективность промышленных турбомашин и сократить затраты на энергию.

  • Успех: Внедрение технологии АМП в производственные процессы обеспечивает более высокую эффективность и надежность, что имеет значение для различных отраслей.

  • Вывод: Нацеленность на устойчивое развитие и энергоэффективность позволяет SpinDrive предоставлять решения, которые не только коммерчески успешны, но и соответствуют современным требованиям по экологии.

Командная работа - двигатель успеха в инженерии

Мы привыкли в сознании видеть гениев-одиночек, которые в тиши своей лаборатории совершают прорывные открытия. Образ Исаака Ньютона под яблоней, Эйнштейна, размышляющего о теории относительности, укоренился в массовом сознании. Однако в реальности успешные инженеры - это не одиночки, а члены команд, где каждый талант играет свою важную роль.

Не забывайте, что мир бизнеса полон влиятельных игроков. Установление связей с ключевыми фигурами может значительно повысить шансы на успех вашего проекта. Взаимодействие с влиятельными личностями не только открывает двери, но и создает возможности для сотрудничества и обмена знаниями.

Думай как олигарх, реализуй как гений! Смелая миссия - ключ к успеху

Как стать "Илоном Маском" в глазах инвесторов? Секрет прост - сформулируйте свою миссию максимально масштабно и драматично. Хотите привлечь внимание и заинтересовать влиятельных бизнесменов? Заявите, что ваша цель - изменить мир, покорить космос или вылечить неизлечимые болезни.

Готовность к рискам - признак зрелости

Признайте, что ваша затея не лишена рисков, но тут же подчеркните грандиозные возможности, которые она сулит. Продемонстрируйте, что вы трезво оцениваете ситуацию, но при этом полны решимости преодолеть любые преграды на пути к успеху.

Почему командная работа - это основа успеха в инженерии?

  • Сложность задач: Современные инженерные проекты требуют решения комплексных задач, которые невозможно осилить в одиночку. Необходимо объединить знания и опыт разных специалистов: от программистов и электронщиков до дизайнеров и маркетологов.

  • Разнообразие перспектив: Каждая команда состоит из разных людей с разными навыками и взглядами. Это позволяет рассмотреть проблему с разных сторон и найти более эффективное решение.

  • Взаимодействие и синэргия: В команде люди мотивируют друг друга, делятся знаниями и опытом, что приводит к более эффективному результату, чем если бы они работали в одиночку.

  • Обмен идеями: В команде появляется возможность для генерации новых идей и решений. Взаимодействие между членами команды позволяет рассмотреть проблему с нескольких точек зрения и найти оптимальное решение.

Успех этих инженеров я думаю можно связать с несколькими ключевыми факторами:

  1. Инновационное мышление: Они ищут новые и эффективные решения для актуальных проблем.

  2. Практическое применение технологий: Их разработки не просто технологические новшества, но и продукты, которые улучшают жизнь людей или процессы в бизнесе.

  3. Общественный интерес: Инженеры ориентируются на социальные аспекты и предлагают решения, которые востребованы на рынке и имеют значимое воздействие на общество.

  4. Коммерциализация: Умение превращать идеи в успешные бизнес-проекты, что является ключом к финансовому успеху.

Почему  бизнес  готов  платить  за  такой  "пакет"?

Инженеры  с  таким  набором  компетенций  являются  ключевыми  факторами  успеха  современного  бизнеса.  Они  способны  разрабатывать  конкурентные  продукты  и  услуги,  оптимизировать  бизнес-процессы  и  создавать  инновации.  Их  знания  и  навыки  позволяют  бизнесу  преодолевать  новые  вызовы  и  выходить  на  новый  уровень  развития.

Миллион  рублей -  это  не  просто  зарплата,  а  инвестиция  в  опытного  и  талантливого  инженера.  Бизнес  понимает,  что  такой  специалист  принесет  ему  значительно  большую  отдачу,  чем  просто  выполнит  свои  обязанности.  Это  признание  ценности  инженерного  труда  и  отражает  его  ключевую  роль  в  современном  мире.

Показать полностью 1
2

Как оценить долговечность поверхностных покрытий

Поверхностные покрытия играют решающую роль в защите материалов от коррозии, износа и других вредных воздействий окружающей среды. Чтобы обеспечить качество и долговечность покрытий, необходимо проводить тщательные испытания и оценку их эксплуатационных характеристик.

Как оценить долговечность поверхностных покрытий

Как оценить долговечность поверхностных покрытий

Ключевые аспекты тестирования и оценки поверхностных покрытий:

Механические испытания.

Прочность на растяжение: Измеряет сопротивление покрытия разрыву под воздействием растягивающей нагрузки.

Прочность на изгиб: Определяет способность покрытия выдерживать деформацию при изгибе.

Адгезия: Оценивает сцепление покрытия с поверхностью материала, например, с помощью испытаний на отслаивание или отрыв.

Твердость: Измеряет устойчивость покрытия к царапинам и вмятинам с помощью тестера на твердость (например, тестера по Виккерсу).

Стойкость к истиранию: Оценивает способность покрытия противостоять износу при трении с использованием трибометра.

Химические испытания.

Сопротивление коррозии: Определяет способность покрытия защищать подложку от коррозии в различных агрессивных средах (например, с помощью испытаний на погружение в растворы солей, кислот или щелочей).

Стойкость к химикатам: Оценивает способность покрытия выдерживать воздействие химических веществ, таких как растворители, масла или кислоты.

Стойкость к УФ-излучению: Испытывает покрытие на воздействие ультрафиолетового излучения для оценки его способности сохранять цвет и блеск.

Оптические испытания.

Цвет: Измеряет цвет покрытия с помощью колориметра.

Блеск: Определяет блеск поверхности покрытия с использованием блескомера.

Прозрачность: Оценивает степень пропускания света через покрытие.

Термические испытания.

Тепловое расширение: Измеряет изменение размеров покрытия при изменении температуры.

Теплопроводность: Оценивает скорость передачи тепла через покрытие.

Теплостойкость: Испытывает покрытие на способность выдерживать высокие температуры без деформации.

Электрические испытания.

Сопротивление изоляции: Измеряет сопротивление покрытия прохождению электрического тока.

Проводимость: Оценивает способность покрытия проводить электрический ток.

Ускоренное старение и климатические испытания.

Помимо перечисленных испытаний, важную роль играют испытания на ускоренное старение и воздействие различных климатических факторов. Это включает в себя тестирование под воздействием циклического замораживания-оттаивания, повышенной влажности и температуры, морского тумана, химической среды и т.д. Такие испытания позволяют оценить долговечность покрытий в экстремальных условиях эксплуатации.

Натурные испытания.

Наряду с лабораторными испытаниями, важно также проводить натурные испытания покрытий в реальных условиях эксплуатации. Это позволяет оценить их поведение в конкретных средах и при фактической эксплуатационной нагрузке. Такие испытания могут занимать длительный период времени, но дают наиболее достоверные данные о сроке службы покрытий.

Комплексный подход.

При тестировании и оценке покрытий важен комплексный подход, сочетающий различные методы испытаний. Только совокупность результатов механических, химических, оптических, термических и электрических испытаний, а также испытаний на ускоренное старение и натурных испытаний, может дать полную картину о производительности и долговечности поверхностного покрытия для конкретного применения.

Стандарты и спецификации:

Важно использовать стандартизированные методы испытаний, чтобы обеспечить объективность и сравнимость результатов.  Стандарты ГОСТ, ОСТ, ASTM, ISO и др. предоставляют подробные руководства по тестированию и оценке поверхностных покрытий.

Внедрение систем автоматизации:

Для более глубокого анализа можно использовать методы сканирующей электронной микроскопии (SEM), рентгеновской фотоэлектронной спектроскопии (XPS) и других, позволяющих изучить микроструктуру и состав покрытия.

Симуляция: Использование программного обеспечения для моделирования поведения покрытий в различных условиях может помочь оценить их долговечность и прогнозировать срок службы.

Современные технологии автоматизации позволяют проводить испытания быстрее, точнее и эффективнее. Автоматические испытательные системы могут выполнять сложные процедуры, анализировать данные и создавать подробные отчеты.

Проведение испытаний с использованием различных методов и стандартов обеспечивает комплексное понимание эксплуатационных характеристик поверхностных покрытий.

Представьте, что вы хотите оценить долговечность покрытия для автомобиля.

Представьте, что вы хотите оценить долговечность покрытия для автомобиля.

Представьте, что вы хотите оценить долговечность покрытия для автомобиля. Вы можете провести следующие испытания:

Механические: Изгиб, ударопрочность, стойкость к царапинам.

Химические: Сопротивление коррозии, стойкость к УФ-излучению, стойкость к воздействию моющих средств.

Оптические: Изменение цвета после длительного воздействия солнечного света.

Выбор методов испытаний зависит от типа покрытия, его применения и условий эксплуатации.

Регулярное тестирование и мониторинг позволяют отслеживать качество и долговечность покрытия на протяжении всего срока службы.

Тщательные испытания и оценка  позволяют  гарантировать  качество, долговечность и надежность поверхностных покрытий. Используя  стандартизированные  методы  и  современные  технологии  автоматизации,  вы  можете  получить  ценные  данные  о  работе  покрытия  в  реальных  условиях  эксплуатации.  Это  позволит  вам  уверенно  выбирать  и  использовать  покрытия,  обеспечивающие  максимальную  защиту  для  ваших  материалов.

Как обозначить покрытие на чертеже

Показать полностью 2
3

Как построить прочные профессиональные отношения в машиностроительной отрасли

В современном мире машиностроения, где технологии и индивидуальные навыки играют ключевую роль, создание прочных профессиональных отношений становится необходимоcтью. Используя возможности социальных сетей, таких как LinkedIn вы сможете значительно улучшить свои карьерные перспективы. В этой статье мы обсудим несколько ключевых аспектов, которые помогут вам развивать профессиональные связи в машиностроении.

Как построить прочные профессиональные отношения в машиностроительной отрасли

Как построить прочные профессиональные отношения в машиностроительной отрасли

Основы взаимодействия

Определить цели:

  1. Что вы хотите достичь? Хотите ли вы получить новую работу, стать лидером мысли в отрасли, запустить собственный бизнес или просто расширить свой круг знакомств?

  2. Какую репутацию вы хотите создать? Хотите ли вы быть известны как эксперт в конкретной области, инноватор или успешный менеджер?

  3. Кто ваша целевая аудитория? Кого вы хотите привлечь своим брендом? Потенциальные работодатели, инвесторы, коллеги или клиенты?

При  строительстве  сети  сосредоточьтесь  на  предложении  ценности,  а  не  просто  на  поиске  выгод.  Поделитесь  своим  опытом,  помогите  в  проектах  или  оставьте  ценный  отзыв.  Будучи  полезным  и  активным,  вы  создаете  положительное  впечатление,  которое  может  привести  к  более  прочным  профессиональным  отношениям. Посещая отраслевые конференции, семинары и мастер-классы, вы получаете возможность встретить единомышленников. Подготовьте четкую презентацию о своей работе и интересах, чтобы эффективно представить себя.

Сверхзадача: Сделать инженерные услуги доступными, понятными и эффективными для всех, кто нуждается в них, независимо от отрасли и масштаба проекта.

Сверхцель: Стать ведущим партнером по инжинирингу в Беларуси и регионе СНГ, предоставляя комплексные и высококачественные решения, которые способствуют развитию и процветанию производства и бизнеса. Быть надежным союзником в развитии бизнеса, обеспечивая высококачественные услуги и минимизируя риски для заказчиков.

Зачем? Ради чего? Для кого?

Зачем: Реализовать свои профессиональные компетенции и технические знания, считаю инженерные услуги необходимы для развития всех отраслей экономики.

Стать ведущим экспертом в области инжиниринговых услуг, современный рынок требует высококачественных, комплексных и инновационных решений.

Помочь повысить эффективность и инновационность производственных процессов, каждый клиент заслуживает индивидуальный подход и максимальную ценность.

Ради чего:

Ради создания успешных и инновационных проектов, которые бы приносили пользу обществу.

Ради развития и совершенствования инженерных компетенций и технологий.

Ради создания прочной и долгосрочной связи с клиентами, основанной на доверии и взаимовыгодном сотрудничестве.

Для кого:

Для клиентов, нуждающихся в профессиональных инженерных услугах.

Для производственных площадок, нуждающихся в новых клиентах и технической экспертизе.

Для специалистов, которые хотят работать в команде профессионалов и развивать свои навыки.

Ищите возможности для совместной работы над проектами, исследованиями или публикациями. Участвуйте в обсуждениях, задавайте проницательные вопросы и поддерживайте общение с новыми контактами. Главное — помните, что нетворкинг — это улица с двусторонним движением; будьте готовы помочь другим.

Ваш личный бренд должен отражать вашу индивидуальность. Не бойтесь показать свою уникальность и отличительные черты. Работая над своим брендом, стильно оформляйте контент и делитесь своими интересами вне профессиональной сферы. Это поможет создать более близкую связь с вашей аудиторией и сделать ваш образ более запоминающимся.

Присоединение к профессиональным обществам

Вступление в профессиональные общества, такие как сообщество инженеров-механиков, имеет множество преимуществ. Членство открывает доступ к эксклюзивным ресурсам, новостям отрасли и сетевым мероприятиям. Участие в публикациях или комментариях также увеличивает вашу видимость и авторитет. Будьте активны в таких сообществах — это поможет вам наладить контакты с коллегами и продемонстрировать свою приверженность к профессии.

Ценность наставничества

Наставничество играет ключевую роль в профессиональном росте. Общение с более опытными специалистами может помочь вам получить ценные советы и инсайты. Искусственный интеллект может облегчить поиск подходящих наставников и партнеров по нетворкингу, анализируя ваши интересы и карьерные цели. Не стесняйтесь обращаться к тем, кто вдохновляет вас, за советом или поддержкой.

Возможности сотрудничества.

В машиностроении часто возникают уникальные возможности для сотрудничества над проектами. Участвуйте в совместных инициативах, которые могут повысить ваш профессиональный профиль. Платформы, такие как Tenchat, LinkedIn позволяют вам обсуждать совместные проекты и находить партнеров, которые разделяют ваши цели и интересы.

Обмен опытом.

Создавайте контент, который отражает ваш опыт и знания в машиностроении. Делитесь статьями, исследованиями или кейсами, которые могут быть интересны вашей сети. Использование искусственного интеллекта для анализа трендов и интересов вашей аудитории поможет вам создавать актуальный контент. Во взаимодействии с вашим сообществом вы будете укреплять свои связи и продвигать свой профессиональный имидж. Поддерживайте свои знания в актуальном состоянии, чтобы оставаться конкурентоспособными на рынке.

  • Не бойтесь просить помощи: У каждого бывают ситуации, когда нужна поддержка коллег. Не стесняйтесь обращаться за советом или помощью.

  • Будьте готовы помочь: Если у вас есть возможность помочь коллегам, не отказывайте. Это позволит вам укрепить профессиональные связи и заработать уважение.

  • Экспериментируйте:  Не бойтесь пробовать что-то новое, даже если это не совсем в вашей области.

  • Вдохновляйте других: Делитесь своими идеями, историями и опытом, чтобы вдохновить других специалистов.

  • Лидерские качества: Способность вести за собой команду, мотивировать коллег и принимать ответственные решения - важные качества для успешной карьеры в машиностроении.

  • Предпринимательские качества: Не бойтесь брать на себя риски, создавать новые проекты и развивать собственные бизнес-идеи.

  • Профессиональное портфолио: Создайте профессиональное портфолио, демонстрирующее ваши проекты, публикации и вклад в область машиностроения. Создайте профессиональный сайт или портфолио, где вы можете представить свои работы, навыки и достижения.

  • Блог: Ведите блог по темам, которые вас интересуют, и делитесь своим опытом и мыслями.

Важно помнить, что построение прочных связей требует времени и усилий. Не ожидайте немедленных результатов; посвятите время взаимоотношениям, и они принесут плоды. Участвуйте в мероприятиях, проявляйте инициативу и открыто делитесь своими идеями и взглядами. Также помните о важности обратной связи: прислушивайтесь к мнению коллег и клиентов, чтобы улучшать свои навыки и подходы.

Создание прочных профессиональных отношений в машиностроительной отрасли — это многогранный процесс, требующий активного участия. Следуйте этим рекомендациям, чтобы установить ценные связи, способствующие вашему карьерному росту и успеху в машиностроении.

Показать полностью 1
5

Как сделать чертежи более читабельными и понятными: путеводитель для инженеров

Чертежи - это язык инженеров, архитекторов и дизайнеров. От их ясности и информативности зависит успешность любого проекта. К сожалению, многие чертежи страдают от перегруженности, неочевидных обозначений и не всегда наглядной подачи информации. В результате, даже опытные специалисты могут столкнуться с трудностями при их прочтении и понимании.

Как же сделать чертежи более читабельными и понятными? Давайте разберемся в ключевых моментах.

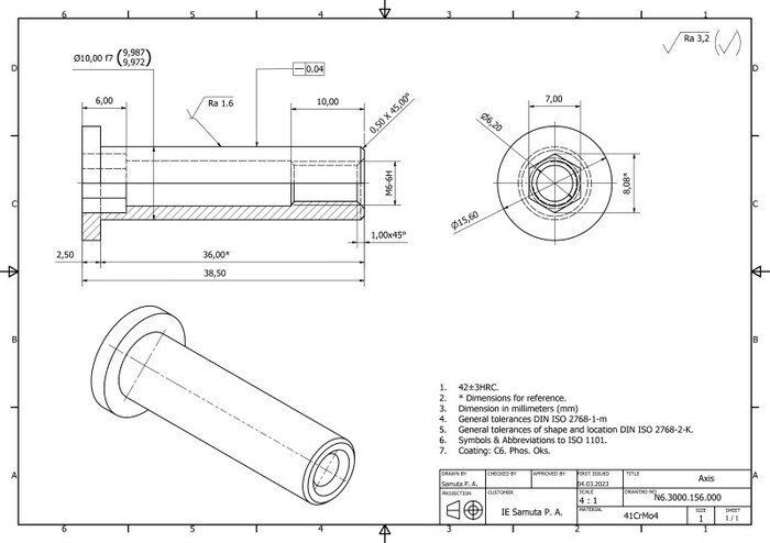
Чертеж Ось стандарт ISO

Чертеж Ось стандарт ISO

Соблюдайте стандарты оформления ЕСКД, ISO или другой требуемый (Единая система конструкторской документации): Следуйте стандартам ЕСКД, которые устанавливают правила оформления чертежей, такие как размеры листов, шрифты, масштабы, линии, обозначения и т.д. Это обеспечивает последовательность и единообразие, облегчая чтение.

Продумайте компоновку:

  1. Расположение деталей: Размещение детали на чертеже должно быть логичным и учитывать характер обработки, наглядность и удобство нанесения размеров. Например, детали, которые изготавливаются на станках, обычно показывают в том положении, в котором они закрепляются на станке.

  2. Виды, разрезы, сечения: Располагайте их так, чтобы они были наглядными и логически связаны между собой. Используйте достаточное пространство между элементами.

  3. Главное изображение: Главное изображение должно давать наибольшее представление о форме детали. Как правило, выбирают вид спереди с полным или частичным разрезом.

Выбирайте оптимальный масштаб ГОСТ 2.302-68: Используйте стандартные масштабы, которые позволят детально отобразить все необходимые элементы, но не перегружать чертеж.

Используйте графические объекты и символы.

  1. Стандартные элементы: Используйте стандартные графические объекты и символы для обозначения различных элементов.

  2. Размеры: По возможности выносите размеры за пределы детали.

  3. Условности и упрощения: Применяйте условности и упрощения, которые не искажают суть конструкции.

Делайте надписи четкими и лаконичными.

Технические требования: Содержательные и четкие технические требования, соответствующие ГОСТ 2.316.

Надписи: Используйте стандартные шрифты с достаточной высотой (ГОСТ 2.304), четкие и лаконичные текстовые надписи и таблицы.

Разделение на листы: Если чертеж слишком объемный, разделите его на несколько листов. Не пытайтесь уместить на одном листе слишком много деталей и видов.

Проверяйте свой чертеж.

  1. Взгляд со стороны: Попросите кого-нибудь, кто не знаком с проектом, посмотреть на чертеж.

  2. Ясность: Проверьте, все ли элементы на чертеже понятны и легко читаются.

Цель чертежа - передать информацию ясно и точно.

Следуйте стандартам и используйте все доступные средства для создания читабельных и понятных чертежей.

Следуя этим рекомендациям, вы сможете создавать качественные чертежи, которые легко читаются и понимаются, что, в свою очередь, обеспечит более эффективную коммуникацию и успешную реализацию ваших проектов.

Показать полностью 1
3

Дискуссия | Синее ведро и 15 лет опыта

Инженер Иван сидел на собеседовании в компании, которая производила синие ведра. 15 лет опыта инженера-конструктора в энергетике, с блестящим послужным списком, спроектированными котлов и оптимизированными системы подачи топлива - все это бледнело перед вопросом HR-специалиста: "А у вас есть опыт в производстве синих ведер?"

Дискуссия | Синее ведро и 15 лет опыта

Иван ответил честно: "Нет, но я быстро учусь и уверен, что смогу быстро вникнуть в процесс". HR-специалист улыбнулась: "Мы понимаем, что вам придется обучаться, и зарплата будет соответствовать опыту стажера".

Иван вышел с собеседования огорченный. Его профессионализм, его знания и опыт не имели никакого значения. Все решала способность делать синие ведра.

Но Иван не был человеком, который сдавался легко. Хотя такое не у всех получается. Он решил посмотреть на ситуацию с другой стороны. Он задумался: "А что на самом деле делает инженер-конструктор в производстве синих ведер?"

Он начал изучать технологию производства синих ведер, рассматривать конкурентные продукты и искать возможности улучшения. Через неделю он пришел к HR-специалисту с конкретным планом по совершенствованию процесса производства. Он предложил использовать новые материалы, чтобы сделать ведра более прочными и долговечными. Он предложил внедрить систему автоматизации для ускорения процесса производства.

HR-специалист была поражена. Она не ожидала такой активности от "простого по ее мнению" кандидата на должность инженера контструктора конторы "Синие ведра". Иван получил должность не только с увеличенной зарплатой, но и с возможностью развития в компании.

Эта история учит нас тому, что не всегда нужно сдаваться, когда нас сравнивают с пустым синим ведром. Важно проявлять инициативу, показывать свой профессионализм и искать возможности развития, независимо от нашего предыдущего опыта. Иногда то, что кажется незначительным, может стать ключом к успеху.

"У вас нет опыта в изготовлении синих ведер? Значит, придется обучать, а зарплата будет как у стажера."

Серьезно? 🤯

Опыт - это не только умение работать с конкретным инструментом или продуктом. Это способность решать задачи, анализировать ситуации, применять знания, учиться новому.

15 лет опыта в энергетике - это огромный багаж знаний, которые можно легко адаптировать к новой сфере.

Если вы, HR-специалист, ищете сотрудника, который быстро освоит производство синих ведер, посмотрите на опыт, навыки и уровень интеллекта кандидата. Не фокусируйтесь на узкой специализации.

Помните, что знания и опыт - это ценный актив, который можно использовать в разных областях. Не оценивайте человека по синему ведру.

По опыту инженеры конструкторы часто ли вас под таким предлогом не звали на собеседование.

Показать полностью 1
4

Дискуссия | От чертежной доски к креслу начальника: путь инженера в реальности1

"Многие ли начальники бюро сами прошли инженерный путь?" - вопрос, который будоражит умы многих инженеров, особенно тех, кто уже успел проработать в этой сфере не один год.

Дискуссия | От чертежной доски к креслу начальника: путь инженера в реальности

Обычно,  в нашей голове рисуется образ инженера-героя,  прошедшего через тернии чертежных головоломок, с достойным портфолио,  завоевавшего авторитет своими знаниями и умениями,  и  в итоге,  заслужившего кресло  начальника.

Но реальность,  как  часто  бывает,  более  прозаична.  

"Хочешь быть начальником? Иди в инженеры!" -  говорят одни. "Не вздумай! Только нервы потреплешь!" - предостерегают другие. Так кто же прав?

Мы  видим  два  типа  начальников  бюро:  

1. "Старая гвардия":  Инженеры  с  огромным  опытом,  прошедшие  через  все  ступени  карьерной  лестницы.  С  ними  можно  поговорить  о  любой  технической  задаче,  они  могут  дать  ценный  совет,  и,  что  важно,  они  действительно  "болеют"  за  дело.  

2. "Новые лидеры":  Менеджеры  с  более  поверхностными  знаниями  в  инженерии,  но  с  сильными  административными  навыками.  Они  хорошо  управляют  персоналом,  но  не  всегда  могут  глубоко  понять  технические  нюансы  проекта.  

В советское время на государственных предприятиях существовала четкая градация конструкторов по категориям: от специалистов без категории до ведущих и главных инженеров. Вспомним классическую иерархию: от "без категории" до "генерального".  Система, устоявшаяся ещё в советское время,  подчеркивала важность  опыта и  постепенного  роста.

А как обстоят дела с системой категоризации инженеров, но работала ли она?  В  советское  время  она  казалась  строгой  и  справедливой,  но  соответствует ли она  реалиям  современного  производства?  В эпоху стремительных технологических изменений, как выглядит  путь инженера? И действительно ли он может привести к управленческим вершинам без "блата" и "покровительства"?

Вопрос  опытному  инженеру  30+:  Реально  ли  сегодня  пройти  путь  от  простого  инженера  до  ведущего,  опираясь  только  на  свои  знания  и  упорный  труд?  

Многие  скажут,  что  связи  и  административный  ресурс  играют  немаловажную  роль  в  продвижении  по  карьерной  лестнице.  Но  может  быть,  есть  и  другие  факторы,  которые  помогают  "выбиться  в  люди"?

Очевидно, что для успешного развития инженерной сферы необходимы не только профессиональные знания, но и эффективные системы поддержки талантов, управление кадрами, создание благоприятных условий для профессионального роста.

Задумайтесь над этим вопросом!

Опрос:  Давайте  поделимся  своим  опытом.  Как  вы  считаете,  сколько  процентов  начальников  бюро  действительно  прошли  путь  от  инженера  до  ведущего?  Какие  факторы  помогают  достичь  успеха  в  карьере  инженера?

Отвечая на этот вопрос, прошу учесть следующие факторы:

  1. Уровень конкуренции в инженерной сфере

  2. Наличие возможностей для профессионального роста внутри компании

  3. Роль современных технологий в повышении квалификации

  4. Востребованность специалистов с богатым практическим опытом

Ваше мнение поможет лучше понять, соответствуют ли традиционные подходы к управлению инженерными подразделениями современным потребностям производства.

  1. Как  изменить  традиционную  иерархическую  систему,  чтобы  она  отвечала  современным  требованиям?

  2. Какие  качества  наряду  с  инженерными  знаниями  важны  для  успешной  карьеры  в  конструировании?

  3. Каким  образом  можно  поощрять  и  поддерживать  молодых  инженеров,  чтобы  они  стремились  к  росту  и  развитию?

В  этом  опросе  мы  ищем  ответы  от  опытных  инженеров,  кто  прошёл  путь  от  "без  категории"  до  "ведущего"!  Поделитесь  своим  опытом,  расскажите  о  препятствиях  и  успехах!

P. S. В мире, где новости бьют по мозгам, как град по стеклу, и где каждый день рождается новая "истина", легко потеряться в тумане. Тумане незнания, тумане полуправды, тумане бесконечных споров. Но есть темы, что прячутся в глубине этого тумана, важные, но не яркие, не громкие. О них редко говорят, их забывают, и от этого они становятся еще важнее.

Одна из таких тем - нехватка инженеров. Мы все зависим от техники, от мостов и дорог, от компьютеров и телефонов. Но кто их создает? Кто делает нашу жизнь комфортной? Инженеры. И их не хватает.

СМИ любят сенсации, а не спокойные и важные проблемы. Поэтому инженеры остаются в тени, их труд не виден. А ведь от них зависит будущее.

Я не хочу утверждать, что моё мнение единственно правильное. Я хочу услышать другие голоса, другие мнения. В диалоге рождается истина, и только вместе мы сможем рассеять туман и увидеть то, что на самом деле важно.

Ваше  мнение  важно!  Спасибо.

Показать полностью 1

Зачем читать чертежи деталей: курс для бизнесменов и политиков

Мой пост кто блокировал, я здесь ничего не продаю, здесь нет ссылок. Как в фильме « Свободу Юрию Деточкину!» Это мое мнение, я здесь его выражаю.

В современном мире, где инновации и технологии стремительно развиваются, понимание основ инженерии становится важным не только для специалистов, но и для широкой аудитории: бизнесменов, политиков и руководителей. Чтение чертежей деталей — это один из ключевых навыков, который может привести к более глубокому пониманию производственных процессов и, как следствие, успешному управлению бизнесом и формированию адекватной политики в области промышленности. Между тем, именно инженерные знания и, в частности, умение читать чертежи, остаются ключом к успеху в производстве, а значит, и к экономическому росту.

Представьте себе: бизнесмен, неспособный понять чертеж детали,  не может оценить качество изделия, срок службы,  стоимость производства. Политик, не знающий, как устроен  собираемый  автомобиль,  не в состоянии принимать решения о  поддержке  отечественной  промышленности.

Зачем читать чертежи деталей: курс для бизнесменов и политиков

Зачем бизнесменам и политикам понимать чертежи

Каждый  чертеж  – это  результат  глубокого  анализа,  творческого  подхода  и  неустанного  поиска  оптимального  решения.  Чертежи  деталей  могут  изменять  мир,  делая  его  более  эффективным,  безопасным  и  удобным.

Чертежи являются визуальным языком, который передает идеи, концепции и детали о производимых объектах. Для бизнесменов понимание чертежей позволяет:

  1. Позвысить уровень коммуникации — кросс-дисциплинарные команды, состоящие из инженеров и бизнесменов, могут более эффективно взаимодействовать, если обе стороны владеют основами проектирования.

  1. Оптимизировать процессы — принимая участие в проектировании и внедрении новых продуктов, бизнесмены могут внести ценные идеи по улучшению и оптимизации производственных процессов и материалов.

  2. Улучшить финансовые показатели — более глубокое понимание затрат на производство и материаловедения позволяет более точно оценивать экономические риски и возможности.

В  мире,  где  господствуют  цифровые  технологии,  может  казаться,  что  традиционные  чертежи  уже  устарели.  Однако,  инвестиции  в  инженерные  кадры  и  развитие  производства  остаются  ключевым  фактором  экономического  развития.

Современное  производство  не  может  обойтись  без  чертежей.  Они  обеспечивают  точность  изготовления,  контроль  качества  и  создают  условия  для  эффективной  работы  целых  производственных  цепочек.  Инвестиции  в  инженерно-механическое  образование  – это  инвестиции  в  будущее.

Для политиков же знание основ проектирования и чтения чертежей может помочь в разработке более эффективных решений на уровне государственной и региональной политики. Политики, обладающие знаниями о производственных процессах, могут:

  1. Поддерживать индустрию — разрабатывая программы финансирования или налогообложения, основанные на реальных потребностях и особенностях производства.

  2. Содействовать инновациям — формируя политику, направленную на поддержку исследований и разработок.

  3. Снижать барьеры — упрощая законодательные и нормативные процессы, чтобы бизнесу было легче работать и внедрять новые технологии.

Программа курса

Курс по чтению чертежей для бизнесменов и политиков должен быть построен на интерактивных образовательных методах с акцентом на практические задания. Вот некоторые ключевые темы, которые следует рассмотреть:

  1. Основы черчения и обозначения — изучение символов, обозначений и стандартов, таких как ГОСТ, что позволит участникам понять, как читать и интерпретировать чертежи.

  2. Типы чертежей — знакомство с различными видами чертежей: конструкционными, технологическими, электрическими и др., что дает относительное представление о сложности процесса проектирования.

  3. Чтение и интерпретация чертежей — практические занятия по анализу конкретных примеров, что помогает наладить связь между визуальными изображениями и реальными объектами.

  4. Взаимодействие между различными подразделениями — как различные области бизнеса (R&D, маркетинг, производство) влияют на конечный продукт и взаимосвязь с чертежами.

  5. Кейс-стадии успешных компаний — разбор реальных историй из практики, где понимание чертежей или недостаток таких знаний сыграли важную роль.

Курс по чтению чертежей деталей открывает новые горизонты для бизнесменов и политиков, позволяя им стать более компетентными в вопросах производства и инженерии. В условиях глобальной конкурентоспособности и стремительных технологических изменений, понимание основ проектирования становится ключевым фактором успеха в бизнесе и эффективной политики. Инвестиции в образование в этой области принесут значительные дивиденды как для отдельных специалистов, так и для организации в целом. Таким образом, знание чертежей — это не просто технический навык, а стратегическое преимущество в современном мире.

Чертежи  деталей  – это  не  просто  линии  и  цифры,  а  фундамент  экономического  роста,  творчества  и  глобального  сотрудничества.  Пришло  время  вновь  оценить  важность  инженерных  знаний  и  понять,  что  чертежи  деталей  – это  не  устаревшая  система,  а  мощный  инструмент  для  изменения  мира.

В мире, где информация течёт рекой, а правда часто тонет в потоке слухов, важно найти место для диалога. Я верю, что темы блога - это не просто слова, а искры, способные зажечь огонь обсуждения, пролить свет на актуальные вопросы нашего времени.

Приглашаю вас к диалогу! Давайте вместе рассеем туман сомнений и найдём ответы на самые важные вопросы нашего времени. Ваше мнение ценно, ваша мысль - искра, которая может зажечь новый огонь понимания.

Оставьте комментарий, поделитесь своей точкой зрения, и вместе мы сделаем мир чуть ярче, чуть мудрее.

Показать полностью 1
4

Быть впереди или оставаться аутсайдером | Реверс-инжиниринг: Не воровство, а стимул к прогрессу

Многие считают реверс-инжиниринг чем-то недопустимым, словно кражей чужих идей. Однако это не так. Реверс-инжиниринг - это не просто копирование, а глубокий анализ и понимание технологий. Именно он позволяет овладеть знаниями, которые в последствии могут быть использованы для создания собственных уникальных продуктов и технологий.

Откройте глаза на реальность и факты, важно развеять миф, что инженеры других стран сами все придумывают. Во многих случаях они используют существующие идеи и адаптируют их под нужды своей страны. Это абсолютно нормальная практика технологического развития.

Подъем ведущих промышленных держав - это не только история инноваций, но и история тайных операций, корпоративных войн и скрытого заимствования технологий.

Почему смотреть чужие идеи не плохо, а даже необходимо

• Ускорение развития: Реверс-инжиниринг позволяет "сэкономить время", изучая уже существующие решения, вместо того чтобы изобретать "велосипед" заново. Это дает возможность быстрее внедрять новые технологии и создавать конкурентоспособные продукты.

• Понимание технологий: Разборка и изучение продукта позволяет глубоко понять его принцип работы, используемые материалы и технологии. Это знания, которые можно использовать для создания собственных усовершенствованных версий или совершенно новых решений.

• Стимул к инновациям: Изучая чужие разработки, инженеры получают вдохновение для создания собственных, более эффективных и усовершенствованных решений. Это может стать толчком к прорывам в технологиях и к созданию конкурентоспособных продуктов.

Китай - пример успешного использования реверс-инжиниринга.

Китай успешно испытал суперпоезд на магнитной подушке со скоростью 1000 км/ч!

Китай успешно испытал суперпоезд на магнитной подушке со скоростью 1000 км/ч!

Например недавние испытания в провинции Шаньси продемонстрировали невероятные возможности нового транспортного решения — поезда, который передвигается по специально построенному вакуумному трубопроводу с помощью технологии магнитной левитации. Этот проект не только подчеркивает выдающиеся достижения Китая в области высокоскоростного железнодорожного транспорта, но и открывает новые горизонты для будущего транспортной инфраструктуры.

Китай уже давно является мировым лидером по высокоскоростным поездам (ВСП), и на сегодняшний день гордится протяжённостью железнодорожных линий ВСП более 50 тысяч километров — это около 70% всех высокоскоростных линий в мире! Впечатляющее инвестирование в размере 100 миллиардов долларов в прошедшем году подтверждает намерение продолжать развивать эту сферу.

Сейчас уже разрабатываются поезда, способные развивать скорость 500-600 км/ч, а теперь мы станем свидетелями появления маглева*, который преодолевает барьер в 1000 км/ч.

*Маглев - это тип поезда, который не касается рельсов, а движется за счет магнитной левитации.

В СССР в 1970-х годах были проведены эксперименты по созданию маглев-системы. В Гомеле (Белоруссия) была создана тележка, которая держалась над стендом на магнитах, а в Раменском (Россия) была построена испытательная эстакада для вагонов на магнитной подвеске.

В 1980-х годах в Армении началось строительство первой магнитной железной дороги, но проект был заморожен из-за землетрясения и военных событий. Предполагалось, что поезда на магнитной подушке смогут развивать скорость до 250 км/ч.


Нет предела совершенству, и Китай продолжает задавать темпы в области транспортных технологий! Мы живем в удивительное время, когда инновации делают наше будущее всё более доступным и быстрым. Какие еще достижения нас ждут впереди?

Такой впечатляющий результат стал возможен не только благодаря наличию дешевой рабочей силы*, но и масштабной программе реверс-инжиниринга, проводимой китайским правительством.

Китай активно применял реверс-инжиниринг в 1980-х и 1990-х годах, копируя западные технологии и быстро осваивая производство товаров широкого потребления.

Изучая и совершенствуя чужие идеи, китайские инженеры создали собственную прочную промышленную базу. Например, Китайская компания Huawei стала крупнейшим в мире производителем телекоммуникационного оборудования, во многом благодаря анализу технологий западных компаний, таких как Cisco и Alcatel-Lucent.

Китай  не  "воровал"  технологии,  а  изучал  их,  анализировал  и  использовал  полученные  знания  для  создания  собственных  продуктов  и  технологий.

Сейчас имеет престижные университеты:

  1. Tsinghua University:  Один из ведущих университетов Китая,  известен  своим  инженерным  факультетом,  выпускающим  инженеров  для  ведущих  китайских  корпораций.

  2. Peking University:  Другой  ведущий  университет,  известен  своей  сильной  научно-исследовательской  деятельностью  в  области  инженерных  наук.

  3. Shanghai Jiao Tong University:  Известен  своим  инженерным  факультетом,  выпускающим  инженеров  для  отраслей  машиностроения,  авиации  и  космонавтики.

Миф о том, что китайские инженеры "сами все придумали"  неверен.  Китай  усвоил  передовой  опыт,  провел  свою  работу  по  его  анализу  и  развитию,  что  позволило  стране  стать  лидером  в  промышленном  производстве.

Китай:  от  "Made in China"  до  "Created in China"

В  начале  XX  века  Китай  был  аграрной  страной.  Но  в  1978  году  реформы  Дэн  Сяопина  запустили  промышленную  революцию.  Стратегия  "открытой  двери"  привлекла  иностранные  инвестиции  и  технологии.  Китай  изучал  и  анализировал  продукцию  ведущих  стран,  внедряя  реверс-инжиниринг  как  ключевую  стратегию.  Это  позволило  быстро  развивать  собственные  отрасли:  металлургию,  машиностроение,  электронику.

Корпоративная разведка:  Китайские корпорации  покупали  западные компании,  нанимали  иностранных инженеров  и  заключали контракты  на  передачу технологий.  

Стратегия найма:  Китайские компании  предлагали  высокие зарплаты,  предоставляли  жилье,  премии  и  другие  льготы,  чтобы  привлечь  квалифицированных  инженеров  из  США,  Европы,  Японии  и  других  стран.

Шпионские операции:  Китайское  государство  активно использовало  шпионские сети  для  получения доступа  к  конфиденциальной информации  западных компаний.

Статистика подтверждает:

Китай - лидер по  объему промышленного производства (28.4% мирового показателя).

США на втором месте с 18.4%.

Индия,  занимающая  шестое  место,  имеет  3%  мирового  объема  промышленного  производства.

Почему Китай так успешен?

• Активное использование реверс-инжиниринга: Китай успешно изучает и анализирует чужие технологии, чтобы быстро включиться в мировую конкуренцию и развить собственное производство.

• Инвестиции в исследования и разработки: Китай вкладывает значительные средства в науку и технологии, что позволяет ему быстро осваивать новые технологии и создавать собственные инновации.

• Развитие производственных мощностей: Китай обладает огромными производственными мощностями, что позволяет ему быстро масштабировать производство и предлагать конкурентоспособные цены.

Ведущие промышленные игроки

Рассмотрим подробнее ведущих промышленных игроков на глобальной арене:

10. Мексика

Развита  металлургия,  машиностроение,  химия  и  нефтехимия,  пищевая  промышленность.  Мексика  успешно  развивает  промышленность,  опираясь  на  богатые  природные  ресурсы  и  выгодное  географическое  положение. Мексика активно использует реверс-инжиниринг  для  копирования технологий и  быстрого освоения производства. Мексика  менее  активно  переманивала  инженеров  из  других  стран.

Престижные университеты:

  1. Instituto Politécnico Nacional (IPN):  Один  из  ведущих  технических  университетов  Мексики,  известен  своими  программами  в  области  инженерных  наук,  в  том  числе  машиностроения,  электроники  и  компьютерных  наук.

  2. Universidad Nacional Autónoma de México (UNAM):  Один  из  ведущих  университетов  Мексики,  известен  своими  программами  в  области  инженерных  наук,  в  том  числе  машиностроения,  компьютерных  наук  и  энергетики.

9. Великобритания

Исторический  лидер  в  промышленности,  развита  нефтепереработка,  химия,  металлургия,  машиностроение,  электротехника,  легкая  промышленность.  Великобритания  известна  своим  вкладом  в  развитие  инженерного  дела  и  промышленности,  являясь  родоначальником  многих  технологических  инноваций. Великобритания  использует реверс-инжиниринг  для  анализа и  совершенствования технологий в  различных  отраслях.

Инновационные центры:  Великобритания  развивала  инновационные  центры  и  предлагала  преимущества  иностранным  инженерам,  чтобы  привлечь  их  к  работе  в  стране.

Престижные университеты:

  1. University of Cambridge:  Один  из  ведущих  университетов  мира,  известен  своими  программами  в  области  инженерных  наук,  в  том  числе  машиностроения,  компьютерных  наук  и  аэрокосмической  техники.

  2. University of Oxford:  Другой  ведущий  университет,  известен  своими  программами  в  области  инженерных  наук,  в  том  числе  машиностроения,  компьютерных  наук  и  материаловедения.

  3. Imperial College London:  Специализируется  на  инженерных  наук,  выпускает  инженеров  для  отраслей  машиностроения,  компьютерных  наук  и  медицины.

8. Франция

Мировой  лидер  в  химии  и  нефтехимии,  также  развиты  машиностроение,  электротехника,  легкая  и  пищевая  промышленность.  Франция  обладает  богатой  историей  в  инженерном  деле  и  промышленности,  используя  инновационные  подходы  и  вкладываясь  в  исследования  и  разработки.  Франция  использует реверс-инжиниринг для  анализа и  совершенствования технологий в  аэрокосмической,  оборонной и  атомной отраслях.

Шпионаж:  Франция  использует  реверс-инжиниринг  и  покупку лицензий,  чтобы  освоить  западные технологии.

Корпоративная разведка:  Французские компании  заключают контракты  с  западными компаниями  на  совместные разработки,  заимствуя  технологии  и  обучаясь  их  применению.

Научные институты:  Французские  научные  институты  предлагали  стипендии  и  преимущества  иностранным  ученым  и  инженерам,  что  приводило  к  притоку  талантов.

Престижные университеты:

  1. École Polytechnique:  Один  из  ведущих  технических  университетов  Франции,  известен  своими  программами  в  области  инженерных  наук,  в  том  числе  машиностроения,  аэрокосмической  техники  и  компьютерных  наук.

  2. École Centrale Paris:  Известен  своими  программами  в  области  машиностроения,  аэрокосмической  техники  и  энергетики.

  3. Mines ParisTech:  Специализируется  на  горном  деле  и  инженерных  наук,  выпускает  инженеров  для  отраслей  машиностроения,  энергетики  и  информационных  технологий.

7. Италия

Италия является законодателем моды во всем мире. Помимо модной индустрии, в стране хорошо развита автомобильная промышленность. :  Италия  использует реверс-инжиниринг для  анализа и  совершенствования технологий в области дизайна и  производства. Италия  известна  своим  стилем  и  творческим  подходом  к  производству.

Корпоративная разведка:  Итальянские компании  заключают контракты  с  западными компаниями  на  совместные разработки,  заимствуя  технологии  и  обучаясь  их  применению.

Специализация:  Итальянская  промышленность  фокусировалась  на  специфических  отраслях,  таких  как  мода,  дизайн  и  автомобилестроение,  что  приводило  к  переманиванию  специалистов  из  этих  отраслей.

Престижные университеты:

  1. Politecnico di Milano:  Один  из  ведущих  технических  университетов  Италии,  известен  своими  программами  в  области  машиностроения,  автомобилестроения  и  архитектуры.

  2. Politecnico di Torino:  Известен  своими  программами  в  области  автомобилестроения,  аэрокосмической  техники  и  инженерных  наук.

6. Индия

Индия является одним из мировых лидеров в развитии тяжелой промышленности. Здесь успешно функционируют горнодобывающая промышленность, обрабатывающая промышленность, а также энергетический сектор. Индия  использует реверс-инжиниринг для  копирования технологий и  быстрого освоения производства. Факторы успеха:  Большая рабочая сила,  быстрый рост экономики.  Но  Индия  также  заимствует  технологии.

IT-сектор:  Индийский  IT-сектор  предлагал  высокие  зарплаты  и  возможности  для  профессионального  роста,  что  привлекало  иностранных  инженеров,  особенно  из  Великобритании.

Престижные университеты:

  1. Indian Institute of Technology (IIT):  Система  из  23  институтов,  известных  своими  программами  в  области  инженерных  наук,  в  том  числе  машиностроения,  компьютерных  наук  и  электроники.

  2. Indian Institute of Science (IISc):  Известен  своими  программами  в  области  инженерных  наук,  в  том  числе  аэрокосмической  техники,  машиностроения  и  компьютерных  наук.

5. Южная Корея:  экономический скачок на крыльях технологий

В  XX  веке  Южная  Корея  была  относительно  бедной  страной.  Однако,  благодаря  стратегии  государственного  развития  "Чудо  на  Реке  Хан",  страна  сделала  экономический  скачок.  Фокус  был  на  развитии  высокотехнологических  отраслей,  таких  как  электроника,  судостроение,  автомобилестроение.  Южная Корея  использует реверс-инжиниринг,  чтобы  быстро осваивать новые технологии и  конкурировать на международном рынке. Сегодня  Южная  Корея  -  один  из  лидеров  в  производстве  памяти  для  компьютеров  и  смартфонов,  а  ее  автомобильная  промышленность  набирает  все  большую  популярность.

Стипендии и льготы:  Южнокорейское  правительство  предлагало  стипендии  и  льготы  иностранным  студентам,  чтобы  привлечь  их  в  корейские  университеты  и  затем  удержать  их  в  стране.

Престижные университеты:

  1. Seoul National University (SNU):  Один  из  ведущих  университетов  Южной  Кореи,  известен  своими  программами  в  области  инженерных  наук,  в  том  числе  машиностроения,  электроники  и  компьютерных  наук.

  2. Korea Advanced Institute of Science and Technology (KAIST):  Специализируется  на  инженерном  деле  и технологиях,  выпускает  инженеров  для  отраслей  машиностроения,  электроники  и  аэрокосмической  техники.

  3. Pohang University of Science and Technology (POSTECH):  Известен  своими  программами  в  области  машиностроения,  математики  и  физики.

4. Германия:  инженерное мастерство и надежность

Германия  имеет  длинную  историю  промышленного  развития.  Еще  в  XIX  веке  страна  стала  лидером  в  производстве  стали,  машин  и  химической  продукции.  Качество  немецкой  продукции  всегда  было  синoнимом  надежности.  Сегодня  Германия  лидирует  в  производстве  автомобилей,  машиностроении,  химической  и  фармацевтической  отраслях.

Шпионаж:  Германия  использовала  шпионаж  во время холодной войны,  нацеливая свои усилия на  Советский Союз  и  Восточную Европу.  

Корпоративная разведка:  Германские компании  заключали контракты  с  западными компаниями  на  совместные разработки,  заимствуя  технологии  и  обучаясь  их  применению.

Программы обмена:  Германия  развивала  программы  обмена  студентами  и  инженерами,  что  позволяло  ей  получить  доступ  к  талантам  из  других  стран.

Престижные университеты:

  1. Technische Universität München (TUM):  Один  из  ведущих  технических  университетов  Германии,  известен  своими  программами  в  области  машиностроения,  аэрокосмической  техники  и  компьютерных  наук.

  2. RWTH Aachen University:  Известен  своими  программами  в  области  машиностроения,  автомобилестроения  и  энергетики.

  3. Karlsruhe Institute of Technology (KIT):  Известен  своими  программами  в  области  информационных  технологий,  машиностроения  и  энергетики.

В послевоенный период Германия активно использовала реверс инжиниринг для изучения и копирования передовых технологий своих основных конкурентов - США и Великобритании. Это позволило немецким инженерам быстро восстановить разрушенную войной промышленность и вывести ее на новый уровень.  В течение многих лет Германия занималась активным промышленным шпионажем, в том числе в отношении США и Японии. Немецкие инженеры активно изучали и анализировали передовые технологии из-за рубежа, адаптируя и совершенствуя их для нужд национальной экономики. Благодаря этому Германия смогла занять лидирующие позиции в ключевых наукоемких отраслях.

3. Япония:  восхождение от руин к технологическому лидеру

Япония, после разрушительной Второй мировой войны,  заново отстроила свою экономику.  Приоритет был отдан развитию тяжелой промышленности,  машиностроения  и  электроники.  Японские компании, такие как Sony,  Toyota,  Panasonic,  стали мировыми лидерами в своих отраслях.  Япония также известна своим  высоким  уровнем  качества  и  инноваций.

Корпоративная разведка:  Японские компании  заключали контракты  с  западными компаниями  на  производство  их  продукции,  заимствуя  технологии  и  обучаясь  их  применению.

Обучение за рубежом:  Японские  компании  отправляли  своих  инженеров  на  обучение  в  западные  страны,  чтобы  освоить  новые  технологии  и  набраться  опыта.

Совместные предприятия:  Японские  компании  создавали  совместные  предприятия  с  западными  компаниями,  что  позволяло  им  получить  доступ  к  технологиям  и  нанять  западных  инженеров.

Престижные университеты:

  • University of Tokyo:  Один  из  ведущих  университетов  Японии,  известен  своими  программами  в  области  машиностроения,  электроники  и  компьютерных  наук.

  • Kyoto University:  Известен  своими  программами  в  области  машиностроения,  математики  и  физики.

  • Tokyo Institute of Technology:  Специализируется  на  инженерном  деле,  выпускает  инженеров  для  отраслей  машиностроения,  электроники  и  аэрокосмической  техники.

Япония  активно применяла реверс-инжиниринг в 1950-х и 1960-х годах,  копируя технологии западных компаний и  быстро осваивая производство.  В дальнейшем Япония стала одним из лидеров в области инноваций,  однако реверс-инжиниринг по-прежнему используется для анализа и совершенствования технологий.

2. США:  лидерство, рожденное из инноваций

США всегда были пионерами в промышленной революции. С начала XX века страна стала центром машиностроения, автомобилестроения и авиастроения. Инновационные идеи, такие как массовое производство на конвейере, стали основой американского промышленного успеха.  В 1940-50-е годы США активно изучали и воспроизводили немецкие и японские технологии, что позволило им быстро восстановить промышленность после Второй мировой войны. После Второй мировой войны, США  закрепили свое лидерство в  аэрокосмической, электронной и компьютерной отраслях. На протяжении XX века США активно занимались промышленным шпионажем, стремясь получить доступ к технологиям ведущих европейских стран и Японии.

Корпоративная разведка:  Американские компании  заимствовали  технологии  у европейских и японских конкурентов  через  покупку лицензий,  переманивание инженеров  и  заключение контрактов  на  совместные разработки.

"Мозговой дренаж":  США  привлекали  квалифицированных  инженеров  из  Европы,  Японии  и  других  стран,  обеспечивая  им  лучшие  условия  работы,  высокие  зарплаты  и  возможности  для  профессионального  роста.  

Сильные университеты:  Американские  университеты  предлагали  стипендии  и  преимущества  иностранным  студентам,  что  приводило  к  притоку  талантливых  инженеров,  которые  потом  оставались  в  США  работать.

Престижные университеты:

  1. Massachusetts Institute of Technology (MIT):  Один  из  ведущих  технических  университетов  мира,  известен  своими  программами  в  области  машиностроения,  аэрокосмической  техники  и  компьютерных  наук.

  2. Stanford University:  Известен  своими  инновационными  программами  в  области  компьютерных  наук,  биотехнологий  и  машиностроения.

  3. University of California, Berkeley:  Один  из  ведущих  университетов  США,  известен  своими  программами  в  области  инженерных  наук,  в  том  числе  машиностроения  и  компьютерных  наук.

Секрет успеха американской промышленности кроется в эффективной системе государственно-частного партнерства, активном внедрении инноваций и инвестициях в НИОКР. Применение реверс-инжиниринга также сыграло важную роль в развитии промышленности США. Американские компании и исследовательские центры анализировали передовые зарубежные технологии, адаптируя их под нужды национальной экономики и совершенствуя их.  США активно использовали реверс-инжиниринг в 20 веке, особенно в сфере авиастроения и военной техники.  Однако с развитием собственных инноваций,  реверс-инжиниринг стал менее важным инструментом,  в основном применяясь в контексте судебных разбирательств по вопросам интеллектуальной собственности.

Анализ  инженерного  дела  в  каждой  стране:

Китай:  упор  на  масштабное  производство  с  использованием  реверс-инжиниринга  для  ускоренного  развития.  

США:  ориентация  на  инновации  и  разработки,  формирование  лидерства  в  технологически  сложных  отраслях.  

Япония:  концентрация  на  качестве  и  совершенствовании  продукции,  внедрение  передовых  технологий  и  инноваций.  

Германия:  фокус  на  точных  технологиях,  высоком  качестве  и  надежности  продукции.  

Южная  Корея:  динамичное  развитие  высокотехнологических  отраслей,  инвестиции  в  R&D  и  кадры.

Все  эти  страны  объединяет  одна  ключевая  черта:  они  вкладывают  значительные  средства  в  науку  и  технологии,  развивают  инженерное  образование  и  поддерживают  инновации.  Реверс-инжиниринг  является  одним  из  инструментов,  который  позволяет  ускорить  технологический  прогресс  и  создать  конкурентоспособные  продукты.  

Важно различать реверс-инжиниринг и кражу интеллектуальной собственности. Реверс-инжиниринг является законным, если продукт не защищен патентом или авторским правом. Однако копирование защищенных продуктов без разрешения является нарушением закона.

Нужно беречь и приумножать свои кадры

Российская империя и Советский Союз на протяжении веков породили множество выдающихся личностей, внесших неоценимый вклад в мировую культуру, науку и искусство. Однако, зачастую, эти гениальные умы были вынуждены искать признание и самореализацию за пределами своей родины.

Один из ярких примеров - Игорь Сикорский, создатель первого в мире серийного вертолета. Из-за политической обстановки в России после Октябрьской революции, Сикорский был вынужден эмигрировать в США, где продолжил свои разработки и стал ведущим специалистом в области вертолетостроения.

Другой известный русский эмигрант - Владимир Зворыкин, изобретатель электронного телевидения. После Гражданской войны он также покинул Россию и обосновался в Америке, где его разработки легли в основу современного телевидения.

Русский химик Владимир Ипатьев, проживая в эмиграции в США, изобрел высокооктановый бензин, который позволил значительно повысить скорость и манёвренность самолётов союзников во время Второй мировой войны. Это дало им преимущество над немецкой "Люфтваффе" в воздушных боях.

Инженер-кораблестроитель Владимир Юркевич, белорус по происхождению, после Октябрьской революции оказался за границей. Там он разработал амбициозный проект уникального судна, воплотивший в себе многие передовые конструкторские решения.

Таким образом, многие выдающиеся представители интеллектуальной элиты были вынуждены искать признание и возможности для самореализации далеко за пределами своей родины. Их гениальные идеи и разработки во многом определили прогресс мировой науки, техники и культуры.

История успеха  промышленных  стран  показывает,  что  ключевую  роль  играют  инвестиции  в  науку,  образование,  инновации  и  качество  продукции.  Создание  благоприятной  инвестиционной  среды  и  государственная  поддержка  также  играют  немаловажную  роль.  Каждая  страна  имеет  свой  уникальный  путь  развития,  но  общие  принципы  остаются  едиными.

Показать полностью 2
Отличная работа, все прочитано!