Свежие публикации

Здесь собраны все публикуемые пикабушниками посты без отбора. Самые интересные попадут в Горячее.

20 Января 2021
15

Валенки

Помню как сейчас, были у меня в детстве валенки, теплые, сухие.
Оденет бывало мне их мать на ноги, охуенно, и айда.
Ведет меня она в сад а валенки скрип-скрип по снегу, люди печи затопили с утра, запах угля и дров, мороз, собаки по будкам сидят, перегавкиваются, а мы пиздуем - дела.
В садике кормили хорошо, в полдник коржик с соком давали, а потом я вырос, валенки малы стали, в садик не берут - плохо без валенков.

Валенки
Показать полностью 1
573

Мунтжак: Сбой матрицы. Саблезубый олень, который ест мясо, охотится и лает как собака

Если рассуждать логически, кто более реальный персонаж: рогатый конь или лающий олень, вооруженный вампирскими клыками — ответ будет очевиден. Однако про единорогов мы знаем исключительно из легенд, а вторые, именуемые мунтжаками, вполне себе живут и здравствуют в Юго-Восточной Азии вот уже 60 миллионов лет!

Смотришь на этого оленя и не понимаешь: то ли умиляться, то ли пугаться.

Выглядит наш друг не больно впечатляюще: парнокопытное размером с собаку мало того, что не преуспело в габаритах, так ещё и сутулится как пёс. Виной тому короткие передние ноги и длинные задние — так животине легче метить территорию. Чтобы узаконить клочок земли, мунтжак трётся о неё котелком, и никаких тебе ипотек, долевых строительств и бюрократической волокиты!

Мунтжаки метят территорию не рогами, как нормальные олени, а ГЛАЗАМИ. Возле глаз у них находится железа, выделяющая пахучий секрет.

Но ущербный внешний вид с лихвой компенсируется крутецкими вампирскими клыками! Жути нагоняет и голосок оленя, ведь мунтжак натурально лает — так наш герой отпугивает незваных гостей.

Услышать лай мунтжака в беспросветных азиатских джунглях — поистине жуткое дело.

Саблезубым олень был задолго до того, как это стало мейнстримом в Ледниковый период. Он — один из немногих доисторических млекопитающих, доживший до наших дней. И вот вам пара советов от нашего рогатого гостя, чтобы и ваш вид просуществовал на зависть долго.

Мунтжаки — это целый род, включающий в себя 12 видов.

Во-первых, будь всеядным. Так и организм здоровее будет, и голодать не придётся. Не смотрите на клыки — кровь, по примеру Дракулы, мунтжак, конечно, не пьёт. Зато он — один из немногих оленей, что регулярно ест мясо. Если нет настроения жевать траву, зверь без проблем отфигарит острыми копытцами птичку или рептилию на завтрак! Иногда может и падали поесть, для разнообразия.

Салатик — прекрасная закуска, перед главным блюдом — мясом фотографа.

Во-вторых, много и быстро плодись. К разврату олени готовы круглогодично, хотя, чаще всего, период гона выпадает на январь-февраль. Как ни странно, клыки оленю нужны не в хищнических целях — ими самцы сражаются за самочку.

Для оленя этот парень выглядит уж больно опасно.

Полгода малыш будет мариноваться у самки в пузе. Еще год Бемби проведёт с родительницей. Достигнув полового созревания и обучившись всем жизненным премудростям, дитё покидает мать. Впрочем, никакой драмы. Мунтжаки одиночки по жизни: стадом ходят если только альфачи с гаремом, да и то не всегда.

Выключите ваши мимиметры, иначе они точно взорвутся! Детёныши мунтжака первые дни жизни прячутся в траве, дожидаясь прихода матери. Лишь тогда, когда малыши как следует окрепнут, они начинают следовать за родительницей по пятам.

В-третьих, научись шкериться так, чтобы тебя никто не находил тысячелетиями. Мунтжаки так хорошо маскируются, что большинство видов открыли только в конце прошлого века! И дело тут не в увеличении количества оленей, а в улучшении средств их диагностики.

Моему роду уже 60 миллионов лет, а чего добился ты?

Хотя свой род мунтжаки продолжают с доисторических времён по сей день более, чем успешно. Скажем больше, животины расширяют свои географические рамки, завоёвывая северные земли. Олени несутся галопом по Европам в самом прямом смысле. Так, например, китайский мунтжак успешно оккупирует Англию, а Индийский партизанит в Техасе

Язык у мунтжаков настолько длинный, что с легкостью достает до глаз. Чистку слезных каналов абы кому не доверишь!

Чему учит нас эта история? Неисповедимы пути эволюции. Мунтжаки, жившие 60 миллионов лет назад, могут гордиться своими потомками: мир вокруг них изменился до неузнаваемости, а они — нет. Прямо как УАЗ «буханка»: ибо совершенство в доработках не нуждается.

https://zen.yandex.ru/media/knigajivotih/muntjak-sboi-matric...

Показать полностью 8
23

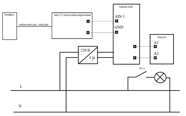
Мягкое пробуждение ранним зимним утром. Самоделка на ардуино

Замечал по себе, что просыпаюсь ранним утром гораздо легче, когда на улице за окном уже светло (в моем регионе с апреля по сентябрь). В зимнее время вставать тяжко, а на будильник порой не сразу реагирую. У меня возникла идея слегка обмануть организм, сымитировав светлое утро. Для этого мне было достаточно настольной лампы, которая бы включалась автоматически за час до пробуждения. Сразу скажу, что результат есть: вставать гораздо легче, даже просыпаюсь до звукового будильника и при этом как будто бы сам по себе. Может у этой задачи есть и готовые решения, но я ничего не искал - иногда полезно поизобретать велосипед)


В качестве установщика времени включения хотелось использовать телефон. В программировании под андройд ничего особо не знаю, и хотелось ограничиться стандартными средствами. Для связи контроллера с телефоном можно использовать звуковой кабель mini jack – minijack. То есть ардуинка будет обрабатывать аналоговый сигнал, возникающий во время звучания звонка будильника телефона и запитывать реле, коммутирующее фазу. Идея заключается в том, чтобы первый в списке будильников был сигнал, который не воспринимается человеческим ухом (т.е <20 Гц или >20 000 Гц). Он включит свет, а потом (примерно через час или 40 мин) прозвонит обычная ваша мелодия, под которую вы привыкли вставать. Таким образом пробуждение происходит более мягко.


Стандартный андройдовский будильник позволяет одновременно вещать звук как через динамик телефона, так и в наушники, поэтому вставленный штекер на заглушит динамик как при прослушивании музыки.


Да простят меня люди, смыслящие в схемотехнике: схема нарисована без всяких правил - только для иллюстрации)

На схеме не уточнял подключение реле, так как можно использовать готовый модуль, а можно щелкать реле через транзистор.


Далее нужно подобрать такой звуковой сигнал, который бы отвечал бы двум требованиям: во-первых, он не должен быть слышен, во-вторых, он должен легко опознаваться, чтобы избежать ложных срабатываний реле. Думаю, будет не очень приятно, если вдруг ночью прозвучит какое-нибудь уведомление и у вас включится свет.


С помощью программы NCH Tone Generator сгенерил синусоиду в 1 Гц и записал её в минутный wav. Низкочастотный сигнал проще обработать и для моей цели отлично подходит.


Можно сравнить через монитор порта, что приходит на аналоговый входе при воспроизведении ключевого сигнала и обычной музыки.

Сама программа простая. Нам нужно посчитать длину полуволны в условных единицах, то есть определить, сколько успеет насчитать счётчик за время пока сигнал больше нуля. Получаемые значения для ключевого сигнала будут на порядки больше и стабильнее, чем для других звуковых сигналов. С помощью плоттера порта можно сравнить: в случае сигнала со стабильным периодом счётчик будет насчитывать каждый раз схожие значения (3500 на графике), в другом случае (включил музыку) значения счётчика не повторяются и они не успевают добраться даже до 100. Таким образом легко отделить наш сигнал от других и исключить ложные срабатывания.

На видео реле срабатывает не мгновенно, так как для надежности в программе несколько раз проверяется длина импульсов

Надеюсь, кому-нибудь окажется полезной эта идея.

Показать полностью 5 1

Купить подписку Grok: рабочие способы оформления и оплаты в 2025 году

Купить подписку Grok в 2025 году стремятся пользователи, которым нужен доступ к продвинутой нейросети с актуальными данными и глубокой аналитикой. Grok активно используется для работы с новостями, анализа информации, генерации текстов и ответов на сложные вопросы, однако без платного тарифа возможности сервиса сильно ограничены. Именно поэтому всё больше людей ищут, как купить подписку Грок с полным функционалом.

Купить подписку Grok в России 2025

Купить подписку Grok в России 2025

При этом для пользователей из России стандартная оплата недоступна, из-за чего возникает логичный вопрос — как оплатить Grok из России и сделать это безопасно. В 2025 году существуют рабочие способы оформления подписки без использования иностранных карт. Чтобы не рисковать аккаунтом и выбрать надёжный вариант, многие ориентируются на подборки от Exnode, где собраны проверенные методы и сервисы, помогающие оплатить Grok и получить доступ к тарифу Super Grok без лишних сложностей.

ТОП сервисов, где можно купить подписку Grok в 2025 году

Пользователи, которые хотят купить подписку Grok, всё чаще сталкиваются с вопросом, как сделать это безопасно. В 2025 году прямые способы оплаты по-прежнему недоступны, поэтому на первый план выходят проверенные посреднические сервисы. Ниже собраны площадки, через которые реально оплатить Грок из России без риска для аккаунта.

1 место: OplataGuru — оплата подписки Grok с фиксированной стоимостью

OplataGuru подойдёт тем, кто хочет оформить подписку Grok по понятной схеме и с заранее известной ценой. Процесс проходит через Telegram-чат с менеджером: вы отправляете заявку, специалист рассчитывает комиссию, предлагает удобный способ оплаты и сопровождает заказ.

OplataGuru

OplataGuru

Оформление строится по простой модели: вы переводите оплату удобным способом, получаете чек, а сервис либо оплачивает подписку Grok за вас, либо выдаёт данные для самостоятельной активации.

Подписку Grok можно оплатить несколькими способами:

  • по логину и паролю,

  • через предоставление удаленного  доступа,

  • по прямой ссылке на оплату,

  • с помощью иностранной банковской карты.

Оплата через Telegram надежна: данные вводятся только в защищённой банковской форме, ссылки защищены шифрованием, а переписка остаётся подтверждением сделки. Такой формат подходит тем, кто ищет простой и надёжный способ оплатить Грок в России без лишних действий.

Способы оплаты: СПБ, МИР, Mastercard,Visa.

Валюта оплаты: RUB.

2 место — inOplata: купить подписку Grok через менеджера в Telegram

inOplata — популярный сервис для тех, кто хочет купить подписку Грок с персональной поддержкой. Оформление происходит через чат с менеджером в Telegram: пользователь сообщает, что хочет просто купить Grok или Super Grok купить, после чего получает расчёт и платёжную ссылку.

inOplata

inOplata

Почему это безопасно:

  • оплата проходит через защищённые платёжные системы;

  • логин и пароль от Grok не требуются;

  • переписка фиксирует все условия покупки и подтверждает, что вы именно оплатили Grok, а не передали доступ третьим лицам.

Способы оплаты: СБП, МИР, Visa, Mastercard

Валюты: RUB

3 место — Пиплбот: купить Grok с автоматическим оформлением

Пиплбот подойдёт тем, кто хочет купить Grok без общения с менеджерами. Оформление происходит в автоматическом режиме: вы оплачиваете заказ и получаете виртуальную карту, с помощью которой выполняется оплата подписки Grok и её последующая активация.

Пиплбот

Пиплбот

Преимущества:

  • быстрый способ оплатить Grok;

  • понятное оформление заказа;

  • простой интерфейс

Способы оплаты: СБП, МИР, Visa, Mastercard

Валюты: RUB

4 место — Плати Легко: купить подписку Grok со скидкой

Плати Легко — сервис для тех, кто хочет купить подписку Grok с поддержкой менеджера и дополнительной выгодой. Оформление происходит через Telegram-чат, где менеджер помогает правильно оплатить Grok и отвечает на вопросы по активации.

Плати Легко

Плати Легко

Почему формат надёжен:

  • оплата проводится через официальные платёжные шлюзы;

  • нет передачи данных от аккаунта;

  • пользователь получает подтверждение покупки.

Дополнительно действует скидка 10% по промокоду EXNODE, что особенно актуально для тех, кто планирует Super Grok купить выгодно.

Способы оплаты: СБП, МИР, Visa

Валюты: RUB, USD

5 место: Playerok — покупка подписки Grok через маркетплейс предложений

Playerok — маркетплейс цифровых товаров, где можно купить подписку Grok от разных продавцов. Платформа удобна тем, что позволяет сравнить условия, стоимость и рейтинг продавцов перед покупкой. Это хороший вариант для тех, кто хочет подобрать оптимальную цену и формат активации.

Playerok

Playerok

Процесс покупки стандартный: пользователь выбирает подходящее предложение на Grok, оплачивает заказ и получает доступ либо инструкции по активации подписки. Благодаря большому количеству продавцов Playerok часто используют для поиска альтернативных вариантов оплаты Grok.

Способы оплаты: СПБ, МИР, Visa, Mastercard.

Валюта оплаты: RUB.

Пошаговая инструкция: как купить подписку Grok

Если вы решили купить подписку Grok в 2025 году и ищете понятный алгоритм действий, ниже — универсальная инструкция, которая подойдёт для большинства сервисов и поможет без ошибок оплатить Grok из России.

Шаг 1. Перейдите на Exnode и выберите подходящий сервис

Сначала откройте рейтинг на Exnode и найдите раздел, связанный с Grok. Здесь собраны сервисы, через которые можно купить Grok подписку из России.
Сравните условия, способы оплаты и отзывы сервисов, после чего нажмите «Перейти» рядом с выбранной площадкой.

рейтинг на Exnode

рейтинг на Exnode

Шаг 2. Определитесь с типом подписки Grok

Перед оформлением заказа важно понять, какой доступ вам нужен. Большинство пользователей выбирают платный тариф, поэтому заранее решите, планируете ли вы Super Grok купить или Pro, или оформить стандартную подписку. Это упростит расчёт стоимости и ускорит покупку.

Шаг 3. Оформите заказ через сайт или менеджера

В зависимости от сервиса процесс выглядит так:

  • либо вы выбираете нужный вариант подписки и заполняете форму на сайте;

  • либо пишете менеджеру, сообщая, что хотите оплатить Grok.

На этом этапе указываются срок подписки и формат активации.

Шаг 4. Согласуйте сумму и подтвердите оплату

После оформления заказа сервис сообщает итоговую сумму с учётом комиссии. Вы выбираете удобный способ оплаты и подтверждаете платёж.
Такой формат позволяет решить как оплатить Грок из России, не передавая доступ к аккаунту и не используя иностранные карты.

Шаг 5. Получите подтверждение и доступ к подписке

После успешной оплаты вы получаете подтверждение заказа. В зависимости от выбранного способа:

  • подписка активируется на вашем аккаунте;

  • либо вы получаете инструкции для входа и активации.

На этом этапе можно считать, что вы успешно купили Grok и получили доступ ко всем функциям.

Шаг 6. Проверьте статус подписки

Зайдите в свой аккаунт и убедитесь, что подписка активна. Если вы оформляли Super Grok, проверьте доступ к расширенным возможностям и лимитам.

Что делать, если подписка Grok не активировалась

Даже если вы успешно смогли купить подписку Grok, иногда подписка может не активироваться сразу. Это редкая, но возможная ситуация, особенно когда пользователь оформляет доступ из России через альтернативные способы оплаты. Ниже — понятный алгоритм действий, который поможет быстро решить проблему, если вы уже купили Грок, но не видите активного тарифа.

купить подписку Grok

купить подписку Grok

1. Подождите несколько минут после оплаты

После того как вы оплатили подписку, системе может понадобиться время для обработки платежа. В большинстве случаев активация происходит в течение 5–15 минут. Не спешите предпринимать дополнительные действия сразу после оплаты.

2. Перепроверьте, на какой аккаунт оформлялась подписка

Иногда проблема связана не с оплатой, а с тем, что подписка была привязана к другому профилю. Убедитесь, что вы вошли именно в тот аккаунт, для которого планировали купить Грок. Если вы решили Grok аккаунт купить, особенно важно проверить корректность входных данных.

3. Перезайдите в аккаунт Grok

Выйдите из аккаунта, полностью закройте браузер или приложение и войдите снова. В некоторых случаях статус подписки обновляется только после повторного входа — особенно если вы недавно смогли купить Грок через сервис посредник.

4. Проверьте подтверждение оплаты

Найдите чек, платёжное подтверждение или сообщение от сервиса, через который вы оформляли подписку. В нём должна быть указана сумма, дата и статус платежа. Эти данные понадобятся, если вы будете обращаться за поддержкой.

5. Свяжитесь с поддержкой сервиса

Если прошло больше 20–30 минут, а подписка так и не появилась, напишите в поддержку сервиса, через который вы решили купить подписку Grok. Обычно достаточно отправить:

  • скрин подтверждения оплаты,

  • логин аккаунта,

  • описание проблемы.

Как правило, сервисы оперативно проверяют статус и завершают активацию.

6. Проверьте формат покупки

Если вы выбрали вариант Grok аккаунт купить, а не оформляли подписку на свой профиль, убедитесь, что:

  • аккаунт действительно передан вам полностью;

  • доступ к подписке сохранён;

  • данные входа актуальны.

При таком формате активация может отличаться от стандартной.

Grok — что это за сервис и зачем оформлять подписку

Grok — это интеллектуальный ИИ-ассистент, разработанный компанией xAI и встроенный в экосистему платформы X. Он ориентирован на работу с актуальной информацией, анализ данных в реальном времени и более «живой» формат диалога по сравнению с классическими чат-ботами. Именно поэтому всё больше пользователей задумываются, стоит ли купить подписку Grok и чем платная версия отличается от базового доступа.

как оплатить Grok из России&nbsp;

как оплатить Grok из России 

Бесплатные возможности Grok сильно ограничены: снижен лимит запросов, урезан доступ к анализу данных и отсутствуют расширенные функции. Поэтому для полноценного использования сервиса пользователи предпочитают купить подписку Грок, чтобы получить стабильную работу, быстрые ответы и доступ ко всем инструментам.

Подписка особенно востребована среди тех, кто использует Grok для аналитики, работы с новостями, генерации текстов, идей и помощи в профессиональных задачах. В условиях ограничений на прямые платежи многих интересует, как оплатить Grok из России, и такие рабочие способы в 2025 году действительно существуют. При этом оформление подписки остаётся более надёжным вариантом, чем временные решения или ограниченный бесплатный доступ.

Если цель — регулярно пользоваться возможностями нейросети и получать максимальную отдачу от сервиса, решение купить подписку Grok остаётся самым логичным и практичным выбором.

Сравнение подписок Grok: какой вариант выбрать в 2025 году

Сравнение подписок Grok

Сравнение подписок Grok

Перед тем как купить подписку Grok, важно понимать, чем отличаются доступные уровни и какой из них подойдёт именно под ваши задачи. Grok предлагает несколько вариантов использования — от базового доступа до расширенной подписки с максимальными возможностями. Ниже — наглядное и понятное сравнение без лишних технических деталей.

Бесплатный доступ без подписки

Бесплатный режим позволяет познакомиться с возможностями Grok, но он подходит только для нерегулярного использования. В этом варианте доступны базовые ответы, но с ограниченным количеством запросов и сниженной скоростью обработки. Также отсутствует доступ к расширенному анализу и приоритетным функциям.

Такой вариант подойдёт тем, кто только изучает сервис и пока не готов купить подписку Грок для постоянной работы.

Super Grok

Стандартная платная подписка открывает доступ к основному функционалу сервиса. Пользователь получает больше запросов, более быстрые ответы и стабильную работу без жёстких ограничений. Именно Super Grok купить чаще всего выбирают те, кто использует Grok для учёбы, работы с текстами, анализа информации и повседневных задач.

Super Grok купить

Super Grok купить

Если вы планируете регулярно пользоваться сервисом, решение купить подписку SuperGrok позволяет получить оптимальный баланс между возможностями и удобством.

Super Grok Heavy — расширенная подписка

Super Grok Heavy — это максимальный уровень доступа. Он предназначен для пользователей, которым важны приоритетная скорость, повышенные лимиты и возможность работать с большими объёмами информации. Такой вариант подходит аналитикам, маркетологам, разработчикам и всем, кто использует Grok как рабочий инструмент.

Заключение

В 2025 году решение купить подписку Grok остаётся актуальным для пользователей, которым нужен стабильный доступ к современному ИИ-инструменту с расширенными возможностями. Платная подписка позволяет работать без ограничений, быстрее получать ответы и использовать Grok как полноценный инструмент для учёбы, аналитики и профессиональных задач. Всё больше пользователей выбирают именно этот формат, чтобы избежать лимитов бесплатной версии и получать максимальную пользу от сервиса.

Подобрать надёжный способ оформления подписки помогает Exnode — на платформе собраны проверенные сервисы, через которые можно безопасно купить подписку Грок. В рейтинг входят OplataGuru, inOplata, Пиплбот, Плати Легко и Playerok — эти площадки предлагают разные форматы покупки, поддерживают удобные способы оплаты и помогают оформить доступ без лишних рисков. Благодаря таким сервисам вопрос оплаты Grok из России решается проще и надёжнее, а доступ к подписке остаётся стабильным.

Реклама Бесаев Даурбек Казбекович, ИНН: 151105905660

Показать полностью 11

Не ставь дизлайки — игнорируй

Простая, но в тоже время неочевидная для многих идея.


Современные "умные" ленты социальных сетей и алгоритмы агрегаторов контента одним из главнейших факторов ранжирования контента считают количество реакций на этот контент.


Ибо в бездушной двоичной системе лишь абсолютная количественная метрика может быть критерием истины, в том числе и эмоциональной реакции аудитории. Кто-то ещё сомневается, что именно наши эмоции ведут на тёмную сторону Силы — это то, что необходимо современным поставщикам контента?


И характер этих эмоций абсолютно неважен. Это вам не родные минусы.


Я лично наблюдал это на фейсбуке, в рамках ведения нескольких промо-кампаний: продвигались посты с количеством реакций, характер этих реакций был абсолютно не важен. И думаю, ютуб с его дизлайками недалеко ушёл (чтобы видео набрало миллион дизлайков — его должен увидеть минимум миллион человек).

Поэтому, в следующий раз, когда вы увидите в любой своей соцсетевой ленте реально мерзкий контент и захотите влепить ему дизлайк и/или написать гневный комментарий — я призываю вас, задумайтесь о том, достоин ли этот контент того, чтобы вы своими действиями показали его ещё бОльшему количеству глаз?

P.S. На заметку тем, кто тем, что чтит показания баянометра.

Не ставь дизлайки — игнорируй
Показать полностью 1
3103

Сдержал слово или . .

Примерно полтора-два месяца назад в лучшее вышел пост от @pilligrim002, который на данный момент успел набрать 17435 плюсов.
В конце поста ТС написал следующее: "Сейчас мне почти 40, вес уже сотку, но бодрееько на удивление друзей могу 30 раз подтянуться".
В комментариях сразу нашлись скептики, которые не поверили и просили пруфы. Всё таки, даже для молодых спортсменов с весом 80кг, 30 подтягиваний - это вполне отлично, тем более, если это "бодренько".
На что ТС отвечал:

Самое главное - тс отвечал.
Потом, примерно 2 недели назад, в посте связанным с турниками, я написал коммент с призывом @pilligrim002, в надежде, что он ответит и даст какую-то информацию: либо скинет пруфы, либо опять будет кормить "завтраками", либо просто скажет, что немножко напиздел. Но @pilligrim002 решил это проигнорить. 
Стоит отметить, я думал, что один такой, кто хочет увидеть пруфы и кто не забыл, а оказалось, что нас таких много. )

И вот прошло ещё 2 недели, ответа от @pilligrim002 всё не было, никаких постов, ничего. Я уже подумал, что может он не игнорит, а просто не заходит на пикабу, что может что-то случилось. И вот сегодня с утра сделал скрин его профиля, чтобы проверить активен ли он или нет:

А сейчас, если зайдёте к нему в профиль, увидите, что изменилось число комментариев и плюсов. Значит, он сидит на пикабу и просто игнорит. (


@pilligrim002, не игнорь и ответь. Я не отстану.
Сделай то, что обещал - сними видео, где ты подтягиваешься 30 раз, желательно показав перед этим собственный вес в 100кг. Не будь пиздаболом. Сдержи слово.

Показать полностью 2
11

Просто пост

Я, конечно, понимаю, что лучше чем словить плюсцов за всякую грязь нет ничего лучше. На волне подняться в горячее. Репост наше всё. Но все таки. Я еще помню. Каким был пикабу. Развлекательный портал. А не площадка для свержения власти/либо просто правосудия, унизь мразь, накажи обочечника.

Нет это тоже хорошо. Но все таки.

Мы же с вами были воспитаны по другому.

Дороже семьи, друзей, близких нет ничего. А что щас видишь?

Да блин, даже новости можно тут читать, скоро  прогноз погоды тут будет, не то что на каждый день, а в режиме реального времени....

Просто пост

*ушел удалять акк, ибо ща как наебенят минусов*

Ребят, если нет мозгов, эт считай калека.

Всем добра и котиков.

P. S. Еще не проверял но полюбому на картинку будет орать *играй гармонь*

Показать полностью
Мои подписки
Подписывайтесь на интересные вам теги, сообщества, авторов, волны постов — и читайте свои любимые темы в этой ленте.
Чтобы добавить подписку, нужно авторизоваться.

Отличная работа, все прочитано! Выберите