Сообщество - Сообщество Ремонтёров

Сообщество Ремонтёров

8 094 поста 44 151 подписчик

Популярные теги в сообществе:

14

РЕмонт платы, замена мосфета

Попала в руки мне колонка jbl extreme 2, с проблемой не включения и постоянного ухода в защиту, разобрал смотрю на плату отгорела часть элементов, как выяснилось мосфет и 2 3 резистора, вопрос есть у меня, если кто знает где можно найти такой мосфет или аналог или кто просто напишет его хорактеристики? , ну чтобы я подобрал и перепаял то что нужно, всем зарание спасибо.

На фото со стрелочкой есть маркировка того самого мосфета 4435A 7MD4, в интернетах толком не могу найти его и понять где купить или отпаять(((

Показать полностью 4

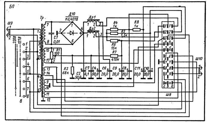
Помогите с блоком питания

Есть вот такой блок питания от estonia 006 stereo и надо снять с него разный вольтаж подскажите пожалуйста к каким контактам надо подключиться ....
Его схема-

Заранее спасибо)

Показать полностью 2
1541

Ответ на пост «Вопль о помощи или Айфонофилы должны страдать?»1

Доброго времени суток всем!
Суть вопроса - младшая дочь 19 лет решила, что самостоятельная и очень умная и, накопив за год 30 тысяч рублей, самолично в одиночку купила с рук IPhone X 256. Ну и попалась на классический кидок: покупатель встретился на улице, деньги попросил наличкой, очень торопил, потому что "холодно и сильно спешу!" В итоге получила на руки телефон в коробке внешне в идеальном состоянии, но при включении работает от 10 до 15 минут, после чего выключается.
Продавца (разумеется) не найти. В истерике сдала телефон на диагностику, где вынесли вердикт: аккумулятор не родной, телефону больше года, процессор лагает и его только менять, но они это делать не будут. А если кто-то возьмется, то по цене будет от 15 тыщ и время жизни составит неделя-две, так что проще взять другой.
Девчонка, ясное дело на жуткой дизморали. Типа сделала себе подарочек на новый год... плак-плак...
Ну вроде как поздоровался словами автора, значит продолжаю историю этого телефона, но уже глазами через микроскоп xD

Этим же ремонтом отвечу на нечасто задаваемый вопрос, который звучит в каждом моём посте про увеличение чле
памяти на яблочках:
зачем пилить, если можно снять

А затем)


Начало истории можно зачитать тут: Вопль о помощи или Айфонофилы должны страдать?


Вот кстати сам труба:

Эммм. Нет, не этот. Это в другой пост запихну.
Вот:

Телефонка уже пришла с повисшим дорогим логотипом и на прошивку реакция была следующая:

Сбой файловой таблицы и загрузчиков чипа памяти.
Такое случается, если взять чип например с XS и засунуть в Х без форматирования nand.
Планировал сделать на месте, что уж там чип этот снять и перезаписать. Делов то. Начинаю разбор:

Действительно, АКБ заменён, есть следы пайки, причем не сильно качественной в плане эстетики:

Вокруг чипа глубокие прорезы маски текстолита, что уже наводит на мысли, что чип не спиливался, а демонтажировался с платы путём снятия. Ожидал кучу оторванных и слабо восстановленных пятаков, но не этого:

Чисто снятый nand без повреждений. Казалось бы всё норм, и по кругу порезы незначительны. Работало же ведь, ну. А вот и нет, раз тельфон у меня)


Ошибка первая - не использовать легкосплав на большие чипы. Один удар - отвал. Сплав слишком хрупкий и подходит только на спайку межплатной рамы или лудить экраны защитные при снятии. Ну можно и разъемы им пропаивать и снимать. Применений масса, но они в основном только для демонтажа.

Это ладно, убираю всё это дело:

Кладу чип в программатор:

И форматирую нанд под загрузчики для десятого айфона:

Пока всё это форматируется займусь устранением дополнительных косяков - уборку клея b7000, на который приклеили дисплей к корпусу:

А так же вычищением пыли из всех доступных мест - стёкол камер изнутри например:

После того, как чип форматнулся, данные калибровок перезаписаны, просто катнул шары xD

Ну и традиционно яблок рухнул в dfu, так как хеш-сумма в памяти отличается от микросхемы antirollback. Ну и как обычно телефон не смог войти в режим recovery, а значит появилась новая проблема, вытекающая из старой.


Как я ранее писал - чип был снят идеально, но что бы его так снять без проблем нужно либо спилить, что не говорит об этом разрезанный текстолит вокруг чипа, либо... Спилить.


Итак, ситуация двойная. С одной стороны может показаться, что я лично вшатал плату, а с другой - просто диагностика проблем спонтанных перезагрузок - отвал процессора при несоблюдении температуры отпайки чипа! Доперезагружался, что слетела файловая табличка.


Я уже давно занимаюсь такими работами и по опыту что бы сделать всё качественно без частичного отвала процессора нужно либо оторвать часть пятаков на плате при демонтаже, ибо чип как бы держит компаунд, либо как говорил ранее - спилить его, лишая плату от лишнего перегрева.


Тут содрали чип, при котором частично поехал проц, который находится на обратной стороне тонкой платы и увидя такие проблемы просто скинули телефон побыстрее на улице. Всё. Конец истории.


Далее устранение одной из основных причин спонтанных перезагрузок - реболл процессора:

Объясняю проблемы при отпайки памяти:

Синим отмечен нанд с обратной стороны платы.

Красным где нужна дополнительная прожарка при отпайке.

Зелёным - где в основном происходит отвал процессора. Образуется холодная пайка.

Фиолетовая катушка при отвале будет давать съехавшее яблоко и перезагрузку.


Всё это изучено на личном опыте и думаю должно помочь начинающим реболлистам в понимании процессов термопрофилей пайки.


Дальше стандартно: почистил, катнул шары, катнул процессор:

Снова катнул его на плату и сфотал единственный доступный глазу угол с его шарами xD

Сидит)

Проверяю:

Определился - хорошо. Ошариваю и раму, но уже на припой 138 как там щас принято говорить? Ах да, специальный китайский общедоступный припой 138 от механики)

Прошиваю. Ну и снова возникла проблема в виде перезагрузок каждые 3 минуты. Смотрю отчёт крахов системы:

Отсутствует сенсор mic1. В системе значится как нижний микрофон. Шлейф так же менялся на неоригинальный, а они либо работают и через какое то время отказывают, либо не работают сразу.

И всё из за микрофона... Хотя он работает. Частично, так как в одном микрофоне их два)

Вот он:

Для проверки подкидываю оригинальный шлейф и всё заколосилось как положено:

Разбираю половину телефона для его замены:

Проклеиваю дисплей неавторизованной китайской проклейкой:

И отдаю готовый телефон:

Вот именно по этой причине я использую спиливание памяти на всех моделях от десятки и выше, а так же на некоторых андроидах, где есть риск попадания на такой же ремонт, но уже за свой счёт.


Но в некоторых случаях, когда делается не увеличение, а замена памяти и калибровки не читаются через инженерный режим, может потребоваться дополнительная оплата в виде заказа серийных номеров через китайца на заводе фокскон)

Но тут двояко. Можно сэкономить и я сниму чип с риском последующих ремонтов в виде этого как в посте, но он так же может не почитаться и придётся делать заказ, либо же сразу спилить чип и заплатить китайцу за мак адреса, тем самым лишить устройство дальнейшим поломкам.

И ничего тут не сделать. Проектировка платы такая. Ремонт не предусматривает.


Аккуратнее закупайтесь на авитах доставках, не проверяйте устройства. Несите к нам xD


Итог: 30к за покупку + 12к за ремонт + паника и разочарование в айфонах равно... Нет. Почти равно покупке без паники из магазина с гарантией год))


Или в кредит xD


Инста для задавания и мониторинга вопросов как обычно у меня в профиле.


Увидимся)

Показать полностью 23
271

Xiaomi Redmi 9 – обход авторизации EDL. Удаление из памяти телефона блокировки по Mi-аккаунту и Google-аккаунту (FRP)

Попал ко мне в руки очередной телефон с блокировкой по гугл-аккаунту. Так как это не просто телефон, а еще и Xiaomi, то на нем есть еще и блокировка по Mi-аккаунту. Собсвенно запил видос как можно снять эти блокировки и пользоваться телефоном.

КРАТКО - запустить телефон в режиме EDL, использовать эксплоит для обхода авторизации EDL, почистить память от данных по данным аккаунтам. Включить телефон и НЕПОДКЛЮЧАЯ его к интернет, либо заблокировать Mi-сервисы, либо получить рут и удалить их во все с телефона...

P.S. захват экрана немного тупил, так что местами есть моменты подвисания видео
P.P.S. Ссылки на все необходимые файлы и программы есть в описании к видео.

Видео о том как разобрать телефон:

Показать полностью 1
43

Как вам такая самоделка?

Плёнка с разбитой матрицы ноутбука, горшок для цветка, патрон, кабель с вилкой и кнопкой и белая изолента = отличная настольная лампа!

Показать полностью 6
13

Chieftec CFT-620-A12S

Всем привет, случилась недавно проблема, хочу включить компьютер, после простоя в пол года, он включается и начинает дико пищать, непрерывно, лезу в Гугл, вердикт - БП приказал долго жить, разбираю, проверяю конденсаторы (визуально), наличие горелых элементов или т.п, все нормально. Включаю, проверяю напряжения выходные - в норме. Собственно после включения в сеть, если прислушаться, слышно тиканье (щёлканье), буквально 2-3 раза в секунду. Выборочно проверил конденсаторы мультиметром, не пробитые, заряд набирают (возможно делал не правильно). Буду благодарен за помощь, если что город Екатеринбург.

Показать полностью 2
177

Когда рук из жоп

Было дело где-то год назад.

Надумал я согласиться на ремонт айфона 6s, а если быть точнее “после замены дисплея другим мастером оторвана кнопка home» , где как раз находится отпечаток пальца. Дал напомнить об этой ситуации пикабушник @Rastorian .

Вот виновник собсна:

Ну что же, отрезали не нужную часть, оставили часть с нужными микросхемами и всякой мелочью

(А вот сейчас хотя бы часик не отвлекайте меня)

Вот к примеру толщина дорожек (по которым собсна идёт информация и «ток») по сравнению с медицинским шприцом:

Эх купить бы жало, да тонюсенькое..

Начинаем напаивать дорожки ручного происхождения, видео конечно же снять было на этот микроскоп было невозможно. Это сейчас докупаю потихоньку оборудование.

И как всегда прикладываю свой родной шприц для размерУ:

Как вы могли заметить, было несколько попыток и сам шлейф немного укоротился в размерах, вроде все отлично, но блин... есть ещё одна сторона шлейфа куда нужно это все припаять.. все так же шприц здороу

боги помогут нам и погнали:

Идеально! Кнопка и отпечаток работает!
НО!

Блять, НО!
Я настолько туп, что все это прилепил на уф (ультрафиолетовую) пасту. После проверки с сгибания шлейфа для установки в рабочий телефон все рухнуло (для незнающих он используется совсем не для этих целей) рухнуло как и мой инструмент ещё на неделю (да, мужской тоже)

Я не мог видеть после этого любую ремонтную работу.

Этот пост несёт небольшую мораль, ребят, почитайте, посоветуйтесь, не бойтесь спросить «чем же вы пользуетесь мастера» чтобы не сделать ошибок.

P.S.: клиенту было озвучено дословно: «времени на это нет,если хотите займусь ради спортивного интереса»

Всем спасибо;)

Показать полностью 4
12

Ремонт подсветки

Всем привет . Подарили мне когда-то в детстве часы, в которых изначально вроде бы не было подсветки ,но после отдачи в ремонт она появилась. после повторного ремонта опять исчезла .ну и с тех пор я забил. собственно кнопка подсветки есть. также есть какой-то отсек с виду похожие под батарейку. а также есть пружинка которая по форуму должна быть ещё одна ни должно бы работать всё на этом.Куда копать может кто подскажет ? Стрелкой помеченная кнопка подсветки . фирма часов не известна . Фото задней крышки есть .какая то Аква

При попытке вставить батарейку туда - часы гаснут

Показать полностью 5
Отличная работа, все прочитано!