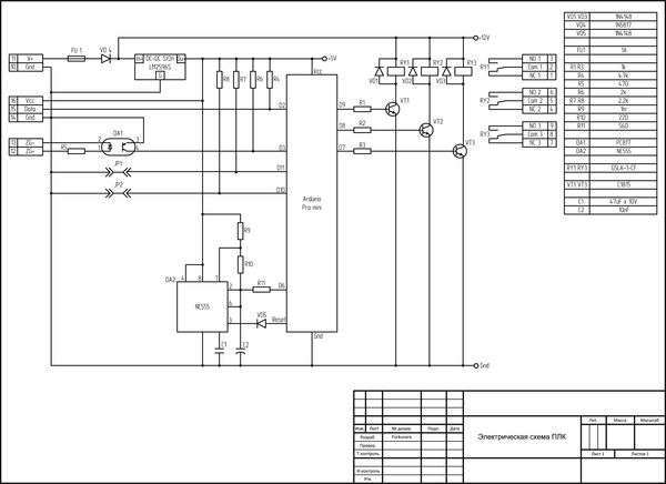
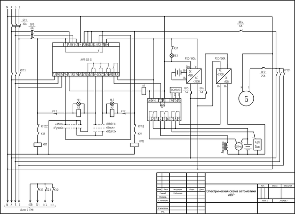
Автоматизируем запуск бензогенератора. Часть 2.
Как и обещал: Схемы, листинг и расчет.
В дополнение к http://pikabu.ru/story/avtomatiziruem_zapusk_benzogeneratora...
Листинг, lay, Схемы на GoogleDrive: (Надеюсь сслка на GoogleDrive не нарушает правил)
https://drive.google.com/open?id=0B5cGUtyOF_ETbEJnXzhnYS1kWW...
В это траз я заказал только адруинки, но остальнео я тоже частично покупал когда-то, так что считаем.
Реальные затраты:
1. Arduino Pro Mini - 160р.
https://world.taobao.com/item/531457909293.htm
2. DS18b20(в гильзе) - 65р.
https://world.tmall.com/item/43339849601.htm
3. NE555 - 20р.
https://world.tmall.com/item/16459649297.htm
4. LN2596S(Платка в сборе) - 35р.
https://world.tmall.com/item/19905413537.htm
5. Текстолит (Стоит копейки, дороже доставка, но ели брать пачку то выходит дешего) - пусть будет 50р.
https://world.taobao.com/item/21697128780.htm
___
330р.
Ссылки на Тао, потому что я тяну прям оттуда, у нас тут китай через дорогу ;)
Релюшки с родными транзюками и диодами я снял с дохлой ИБП Ippon 500ВА.
Разъемы с дохлых МИП КЭЯ.
Корпус от дохлого контроллера диспетчерского щита.
Собирать будем не спеша после нового года.
Все. Ругайте =) Рабочий день кончается чуть меньше чем через 4 часа. Всех с наступающим новым годом!

























