Сообщество - Сообщество Ремонтёров

Сообщество Ремонтёров

8 096 постов 44 151 подписчик

Популярные теги в сообществе:

305

Пофиг, заполируем..

Пофиг, заполируем..

Привет Пикабу!

Всех с наступающим НГ!

Итак...

Довелось как-то в мою бытность N-е кол-во лет назад, поработать в СЦ по починке ноутбуков, телефонов и прочей дребедени.

Собсно сабж: принесли ноутбук с симптомами "Не включается! Не работает".

На мой вопрос: "Что-то с ноутбуком делали?" естественно гневная фраза: "Да вы что! Недайбоже, пальцемнетрогалипыльвытирали". Угу, как же.. :)

Принял ноутбук, отослал клиента под загадочные улыбки сотрудников.

Последовательная разборка выявила мелодичный звон в гермозоне винта, при его потряхивании аки маракасами.

Окружённый свободными сотрудниками я торжественно открутил и снял крышку...

В полнейшей тишине прозвучал первый комментарий: "Пох*й, заполируем!".

Клиент попался в целом не конфликтный, не истерил, задал вопрос: "А фоточки можно будет слить?". Расстроился, услышав отрицательный ответ, ещё больше расстроился стоимости ремонта (винт/замена/ОСь), повздыхал, забрал на следующий день ноутбук и отбыл в закат.

Больше я его не видел, наверное обиделся...

Показать полностью 1
202

Меня терзают смутные сомненья ... или опять про почту России

Привет всем)

Ждал подарка от Деда Мороза, вчера пришло уведомление, что посылка ждет в отделении почты. Но сегодня, поглядев внимательно информацию о почтовом отправлении, заметил это:

Посылка изрядно похудела, по дороге ко мне ...

Что посоветуете делать в таком случае? есть у кого опыт с посылками?


Ну и по тематике сообщества)) ремонт переносной батарейки.

Это мой первый опыт замены разъема MicroUSB:

Показать полностью 3
65

Тайный Дед-Мороз добрался!

Добрый вечер. Спасибо @gepka, за организацию. Практически сразу как пришло извещение, побежал после работы на почту, получать свой подарок. Отстояв там порядка часа, спасибо бабушкам которые только на почте оплачивают свои коммунальные платежи, я получил свю посылочку. И бегом домой, любопытство так и гложет. И так моя посылка ждет своего часа.

Дрожащими руками вскрываю пакетик и сразу видно что мой Дед Мороз девушка.

Особенно порадовал брелочек, привязанный к бантику.

Не успел я все пакетики развернуть, как одну из вкусняшек быстренько утянула жена и с довольным видо схрумчала на безопасном растоянии. =D

А дальше начал рассматривать подарочки, все по списку: комикс нет слов, реально нет слов от его содержимого, фото выкладывать не буду, а то ещё тег жесть заставят ставить; шоколадка "С Новым Годом!" (ею делиться ни с кем не буду), очень забавная книжка "Когда тебе грустно" (вот поистечении этой недели она мне ох как понадобится, работать в последнюю неделю года это ад!!!).

И мармеладки, нет не так, МАРМЕЛА-А-А-А-А-АДКИ!!!! (Настя огромное за них спасибо, слопал их очень быстро и очень вкусно.)

И на последок спасибо тебе за теплые слова и ощущение детства, мой самый первый Дед Мороз - Мартынова Настя!!!

Показать полностью 7
20

Ремонтеры в С-Пб призываю вас:)

Здравствуйте и с наступающим новым годом)
Принесли мне на чистку ноутбук asus x55s с дребезгом куллера
Куллер восстановил пыль прочистил, но владелец попросил полную чистку.
Видеокарта в данном ноутбуке в виде съемной платы. За год работы в режиме перегрева она прикипела к медной подложке и когда я ее снимал, я накосячил :(
Перегнул ее на 0.5-1мм относительно другой стороны (но плату так и не снял)
Сам ноутбук был б/у и после покупки владелец относил его в мастерскую, где по его словам меняли видео чип.
При осмотре ноутбука я обнаружил следы пайки чипа и ячейки памяти.
В общем мне нужна помощь в восстановлении видео платы.
За работу готов заплатить и готов оказать посильную помощь при ремонте)
(Возможно под чипом есть оторванные пятаки)

Если вы из Санкт-Петербурга отзовитесь пожалуйста)

PS. после сборки черный экран без подсветки, винда не грузится, жесткий крутится светит 1 диод питания, звуков нет

если гуглить то типовая проблема отвала чипа (после покупки тоже самое было)

PSS. отреболить сам не могу т.к. нет инструментов (фена паяльной станции) и опыта

53

Z1 compact не показывает экран.

Всех С Наступающим!

Попросила меня воспиталка из детского садика, куда ходит моя дочь, поглядет ее телефончик. Сказала, что положила в сумку телефончик, достала, а он "не алЁ". Чуть дальше будет рассказано, как такое возможно...


Разбираем аппаратик и в глаза бросилось вот это.

Вода, в телефоне оказалась вода. Она даже не полностью высохнуть успела.

Красненьким выделил капельки воды. Желтеньким, высохшую воду

В районе разъемов, где высокие напряжения, для телефона естественно, высокие. Там порядка 30-38 вольт. В разъеме, где высокие, от воды, в процессе электролиза, разъело контактики...

У разъема подключения экрана к потрⱯшкам.

В районе подключения подсветки матрицы в дисплейных потрⱯшках.

На самих потрⱯшках.

Чистим спиртяхой и проверяем. Аппарат заработал, не включается экран, но сенсор работает и на нажатия срабатывает вибро. С помощью мультиметра измеряем токи потребления от зарядки. Заряжается штатно 1,5 А.

Пропаиваем все, что разъело Ховнами.

Изображение появилось, но нет подсветки.

Будем в потрⱯшках рыться глубже.

Снимаем крышечки и ищем где там предохранитель генератора подсветки стоит.

Вот он засранец спрятался.

Откусякиваем плоскогубцами ребро жесткости у экранирующей рамки.

Вот что приключилось с предохранителем.

Ставим перемычку из волосни наушников.

Проверяем. Заипись.

Ах да, совсем забыл.

Вот потрⱯшка с одной стороны. Где-то выше были потрⱯшка с другой стороны.

Собираем окончательно.

Проверяем все.

Сопротивление на контактах плюс и минус аккум на потрⱯшках. Вибратор, датчик приближения, микрофон, вафлю, камеры, вызов по gsm и динамики. Все заипись работает.


Как позже выяснилось, воспиталка пошла гулять с детишками днем. Положила в сумку мобилку и сумку не закрыла. Туда нападало снега и по приходу обратно в садик, снег растаял и водичка проникла в телефончик...


Все работает, все шуршит и теперь как новенький.


Ну и небольшая объява.


Я приболел и не всегда есть возможность отвечать на ваши письма связанные с организацией обмена подарков. Сейчас у меня висит около 140 не прочитанных писем с присланными треками. Вы не отчаивайтесь, как будет возможность, всем отвечу, а сейчас нет никакой возможности...

_____________________________


Немного разреб весь хлам, теперь можете потихоньку опять наваливать, но учтите, что Вас реально дох... много, а я один. Иногда придется подождать, иногда и долго... Так, что пишите, кому смогу помочь, обязательно помогу.


Почту напишу для вопросов и консультаций... gepka2007@yandex.ru


Ноуты, планшеты и телефоны Леново не беру. Пока они работают, к ним претензий нет, а когда начинают глючить... Начинаешь чинить то одно сломается, то другое окривеет. Пока другое чинишь, еще что-нибудь сломается. Ну их лесом...


Ксиоми и мейзу тоже идут лесом, на них хрен найдешь нужные модули...


Ноутбуки беру только из питера, ну или вы сами, через кого-то передадите. Много возни с ними на почте... Курьерские службы тоже не прокатят, ибо они приносят тогда, когда им удобно, а не мне...


Напомню, уважаемые пикабушники, что я не в Сервисном Центре (СЦ) работаю. Это у меня хобби такое, ремонтить разные электронные штуки...

Показать полностью 15
33

Хочу поменять банки в аккумуляторе ноутбука (Think Pad x220)

Хочу поменять банки в аккумуляторе ноутбука (Think Pad x220)
Хочу попытаться отремонтировать аккумулятор у своего старенького, но бодрого Lenovo ThinkPad x220. Уже 6 лет старичку, все отлично, но вот батарейка "устала", держит не 4,5~5 часов как раньше, а час.


Посмотрел на Али, аналогов достаточно много, но вызывает сомнения их качество исполнения и долговечность...


Думаю, может быть взять хорошие, добротные "банки", аналогичной емкости и заменить их в родном аккумуляторе? Про блокировку контролера батареи, при грубом "отрыве" старых банок знаю.


Возникла идея - разрядить аккумулятор насколько возможно. Новые банки тоже разрядить.

Затем новые банки спаять по схеме, и аккуратно вконтропупить все входы параллельно уже подключенной, родной сборке, что-бы не прерывалась подача напряжения на контролере.


Затем старый аккум тупо отчикать кусачками и выбросить!

Прокатит? ©


ЗЫ: Аккум на картинке не мой, вставил картинку из интернетов, для красоты.

Показать полностью 1
389

Будни мастерской: iPhone 5

Привет, ремонтёры и подписчики!

Я снова на связи и пост снова про яблочную продукцию. Принесли мне сегодня утром такой вот девайс: iPhone 5, разбит дисплейный модуль, не работает датчик приближения и нет звука в одном наушнике. Процесс замены дисплейного модуля, верхнего шлейфа с фронтальной камерой и датчиком, а так же наклейку защитного стекла (вот что я действительно не люблю и нормально не умею делать) я Вам показывать не буду, потому что это скучно. На фото это уже проделано (в процессе замечено что телефон уже когда-то разбирался, я у него не первая).

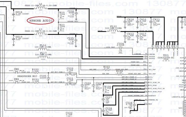
А вот с не работающим правым наушником ситуация более занимательная. Обычно приносили яблоки, которые просто не желали видеть наушники, а тут один. Ну что ж, смотрю по схеме что там у нас (красным выделила то что меня интересует). Итак, катушка, резистор, конденсатор и потом аудиокодек (или контроллер звука, или просто u21, кому как приятнее).

Вначале визуальный осмотр элементов на плате, тадаам, а случай не такой уж занимательный как хотелось, катушки то нет!

Ну катушка это хорошо, можно обойтись мычкой, беру медяшку от динамика, флюс, лужу (я уже говорила, но повторюсь, динамики и вибро-моторчики прям идеальны для этих целей).

Кидаю мычку, фото не отличается этетичностью, но плату я позже почищу от остатков флюса (к слову, делать это нужно обязательно, флюс содержит кислоту (не каждый, есть бескислотные) и плате это на пользу не идет, ну и просто неприятно оставлять после себя грязь).

Итак, айфон жив, здоров и поёт в оба уха.

PS: С наступающими праздниками, дорогой пикабушник! Пусть у тебя просто всё будет хорошо.

Показать полностью 6
233

Ремонт Samsung Galaxy S3

Всем трям!

С вами снова я ;)

А вот и нет, я же сказала, что мне самой надоело их постить ;P

У нас сегодня SGS3 с расшатанным микро юсб гнездом.

Начинаем разбирать.

У меня даже немного дежавю...

Снимаем крышку, откручиваем винты.

На этот раз нам нужна плата! Вот он, наш виновник.

Нафлюсим на месте крепления разъема.

Я где-то потеряла свою "третью руку", так что будем импровизировать... Trust me i'm engineer, как говорится.

Феном на 350-360 градусах и пинцетом снимаем разъем.

Дальше берем оплётку, паяльник и зачистим площадку под разъем и контакты.

Нафлюсим немного, феном припаяем ножки разъема.

Осталось только припаять контакты разъема к плате.

Берем припой, и вжух! Паяем. Важно помнить, что надо припаять контакты так, чтобы припой не соединял их друг с другом. Может, получилось не очень аккуратно, простите грешную. Не забудем всё зачистить от флюса.

Собираем назад всё, втыкаем зарядку...

Есть контакт!

Показать полностью 13
Отличная работа, все прочитано!