Сообщество - Инженеры машиностроения

Инженеры машиностроения

204 поста 401 подписчик

Популярные теги в сообществе:

8

Пост знакомства в сообществе

Добрый день друзья, желаю прекрасного и солнечного настроения на весь день, сил, чувства бодрости и оптимизма. Предлагаю каждому участнику написать небольшой пост знакомства в сообществе. Чтобы вы хотели здесь видеть, какие вам темы интересно освещать, ваши идеи услышать буду рад.

Пост знакомства в сообществе

О себе. Я инженер, конструктор проектировщик с 2007 г., за десятилетний период работы на производстве в Беларуси получил опыт в области машиностроения, строительных металлоконструкций, теплоэнергетики, приборостроения и киносъемочного оборудования.

Участвовал в проектах:


2007 - 2009 г. проектирования различного оборудования котельной установки Жодинской ТЭЦ паропроизводительностью 60 тонн/час и рабочим давлением 95 бар - проект по-своему уникален, так как котельная установка может работать и на торфобрикете, и на древесном топливе, и на фрезерном торфе;


2009 – 2010 г. проектирование и ввод в эксплуатацию опытного образца котла Е-10-1,4ДР на котельной ОАО «ТБЗ Дитва» в рамках выполнения государственной программы ГНТП «Энергетика-2010»;


а также ряд других проектов для заказчиков от элементов атомных станций, литейных ковшей, циклонов, элементов военного оборудования до приборов различного назначения в киносъемочном производстве — для компаний ОАО "Белоозерский энергомеханический завод", ЗАО "КВИП" г. Минск, ЗАО "ЦНИП" г. Минск, Учреждение "РЦОП по настольному теннису", Рабтекс Индастри, ООО "КОМПАРАТОР", РУП «АКАДЕМФАРМ», ООО "Завод энергоинновационного оборудования", ХАЙ ТЕК КОМПОЗИТЫ УП, ТОЧЛИТ СООО, ООО «КАТО», ООО Фрезерстил и других.

Пишу блог Живой журнал инженера конструктора о профессии и жизни. Развиваю свой проект по инженерным услугам в форме индивидуального предпринимателя, c 2007 года выполнено успешно более 600 проектов. Рейтинг 5/5 на основании 90 отзывов Яндекс Услуг и Google Maps.

Считаю что только вместе в Сообществе мы можем вывести профессию на достойный уровень оплаты, создать благоприятные условия для обмена опытом, вовлекать молодежь в разработку перспективных для государства и частного бизнеса инновационных продуктов. Создание системы взаимодействия между научной средой и инженерами разработчиками приведет к освоению фундаментальных наработок в практически полезные продукты. Научные сотрудники и инженеры-разработчики должны чувствовать внимание и уважение со стороны СМИ, общества и государства. Такой путь выведет нашу страну по технологиям в на лидирующие позиции во всем мире и приумножит благосостояние каждого отдельно взятого жителя .

Вопросы, на которые я легко и профессионально дам ответ.**

Как превратить идею в готовый продукт? Что такое разработка конструкторской документации в Компас 3D, AutoCad? Конструктивные и технологические элементы деталей на чертеже. Выбор посадок гладких цилиндрических поверхностей. Какие расшифровать обозначения на чертежах в машиностроении и металлообработке? Как подобрать необходимую шероховатость поверхности? Что такое индустриальный дизайн, и где он используется в жизни?

Присоединяйтесь к сообществу и вдохновляйтесь каждый день! Понравился пост? Не забудьте «лайкнуть».Как и всегда, если есть какие-то вопросы, мысли, дополнения и всё такое прочее, то добро пожаловать в комментарии к этой записи.

Показать полностью 1 1
3

Героторная пара пример чертежей

Внутренная и внешняя шестерни имеют одинаковый круговой профиль зуба. Внутренняя шестерня по количеству всегда имеет на один зуб меньше, чем внешняя шестерня. Из-за этого внутренняя шестерня установлена относительно центра внешней шестерни со смещением.

Внутренняя шестерня это ротор гидромотора, в центральной части ротора есть отверстие со шлицами, которое служат связывает ротора выходным валом гидравлического мотора через промежуточный кардан.

Герметичная подгонка соединений зубьев всех шестерен разделяет внутренние емкости героторной пары на две части. Впадины между зубьями шестерен через каналы в корпусе мотора и управляющий потоками гидравлический распределитель соединяются с входным и сливным портами мотора.

При подаче потока рабочей жидкости в нагнетательную полость ротор (внутренняя шестерня) за счет смещения начинает перемещаться по зубчатой поверхности неподвижной шестерни. Малое различие в количестве зубьев на одну единицу, скорость по отношению к движению в героторной паре очень небольшая, что обеспечивает работу мотора без рывков и увеличивает срок службы мотора. Центр ротора имеет вращение относительно центра неподвижной, внешней шестерни по орбите.

Простая конструкция героторного мотора не нуждается в каком либо техническом обслуживании. Смазка мотора осуществляется масло которое есть в гидросистеме. И единственным видом обслуживания в этом случает является своевременная замена масла и масляного фильтра гидросистемы.

Показать полностью 5
205

Самая спокойная работа для женщины на заводе

Самая спокойная работа для женщины на заводе: контролер #ОТК

Контролер ОТК* занимается выявлением брака при изготовлении изделий и проверкой соответствия продукции стандартам и ГОСТам.

Самая спокойная работа для женщины на заводе
Показать полностью 1
15

Юмор из жизни инженера

Инженеры – это люди, которые всегда стараются найти практическое решение для любой проблемы. Они обладают уникальными знаниями и навыками, которые позволяют им создавать устройства, которые упрощают нашу жизнь. Однако, помимо своих профессиональных качеств, инженеры также известны своим чувством юмора. В этой статье я собрал несколько забавных юмористических историй и шуток из жизни инженеров, которые надеюсь вас улыбнут.

На премии за гуманизм и доброту «На Благо Мира» выступают представители разных профессий: инженер, программист и продавец.

Инженер говорит:

Если бы мы построили идеальную машину, то она бы работала безотказно и всегда была бы в порядке.


Программист возражает:

Но даже если бы мы создали такую машину, то у нас бы все равно были проблемы с программным обеспечением.


Продавец добавляет:

Но даже если бы у нас была идеальная машина с безупречным программным обеспечением, то мы бы все равно не смогли ее продать.

Усталый инженер после работы забрал маленького сына из сада, идут домой.
Сынок спрашивает:

Пап, а почему небо голубое?

Инженер отвечает:

Сынок, я могу рассказать тебе о том, как работает солнечная батарея, как происходит трансформация энергии, но почему небо голубое - излучение синего цвета имеет более короткую длину волны это тайна, которую даже инженеры не могут объяснить! Работает, да и Бог с ним.

Инженер Петр Евгеньевич вернулся домой после тяжелого дня на работе, запуск спутника "Глонасс-К" с Плесецка отложили на месяц, требуется доработка узла подачи топлива и был в унынии, но его любимая жена Вера Павловна была настолько эффективной, что поделилась с ним своим плохим настроением, чтобы у него не было времени на грусть.

Наш инженер по технике безопасности энерго-механического завода Герберт Викторович часто повторяет на инструктаже:

Не суйте товарищи пальцы куда попало. Их не так много, как вам кажется... И если вы потеряете хотя бы один, то будете выглядеть несимметрично.

Какой была группа специалистов, собранная для решения проблемы уборки овощей и фруктов в колхозе во времена СССР?

Математик - чтобы посчитать количество овощей и фруктов, физик - чтобы определить наилучший способ сбора, биолог - чтобы изучить характеристики растений, инженер - чтобы разработать необходимое оборудование, врач - чтобы лечить тех, кто поранится, архитектор - чтобы построить склады для хранения, экономист - чтобы определить цены, юрист - чтобы обеспечить законность процесса, философ - чтобы задать главный вопрос: "Зачем это все делается?"

На Сибирской карандашной фабрике начались проблемы с качеством, карандашей, получались кривыми и неровными. Руководство решило пригласить эксперта по производству карандашей из Японии.

Он приехал, обошел все цеха, изучил технологию производства и сказал: "Проблема в вашем оборудовании, замените его на японское." Руководство согласилось и купило новое, японское оборудование. Но на следующий день карандаши все также получались кривыми и неровными.

Руководство было в отчаянии и решило пригласить эксперта из Германии. Он приехал, изучил технологию производства и обошел все цеха, после чего сказал: "Проблема в ваших рабочих, замените их на немецких." Руководство согласилось и привезло новых, немецких рабочих. Но на следующий день карандаши все также получались кривыми и неровными.

Руководство было в отчаянии и решило пригласить эксперта из России. Он приехал, изучил технологию производства и обошел все цеха, после чего сказал: "Проблема в вашей технологии производства, замените ее на ручной труд." Руководство было удивлено, но согласилось и вернуло производство карандашей на ручной труд.

И вот, спустя несколько дней, на конвейере начали появляться идеально ровные и красивые карандаши. Руководство было в восторге, и они решили наградить эксперта из России.

Они спросили его: "Как вы догадались, что проблема была в технологии производства?" На что эксперт ответил: "Да я просто подумал, что если вы не можете сделать нормальные карандаши на новом японском оборудовании или с помощью немецких рабочих, то наверняка сможете сделать их ручным трудом".

Проводят эксперимент на выживаемость. В запертые комнаты сажают инженера, программиста и математика. Перед каждым закрытый сундук на кодовый замок с едой. Через пару недель открывают комнату инженера. Сундук открыт, инженер сыт, доволен жизнью.
Он говорит: "Я собрал из деталей сундука радиоприемник и послушал музыку, пока ел."
Заходят к программисту. Сундук открыт, программист сыт, доволен. Он говорит: "Я написал программу, которая подобрала пароль и открыла сундук."
Заходят к математику. Сундук закрыт, пол, стены, все исписано формулами. На полу сидит злой, отощавший и говорит: "Так, попробуем пойти от противного. Предположим, сундук открыт..."

В Сколково создали жезл гаишника с встроенным купюроприёмником. Теперь гаишники могут не только останавливать машины, но и сразу получать оплату за нарушения правил дорожного движения. Теперь инженеры решили добавить в жезл еще и функцию электрошока для тех, кто попытается уклониться от оплаты.

Один раз оптимист, пессимист и инженер пили вместе из одного стакана. Оптимист сказал: "Смотрите, стакан наполовину полон!" Пессимист возразил: "Нет, стакан наполовину пуст!" А инженер поднял голову и сказал: "Эй, ребята, вы что-то не понимаете. Стакан в два раза больше, чем нужно, и надо его переработать и выпустить два, чтобы он был более эффективен!"

Объявление: На предприятие требуется мужчина до 45 лет, с образованием инженер-механик и опытом работы на станках с ЧПУ. Но если вы не подходите по полу, возрасту или образованию, не переживайте, мы все равно рассмотрим вашу заявку! В конце концов, мы уже нанимали тут женщину-бухгалтера, которая не умела считать, но была отличной поварихой на обеденный перерыв.

Два стажера на работе в конструкторском отделе завода Москвич:

- Слушай, как думаешь, как мне эту деталь назвать?

- Ну назови "Втулка".

- Не пойдет, это Корпус муфты в сборе будет.

- Ну назови тогда "Корпус".

- Как-то не по человечески получатся..

- Ну назови тогда "Костиком"!

Как-то слышал, что главный инженер на АвтоВА́Зе, устав от критики, выдвинул рацпредложение выпускать легковушки в виде конструктора, типа, раз вы такие умные и талантливые - соберите сами!

- Скажите, уважаемый Зинаида Васильевна, где я могу купить найти у вас в магазине мучные трубы, диаметром 5,6-7,0 мм и толщиной стенки не более 1,5 мм?

- Слушай, инженер, ну как же я терпеть не могу Гаврила Юрьевич, когда ты вот так налижешься и начинаешь выпендриваться!

- Извиняюсь, Зиночка, пачку макарон подскажи где у вас в магазине найти.

Директор машиностроительного завода вызывает к себе нового заместителя и спрашивает:

Как вы смогли так быстро за год продвинуться с обычного инженера конструктора до моего заместителя?

На что заместитель отвечает:

Ну что ж, я бы сказал, что это заслуга моего тестя.

У нас на заводе есть такая забавная традиция: если главный инженер кричит, значит, что-то не так с производством котлов. Один раз спросили у него: "Что вы сегодня собираете?" А он ответил: "Ну что кричу, то и собрали!"

Однажды иностранные делегаты приехали в СССР и встретились с директорами заводов - русским и японцем. Японец говорит: "Мы делаем станки", а русский отвечает: "И мы тоже". Японец продолжает: "У меня 15 цехов", а русский отвечает: "У меня тоже 15". Японец говорит: "У меня три тысячи рабочих занято", а русский отвечает: "У меня тоже три тысячи". Японец говорит: "У нас работает 6 инженеров". Русский думает: "Если я скажу, что у нас 200 инженеров, то будет конфуз. Лучше скажу, что у нас 7 инженеров".
На следующий день они встретились снова, а у японца были красные глаза. "Я не спал всю ночь, - говорит он, - думал, чем занимается ваш 7-й инженер?

В конструкторское бюро наняли нового ведущего инженера. Секретарша спросила его:
- Какие инструменты вам нужны для работы?
- Готовальня, карандаши, рейсфедер, кульман и ватман.
- Хорошо, мы возьмем на работу еще трех евреев и закажем вам канцелярские товары.

Художник говорит: "Я так вижу."
Актер говорит: "Я так чувствую."
Писатель говорит: "Я так понимаю."
А инженер говорит: "Я так сделал, и оно работает."

Как мы видим, юмор в жизни инженера - это неотъемлемая часть профессии. Инженеры, несмотря на свою серьезность, находят время для того, чтобы пошутить и повеселиться. Их умение находить креативные решения проблем и нестандартный подход к задачам - это то, что делает их юмор особенным. Они не боятся смеяться над собой и своими ошибками, и это помогает им сохранять баланс и относиться к жизни со здравым юмором. В итоге, инженерный юмор - это не только забавные шутки, но и отражение их творческого мышления и способности находить решения там, где другие видят проблемы.

Если вам понравилась эта статья с юмором, пожалуйста, поделитесь ею с вашими друзьями и поставьте лайк.

Источник

Если вы нашли эту статью забавной и смешной, я призываю вас поделиться своими смешными историями и анекдотами про инженеров в комментариях ниже! Верю, что у каждого из нас есть что-то забавное, что произошло на работе или в жизни, связанное с нашими инженерными подвигами. Так что, давайте поделимся своими историями, анекдотами, карикатурами по инженерной тематике и сделаем эту статью еще более интересной!

Показать полностью 9
2

Технический чертеж построен на основе американского стандарта (ASME) серии Y14

Американское общество инженеров-механиков ASME было основано в 1880 году спонсирует разработку стандартов серии Y14. Стандарты серии охватывают большинство аспектов технических чертежей и сопутствующих документов. ASME фокусируется на обучении и оценке инженеров-механиков для получения лицензии профессионального инженера и больше внимания уделяет поиску «повседневных» решений проблем машиностроения на американском рынке машиностроения.

American national standards institute (сокращенно ANSI) – американское объединение с международным статусом и штаб-квартирой в Вашингтоне, которое занимается оценкой спецификаций и определяет их соответствие. Также национальный институт курирует создание, процесс обнародования и использования норм и руководств. Активно занимается аккредитацией, анализируя компетентность организаций, определяющих соответствие стандартам. ANSI считается частной некоммерческой организацией. В штате – более 90 сотрудников.

ANSI продвигает стандарты на международном уровне, представляет позицию страны, содействует в признании международных спецификаций в качестве национальных.

Институт начал свою работу в 1918 году, изначально он функционировал как AESC. Первым Американский комитет по инженерным стандартам утвердил спецификацию на трубную резьбу. Произошло это спустя год после основания. Следующим крупным проектом для организации стала разработка кодекса по безопасности, задача которого заключалась в предотвращении несчастных случаев на производстве. Утвердили его в 1921 году. В целом, за первые десять лет существования институтом были приняты спецификации в области горного дела,

В 1940 году объединение занималось созданием спецификаций, которых придерживались во время войны – с 1941 года. В разработку стандартов участвовало около 1 300 инженеров. Они регулировали качество и безопасность военного оборудования и гражданской связи, изделий и крепежей. По окончании Второй мировой войны Американская ассоциация стандартов и еще 25 национальных комитетов по стандартизации совместно организовали международное объединение.
Переименование организации на USASI произошло в 1966 году. Еще спустя 2 года структура института пополнилась Комитетом по сертификации. Свое актуальное название – ANSI – институт приобрел в 1969 году.

Работа института сосредотачивалась на проблемах производительности. Решением стало расширение предложений по аккредитации, куда была включена сертификация персонала. В 2014 году ANSI была создана дочерняя организация Workcred, которая специализируется на работе с кадрами и ведении учетных данных.

ANSI придерживается добровольной системы принятия стандартов. В соответствии с регламентом объединения почти 240 организаций-разработчиков стандартов, уже аккредитованы национальным институтом.

Основные различия между стандартами чертежа ISO и ASME заключаются в следующем.

Размер листа:

  • В стандарте ISO используется серия форматов бумаги.

  • В ASME используются стандартные форматы листа ANSI.

Лист ANSI A215.9 x 279.4 8.5" x 11"

Лист ANSI B279.4 x 431.8 11" x 17"

Лист ANSI C431.8 x 558.8 17" x 22"

Лист ANSI D558.8 x 863.6 22" x 34"

Лист ANSI E863.6 x 1117.6 34" x 44"

Различия угла проекции:

  • по умолчанию для ISO используется европейский тип проекции.

  • по умолчанию для ASME используется третья проекция угла.

Принцип построения ортогональных проекций на американских чертежах таков, что предмет как бы расположен внутри куба, на стенки которого он проецируется. Т. е. проекционная плоскость находится между наблюдателем и проецируемым предметом.
А у нас и по ISO проекционная плоскость находится за проецируемым предметом.

Различия в единицах измерения:

  • ISO миллиметры.

  • ASME предпочтительны дюймы и но можно использовать миллиметры.

Указание размеров на чертежах.
Размеры на чертежах в США и Канаде указываются в прерываниях размерной линии, и всегда параллельно основной надписи.

Обозначение сварных швов.

Условное обозначение отверстий.

Оформление рамки чертежей и спецификации.

Наименование материалов (по американской классификации AISI.

Перечень стандартных изделий (по стандартам ANSI/ASME).

Хотя ANSI и ASME сосредоточены на разных аспектах установления инженерных стандартов, они оба работают над одной и той же целью: гарантировать, что все инженеры, как в США, так и во всем мире, следуют одним и тем же универсальным стандартам для обеспечения качества и согласованности всех механических устройств и продуктов.

Литература на Яндекс Диске. Если вы что то хотите узнать подробнее обращайтесь на idea@wmid_com или пишите в комментарий.

Показать полностью 2
0

Напоминание, кто я и чем могу быть полезен

Конечно понимаю может быть вам услуга не актуальна от слова совсем. Но и поймите меня, чтобы развивать канал мне необходимо также и выполнять проекты, практиковать инженерную деятельность. Питаюсь я тоже не святым духом. Также не хочу превратиться в диванного инженера.

Заметка. На днях, повстречал очень интересного человека, он совершенно точно знал, как именно нужно, и как правильно, грамотно и чётко вывести экономику страны из сложившегося положения и навести наконец-то уже порядок во всех сферах жизнедеятельности человека и гражданина.
На предложение пойти и возглавить правительство он ответил:
- Сейчас некогда, надо таксовать.

Уверен, что мои услуги помогут вам сделать проекты успешными.

Кто я?

Павел А. Самута — инженер-конструктор, предприниматель. Прошел путь от техника до инженера конструктора, от инженера до предпринимателя, консультанта в сфере промышленного инжиниринга и дизайна, понимаю производство изнутри. Образование бакалавр по направлению технологии машиностроения, квалификация инженер-механик, факультет инновационной деятельности, управления и финансов (ИДУиФ) БрГТУ.

Пишу блог об инженерном деле LJ, который аккредитован в Google News, информация из статей входит в учебную программу ряда образовательных учреждений.

Цель блога: повышение статуса и роли инженера в промышленности страны, популяризация инженерного дела среди подростков. Развиваю сообщества в социальных медиа для обмена опытом инженеров общей численностью на данный момент более шестнадцати тысяч.

Индивидуальный предприниматель Самута П. А. предоставляю профессиональные услуги по разработке 2D-чертежей, 3D-моделей, 3D-рендеринга, 3D-визуализации, CAD-моделирования, технического консультирования. Оказываю услуги в различных отраслях промышленности, включая автомобильную, судостроительную, аэрокосмическую, медицинскую, пищевую для государственных предприятий B2G и частного бизнеса B2B.

Напоминание, кто я и чем могу быть полезен

Чем могу быть полезен.

Создаю техническую документацию в соответствии с Единой Системой Конструкторской Документации (ЕСКД) по ГОСТ и международным стандартам ISO, ASME, BS, DIN, JIS, GB на 100 иностранных языках.

Сотрудничество гарантирует серьезный подход и профессиональное качество исполнения работ. На данный момент основное направление деятельности это проектирование, разработка конструкторской документации в машиностроительном производстве, трехмерное промышленное моделирование, рендеринг, расчеты и инженерный анализ.

Предоставляю послепродажное обслуживание (послепродажный сервис): на практике это бесплатное гарантийное восстановление утерянных файлов, при последующей послегарантийной доработке чертежа вы платите только за объем доработки, а не за весь файл, также предоставление совместимости с другими системами стандарта и программными продуктами САПР, перевод чертежа на другой язык.

C 2007 г., за десятилетний период работы на производстве в Беларуси получил опыт в области машиностроения, строительных металлоконструкций, теплоэнергетики, приборостроения и киносъемочного оборудования. Выполнено качественно и в срок более 600 проектов для государственных предприятий B2G и частного бизнеса B2B, качество работ оценено на высоком уровне такими компаниями как ООО “Юджэн” Новополоцк, «Т4Р Company» LTD Minsk, ООО ПНПК Пермь и др.

Так вот я о чем, нам всем нужна помощь и поддержка, и мне в том числе.

Вы знаете я и сам при возможности помогаю детским домам и в том числе людям без определенного места жительства. Касаясь бомжей у меня нет какого то отвращения, мол типа докатились, вот и расхлебывайте.... Действительно никто не знает почему и каким образом они туда пришли на этот путь. Как говориться от бедности не зарекайся, не следует считать себя неуязвимым, надежно защищённым от какого-либо несчастья в жизни.

Да я открыл ИП по инженерным конструкторским услугам, но проекты попадают ко мне через цепочку посредников, для тендера существуют условия которые я в данный момент не прохожу по количеству выручки за три года, и штату не менее 10 человек, и понятное дело большая часть дохода которая могла бы пойти на хорошие дела и моей семьи благосостояние просто напросто не доходит.

Я писал письма и правительство, и в разные госучреждения, крупным предпринимателям страны, пока нет практического результата.

Что меня двигает по жизни, это страсть жить и творить, быть полезным, делать подарки, любимая женщина, родные и близкие друзья. Однако односторонним, в смысле общей культуры и интересов (подобно выражению Козьмы Пруткова «специалист флюсу подобен, он растет в одну сторону»), я никогда не был. Я не есть моя только работа, мне конечно интересны и другие сферы жизни, например спорт🏃, культура🎼.

Я люблю работать на совесть, чтобы мне самому нравились результаты работы. И уже только после этого я показываю работы заказчику, чтобы он сказал своё мнение, и, если нужно, написал, какие правки внести и пожелания. Так же я не люблю стоять на месте и ищу способы, как можно сделать инженерные решения ещё с большим качеством. Провожу эксперименты, сравниваю результаты, и, если улучшается качество, или уменьшается время разработки, то беру приём на вооружение.😎 Это отмечают и мои клиенты в отзывах.

Nota bene

Я вижу, как многие люди связанные с производством пытаются найти своего инженера конструктора, который подходил бы под их параметры. Они смотрят на качество, стоимость, время работ, и пытаются вставить их в своё логарифмическое уравнение.♾ Чтобы найти тот самый Х и Y – идеального инженера конструктора, который будет удовлетворять их во всём 5 из 5 ⭐️⭐️⭐️⭐️⭐️!

Но они забывают малозаметный, но очень важный нюанс – личность инженера конструктора. Он может быть профессионал своего дела, но после работы с ним вы можете быть выжаты как лимон, или быть вне себя от его (подставить нужный вариант), о котором вы ничего до работы с ним и знать не знали.

Не зная личности инженера конструктора, вы не знаете, комфортно ли вам будет с ним работать. Ведь работа занимает значимую часть жизни, и хотелось бы, чтобы эта часть жизни была в радость.

Поэтому если недавно только нашли мой блог, прежде, чем начать работать, я предлагаю вам узнать мою личность. Насколько мы совпадает отношением к жизни, к работе, друзьям, семье нет ли у меня бесящих вас черт личности? И уже, когда я вам понравлюсь (а может нет😄), начинать работать со мной через некоторое время🚀.

Блог – один из способов поиска заинтересованных в инженерном деле людей. Верю в теорию шести рукопожатий, у меня есть просьба, может кто знает прямых крупных заказчиков инженерных конструкторских услуг в области машиностроения, посоветуйте пожалуйста мои услуги. Я был бы рад оказать помощь. Благодарю.

Если вы заинтересованы в таких услугах, пожалуйста, свяжитесь со мной для получения дополнительной информации. #b2b #b2g

Готов сотрудничать со СМИ. Буду рад быть полезным бизнесу.

«Преданность инженерным традициям. Надежность решений. Верность на долгие годы.» 

С благодарностью к моей супруге, родным и близким, друзьям, знакомым, подписчикам, партнерам и клиентам которые верят и поддерживают меня.

Уважаемые подписчики поддержите пост лайком и комментарием даже в виде 🍊 или ☕, я в свою очередь обещаю для вас писать еще много более интересных и практичных статей по инженерному делу.
Контакт для связи: idea@wmid com

Показать полностью 1
10

Почему нужен чертеж и модель для изготовления и расчета цены на деталь или изделие?

Изготовление деталей, устройств, механизмов по чертежам начинается с того, что заказчик посылает свои чертежи на электронную почту компании по металлообработке, откуда они поступают инженеру-технологу.

После прочтения и анализа чертежа, проводится подготовительная работа. Инженер анализирует чертежи будущей детали – есть ли техническая возможность изготовления на оборудовании. В этом этапе выбирается материал, из которого будет изготовлена деталь, применяемые инструменты и оборудование, определяются технологические процессы и последовательность их проведения. Также в этом этапе проводится расчет и подбор параметров для обработки, а также производится проверка проектируемых деталей. Рассчитываются параметры металлической заготовки для изготовления будущей детали. При этом учитываются припуски на механическую обработку детали:

  • Токарная обработка;

  • Фрезерная обработка;

  • Эрозионная обработка;

  • Резка металла (лазерная и гидроабразивная);

  • Закалка металла;

  • Гальваническая обработка (оксидирование, цинкование, химическое пассивирование, серебрение и другие покрытия, если есть требования к такой обработке по чертежам).

Преимущества чертежа и модели в САПР для расчета цены на изделие:

1. Чертеж позволяет производителю правильно оценить время и средства, необходимые для производства изделия.

2. Чертеж позволяет производителю оценить все элементы и расходы, необходимые для производства изделия.

3. Чертеж позволяет производителю оценить качество и стоимость изделия.

4. Чертеж позволяет производителю использовать минимальные затраты на разработку и производство изделия.

5. Чертеж позволяет производителю правильно рассчитать цену на изделие и предоставить клиентам оптимальное предложение.

6. Модель позволяет изготовлять детали с высокой точностью и повторяемостью.

7. Наличие модели позволяет быстро и эффективно изменять параметры изготавливаемых деталей.

8. Модель позволяет изготавливать детали со сложными формами.

9. Использование модели позволяет уменьшить время и затраты на разработку и изготовление деталей.

Первоначальные слагаемые цены на деталь

Слагаемые себестоимости получают первоначальные значения при разработке конструкции детали и построении технологического и производственного процессов её изготовления по чертежу. При разработке маршрутной технологии инженер-технолог при необходимости может заказать специальное технологическое приспособление, если необходимо выполнить какие-то нестандартные операции при изготовлении детали или специальный инструмент. Все действия, выполняемые при этом, нацелены на обеспечение требуемого качества детали с наименьшими затратами на конкретном предприятии, т.е. при минимальной её себестоимости.

Формирование себестоимости изделия зависит от:

  • тип производства (единичное, серийное, массовое), зависит степень комплексной механизации и автоматизации технологических процессов;

  • точности обработки (квалификация привлекаемых для выполнения операций рабочих, контроль точности);

  • стандартизация и унификация конструктивных элементов детали, на нестандартные требуются изготовить / закупить специальные инструменты;

  • вид исходной заготовки и метод ее получения (чем меньше отходов, тем лучше);

  • габаритные размеры изделия определяют габариты обрабатывающего оборудования, что влияет на энергозатраты и амортизацию оборудования.

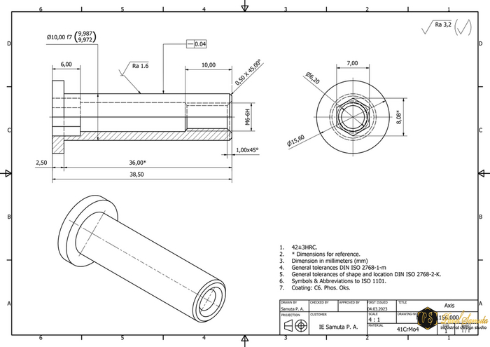
Рабочий чертеж детали должен содержать следующие данные:
1. Изображения (виды, разрезы, сечения, выносные элементы), полностью определяющие форму детали с применением только таких условностей, которые установлены стандартами ЕСКД. Количество изображений должно быть минимальным. Лишние изображения, неоправданное или неправильно выполненное нарушение проекционной связи между изображениями, неполное (а иногда и неправильное) применение условных изображений и обозначений во всех случаях усложняют процесс выполнения и чтения чертежа, ведут к ошибкам.
2. Допустимые отклонения формы и расположения поверхностей по ГОСТ 2.308-79.
3. Допустимые шероховатости поверхностей, ограничивающих деталь по ГОСТ 2789-73, ГОСТ 2.309-73.
4. Размеры всех элементов детали (параметры формы) и их взаимное положение (параметры положения) в соответствии с ГОСТ 2.307-68. Недостаточность размеров или лишние размеры, механическое равномерное разбрасывание размеров по отдельным изображениям, входящим в чертеж, могут вообще сделать чертеж непригодным для производства, а в частности, это приводит к ошибкам и затруднению его чтения.
При нанесении размеров следует иметь в виду, что различают следующие виды поверхностей:
✔ сопрягаемые – поверхности, которые соприкасаясь с поверхностями других деталей, являются охватывающими или охватываемыми, например, поверхности вала и ступицы. К таким поверхностям предъявляются повышенные требования в отношении точности изготовления и шероховатости. Соприкасающиеся поверхности в этом случае имеют одинаковый номинальный размер;
✔ привалочные – поверхности, которые соприкасаются с поверхностями других деталей, но не являются охватывающими или охватываемыми, например, торцевые поверхности. Требования к ним менее жесткие;
✔ свободные – поверхности, не соприкасающиеся с поверхностями других деталей.
5. Поскольку действительные размеры детали могут отличаться от номинальных, на чертеже указываются допустимые пределы отклонений формы и размеров детали – допуски, в соответствии с ГОСТ 2.307-68, ГОСТ 25346-82 (Единая система допусков и посадок) и ГОСТ 7713-62 (Допуски и посадки. Основные определения).
6. Материал, из которого должна быть изготовлена данная деталь.
7. Сведения о декоративных и защитных покрытиях ГОСТ 2.310-68.
8. Место и способ клеймения и маркирования ГОСТ 2.314-68.
Перечисленные требования показывают, что весь процесс создания чертежа детали является сложным творческим процессом, требующим знания ряда технических и специальных дисциплин.

Данные, относящиеся к процессу изготовления детали, которые неудобно или невозможно показать на чертеже графически и при помощи условных обозначений, приводят в текстовой части чертежа. Текст и надписи должны быть простыми и точными. В текстовой части не допускается помещать технологические указания, за исключением случаев, когда такие указания необходимы для обеспечения качества детали, например «развальцевать», «обработать совместно с деталью…» и т.д.

Текст технических требований размещают над основной надписью без заголовка, со сквозной нумерацией пунктов в следующем порядке:

1. Технические требования к материалу детали, заготовке и термической обработке;

2. Требования к качеству поверхностей детали, покрытию, отделке, покраске и др.

3. Ссылки на дополнительную документацию с техническими требованиями и характеристиками, которых нет в основном описании.

Наименование детали должно соответствовать принятой в машиностроении терминологии и записано в именительном падеже единственного числа. Если наименование состоит из двух или более слов, на первое место ставится имя существительное, например, «Бобышка левая».

Конструкторскую документацию изготавливают инженеры-конструкторы. Они проектируют различные составляющие и компоненты машины, а также разрабатывают и составляют документацию и инструкции для их использования.

Показать полностью 3
Отличная работа, все прочитано!