Велосипедный фонарь с динамическими поворотами. Зачем покупать на AliExpress, если можно сделать самому?1
Несмотря на то, что наступила зима, я обратил внимание, что многие продолжают ездить на велосипедах. Темнеет раньше, а катафоты не самое лучшее средство сделать своего железного коня заметным на велосипедной дорожке. Так что самое время расчехлить паяльник, и сделать этот мир ярче собрать для себя велосипедный фонарь.
Устройство имеет динамические указатели правого и левого поворотов и габариты с эффектом «бегущих огней». Габаритный огонь загорается красным цветом от центра к краям. Повороты зажигаются жёлтым цветом от одного края к противоположенному.
Схема не содержит микроконтроллеров и выполнен только на жесткой логике. Работает сразу после сборки, не требует никакой настройки или прошивки, собирается за один вечер.
Если ты тоже не готов ждать посылки с AliExpress, добро пожаловать под кат. Будет только жесткая логика и немного аналоговой магии.
Первая запись в моем блоге на Хабр была посвящена простой схеме динамического указателя поворотов без микроконтроллера. И вот, через некоторое время после публикации, я получил очередную схемотехническую головоломку от моего друга ssg1712: разработать схему велосипедного фонаря без микроконтроллера, который реально можно было бы повесить под сиденье и ездить с ним.
«Вызов» был дополнен достаточно жесткими условиями. Устройство должно быть выполнено на основе восьми RGB-светодиодов типа 5050, и с их помощью отображать динамические эффекты для указания правого и левого поворотов, а также габаритного огня. Важным условием было обеспечить возможность изготовления схемы на односторонней печатной плате, а светодиоды должны быть размещены по центру платы.
Прошлая схема поворотника была реализована на основе сдвигового регистра. Она выполняла функцию указателя поворотов только в одну сторону. А сейчас необходимо на одной и той же полоске светодиодов показывать динамические повороты в обе стороны. Делать это на сдвиговых регистрах и диодной матрице даже для меня показалось извращением. Но какая-то изюминка в схеме должна была быть обязательно. Не буду долго вас томить. Результат работы показан на видео. Посмотрите его, и, прежде чем смотреть мой вариант схемы, напишите в комментариях, как бы вы реализовали такую функциональность без применения микроконтроллеров.
❯ Описание работы устройства
Сразу при подаче питания включается режим габаритного огня. Индикация осуществляется с помощью светодиодов красного цвета. Интервалы переключения светодиодов имеют равные значения, общая частота повторения составляет примерно 1Гц.
Сигналы поворотов включаются замыканием с общим проводом контактов “Button_Left” – для левого и “Button_Right” – для правого. Индикация осуществляется одновременным включением светодиодов красного и зеленого цветов. Интервалы переключения светодиодов также имеют равные значения, общая частота повторения составляет примерно 1Гц.
Одновременное замыкание на общий провод контактов “Button_Left” и “Button_Right” является недопустимой комбинацией и ограничивается механически за счет конструкции «под рулевых» переключателей велосипеда.
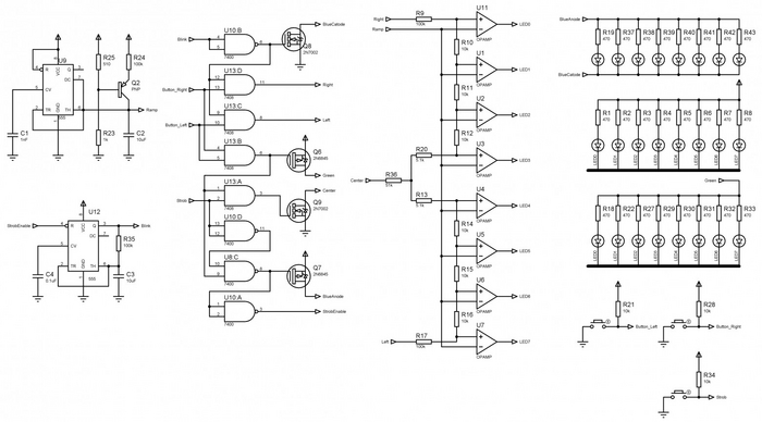
Чтобы синие кристаллы RGB-светодиодов не болтались без дела Сергей ssg1712 предложил добавить в схему аварийный сигнал. Предложил он это уже после того, как первый вариант электрической схемы был готов. Аргумент про синие кристаллы показался железобетонным. Деваться некуда, схему пришлось переработать.
Аварийный режим будет включаться при замыкании контакта “Button_Strobe” с общим проводом схемы. Индикация должна осуществляется попеременно с помощью светодиодов красного и синего цветов. Интервалы переключения также должны составлять примерно 1Гц.
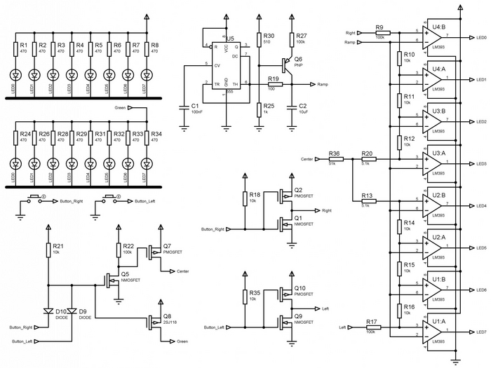
Основой схемы является блок компараторов, которые управляют линейкой из 8-ми светодиодов. Компаратор сравнивает линейно нарастающее напряжение от ГЛИН (генератор линейно нарастающего напряжения) с опорным напряжением от ИОН (источник опорного напряжения). ИОН формирует 8 порогов срабатывания для управления каждым отдельным светодиодом. В зависимости от того, как логика управления коммутирует ИОН, формируется сценарий управления светодиодами.
Структурная схема велофонаря
ИОН представляет собой делитель напряжения, выполненный на резисторах. Между резисторами имеются отводы напряжения на инвертирующие входы компараторов. Также делитель напряжения имеет три специальных линии: “Up”, “Center”, “Dwn”. В зависимости от того, как подключены эти линии к цепям питания, опорные напряжения на входах компараторов могут изменяться.
Логика управления может коммутировать ИОН следующими способами:
1. Линия “Center” отключена от цепей питания, “Up” – подключена к плюсу, “Dwn” – к общему проводу. При такой коммутации напряжение на выходах делителя возрастает от нижнего отвода “Dwn" к верхнему “Up”. Это соответствует переключению светодиодов в режиме левого поворота.
2. Линия “Center” отключена от цепей питания, “Up” – подключена к общему проводу, “Dwn” – к плюсу питания. При этом напряжение на выходах делителя будет распределено наоборот: на нижнем отводе “Dwn” максимальное напряжение, на верхнем “Up” – минимальное, напряжение будет убывать от нижнего отвода к верхнему. Это соответствует переключению светодиодов в режиме правого поворота.
3. Для реализации управления светодиодами в режиме габаритов линия “Center” подключает середину делителя к плюсу питания, а линии “Up” и “Dwn” одновременно к общему проводу. Таким образом делитель разделяется на две половины, и опорное напряжение будет уменьшаться от центра к верхнему и нижнему отводам делителя.
4. При аварийной сигнализации линия “Center” также не подключена. А сигналы “Up” и “Dwn” одновременно подключаются к плюсу питания или к общему проводу. Если подключение выполнено к плюсу, то плюс питания появляется сразу на всех отводах делителя, при этом выходы всех компараторов будут одновременно открыты. Если же “Up” и “Dwn” подключить к общему проводу, то выходы всех компараторов одновременно закроются.
Первый вариант схемы получился даже проще, чем я мог себе представить. Я несколько раз перепроверял схему в симуляторе и анализировал ее эмпирически. По моим прикидкам все должно работать. Но в макетирование эта схема не пошла.
Для удобства подключения на велосипеде, кнопки правого и левого поворота замыкаются на землю. На диодах D9D10 и резисторе R21 реализована схема ИЛИ. Транзистор Q5 инвертирует сигнал кнопок для управления транзистором Q7. Транзистор Q7 закрывается при замыкании любой из кнопок и отключает средний отвод «Center» от плюса питания. При этом один из полумостов: Q1Q2 или Q9Q10 — подтягивает свою сторону делителя напряжения к плюсу питания. Вторая сторона остается стянута на землю.
Пилообразные импульсы генерирует таймер NE555. Транзистор Q6 обеспечивает линейный заряд конденсатора С2. Заряд конденсатора С2 производится до уровня 2/3 от напряжения питания. После чего таймер переключается, и конденсатор разряжается через резистор R19. Резистор ограничивает разрядный ток конденсатора. Это также позволяет таймеру успеть сработать, когда С2 разрядится до 1/3 от напряжения питания. Таким образом пилообразный импульс имеет диапазон от 1/3 до 2/3 питания и имеет нарастающую форму.
Резисторы R9, R17 и R36 имеют большее сопротивление, чем остальные элементы опорного делителя напряжения. Это необходимо, чтобы напряжения делителя находились в том же диапазоне, что и пилообразные импульсы.
Полная схема отличается от предыдущей тем, что имеет немного более сложную логику управления светодиодами. Я решил не морочить голову, и сделать ее на логических микросхемах серии CD4000. В сравнении с 74НС00 серией, CD4000 имеет расширенный диапазон напряжения питания. И схема работает уже от 2,7В до 9В.
Для аварийного режима в схему добавлен еще один генератор на NE555. Его импульсы определяют время включения красной и синей вспышек. Остальная часть схемы работает аналогично предыдущей. Список компонентов и печатную плату вы можете найти на сайте у Сергея.
Я еще раз перепроверил все с помощью моделирования в Proteus 8.6. Схема получилась слишком простая, и, наверное, поэтому я до последнего сомневался, что она заработает в «железе». Сергей@ssg1712 оперативно собрал макет, все с первой попытки заработал как надо.
В зеленке плата получилась просто «булочкой»! Понадобилось всего 6 простых микросхем и горстка «рассыпухи», и вот, еще одна головоломка решена.
Пишите в комментариях: стали бы вы так заморачиваться, или выбрали бы микроконтроллер?!


















































