Итак
Здравствуйте всем, снова.
Давненько, уже лет 5-6, не писал посты. Всё не мог собраться со временем, мыслями, успел развестись, жениться, вырасти от управляющего СЦ до Технического директора и даже уже владельца СЦ.
Но, что примечательно, всё это время запросы и вопросы с Пикабу так и прилетают в телеграмм)) И от клиентов, многие из которых стали постоянными, и от коллег из разных городов и даже стран, что очень приятно, и я всегда готов поделиться опытом и помочь.
Итак, любимый мой тег был "кудрявые руки". Обучался я всему сам с нуля, и прекрасно понимаю начинающих коллег, которым не хватает информации в открытом доступе. Точнее так, я всегда говорю что информация есть, просто её трудно найти и структурировать. И я сам прекрасно помню, когда обращался на форумы и в чате за подсказкой или разъяснением, частенько тебя посылали "учить матчасть", призывали отдать на ремонт более пряморуким и понимающему и т.д. Было обидно, что вроде ты сюда за этим и пришёл. чтобы подтянуть матчасть, а тебя футболят. Так вот, ребята. Я открываю серию постов с основами по ремонту ноутбуков. Надеюсь, что Вам это поможет.
АХТУНГ! ВАЖНО! ДИСКЛЕЙМЕР!
Не нужно воспринимать это как курс по ремонту ноутбуков. Не нужно рассчитывать на то, что описанные методы, технологии и т.д. это последняя истина. Я расскажу Вам всё, что знаю сам, простым языком, но с углублением в детали, которые смогут Вам помочь понять как всё работает, хотя бы частично, и это должно Вам помочь в этом нелёгком деле. Так же, надеюсь, что обычным читателям тоже будет интересно и они смогут подчерпнуть для себя что-то значимое, да и вообще прокачать себя, чтобы их не обманывали в СЦ.
Посты, в большей степени, будут писаться для структуризации информации в моей голове. Но, если Вы меня поддержите, буду благодарен, что вся эта писанина не будет зря.
И, навряд ли я смогу отвечать всем тут в комментариях, уж простите, большая занятость, но я постараюсь. Да и в телеграмме тоже, многие заметили что я отвечаю очень долго иногда. Просто банальное отсутствие времени всем отвечать на вопросы по ремонтам, так что, надеюсь, после этой серии постов вопросов у Вас будет меньше.
Что ж, надеюсь всё прояснили, пора начинать.
Всего будет 5-6 больших разделов.
1) Входная цепь
2) Вторичные напряжения
3) Инициализация платы
4) Другие различные узлы
5) Работа с софтом (BIOS\UEFI\DMI\IntelME ит.д.)
6) Что-нибудь ещё, типа пайки BGA и прочие приколюхи
Не обязательно они будут выходить в таком порядке. Тут уже как получится.
Начинаем самый первый, самый лёгкий и самый важный этап - входная цепь.
В одном из постов я уже касался этой темы, но сегодня попробую капнуть ещё глубже.
Итак, мы берём ноутбук, подключаем его к блоку питания, а ничего не происходит. У нас нет ни дежурных напряжений, ни основного 19-20V, там либо 0, либо 2-3V. Что ж, давайте разбираться.
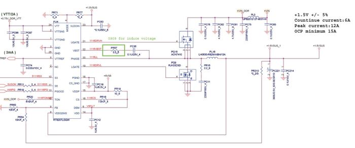
Разбираться будем на примере платы NB-B031с очень популярным чарджером (ШИМ-контроллером заряда акб) BQ24780S. Даташит на него есть в свободном доступе.
Итак, что мы видим из типовой схемы. На данный момент нас не интересует всё, что относится к заряду акб, только к основному питанию 19-20V.
Из схемы мы видим, что напряжение от разъёма питания поступает на сам чарджер через сдвоенный диод PD201 , потом через резистор PR209, так же там рядом стоят конденсатор PC213 и попадает на контакт 28 VCC. Это основное питание ШИМ-контроллера.
Так же напряжение попадает на 6 контакт ACDET через резистивный делитель (о нём чуть ниже).
И на сток первого входного ключа PQ201. Всё, дальше само по себе основное напряжение от разъёма блока питания дальше не идёт. Дальше оно пойдёт только через открывающиеся транзисторы.
То есть, если у нас нет 19-20V на плате, мы проверяем напряжение и сопротивление на линиях от блока питания до первого транзистора, до 28 точки чарджера (в данном случае) VCC. И, самое важное, сопротивление токового датчика PR201 относительно общей земли. Если у вас там будет короткое замыкание, то , естественно, никакого напряжения там не может быть, чарджер просто будет уходить в защиту и не открывать ключи.
В основном, нет 19V если есть короткое замыкание ПОСЛЕ входных ключей, то есть на линии токового датчика и основной линии +V. Но, если сопротивление там в порядке, проверяем исправность двух входных транзисторов, проверяем что напряжение от блока питания приходит на VCC чарджера. Если его нет, проверяем исправность сдвоенного диода PD201, исправность резистора PR209 и конденсатора PC213.
Итак, допустим, что мы проверили, что у нас нет короткого замыкания, 19-20V приходит на VCC, транзисторы исправны, но они так и закрыты и нет, как следствие, питания платы.
Что ж, что нам нужно для открытия транзистора N-канального? Правильно, чтобы на затвор пришло бОльшее напряжение, чем на сток. Откуда нам взять и где его замерить?
Итак, для открытия нам нужно в районе 25V. Тут мы проверяем ещё один важный вывод микросхемы - REGN. Это вывод 6В из линейного регулятора внутри микросхемы, так же это опорное напряжение для работы внутренних элементов, компараторов, логики и тд внутри ШИМ.
Чаще всего, это напряжение больше нигде не используется.
Измеряем в этой точке, есть ли 6V. Если их нет, если тут заниженное сопротивление, заниженное напряжение, то проверяем конденсатор PC214, если с ним всё ок, то неисправен либо один из компараторов внутри микросхемы, либо сам линейный регулятор внутри микросхемы. ШИМ-контроллер под замену.
Если 6V есть, то проверяем линию, по которой приходят 25V на открытие входных транзисторов. Это выходной сигнал ACDRV. Проверяем что там есть 25V. Если нет, проверяем просто по цепочке резисторы и конденсаторы в этой цепи.
Что делаем, если есть питание 19V, есть REGN 6V, в цепи ACDRV всё ок, но всё равно нет напряжения для открытия ключей? Тут нужно проверить два условия, сигналы ACDET и ACOK.
Очень взаимосвязанные между собой выводы. Давайте посмотрим что нам скажет даташит по поводу этих выводов.
ACDET фиксирует подключение адаптера питания. Напряжение на нём обычно в диапазоне 2.4-2.6V. Формируется оно за счёт резистивного делителя R1 и R2.
Если взять обычный калькулятор резистивных делителей, можно посмотреть что при входном напряжении 19V и R1=866kOm и R2=133kOm, получаем 2.52V
Это, например, помогает понять какими должны быть резисторы, или один из резисторов в этой цепи, если неизвестны их номиналы, их нет (сбит, сгнил от залития и тд) и нет схемы на ноут.
Теперь вернёмся к даташиту и посмотрим на компараторы, которые используются там.
Компаратор - устройство, которое сравнивает два аналоговых сигнала, или просто в данном случае два напряжения. Компаратор принимает на свои входы два аналоговых сигнала и выдает сигнал высокого уровня, если сигнал на неинвертирующем входе («+») больше, чем на инвертирующем (инверсном) входе («−»), и сигнал низкого уровня, если сигнал на неинвертирующем входе меньше, чем на инверсном входе.
Первый компаратор (1) сравнивает входное напряжение микросхемы с напряжением 3.2V. Если простыми словами, то 19V подключены к "-" компаратора, и так как оно больше чем 3.2V, то выдаваться будет низкий логический уровень, то есть логический "0". А если напряжение на "-" будет меньше, чем 3.2V, то компаратор будет выдавать логическую "1". То есть, у какого вывода "+" или "-" больше напряжение, тот и победил, и если больше у "-", то будет 0, если у "+", то будет 1. Вроде понятно объяснил)))
И, после этого, этот логический "0" попадает на инвертирующий вход логического элемента (5) (инверсия показана маленьким кругляшком на входе элемента). То есть, на входе к элементу (5), это уже будет логической "1". Сам же элемент (5) представляет собой логический элемент конъюнкции (логическое умножение). На выходе этого элемента будет логический "1", только если все входы у него тоже будут логическими "1". В ином случае, если будет входить хотя бы один "0", то будет на выходе "0".
Второй компаратор (2) сравнивает сигнал ACDET с 0.6V. Соответственно, как мы уже выяснили, ACDET должен быть больше 0.6V. И, так как он подключен к "+" компаратора, элемент выдаёт логическую "1" и после этого попадает на элемент (5) в виде сигнала WAKEUP. Уже не инверсный, обычный вход, то есть так и остаётся логической "1" для этого элемента. И, элемент (5), получив две логические "1" на обоих входах, поднимает логическую "1" в виде сигнала EN_REGN.
Третий компаратор (3) сравнивает VCC (19V) с напряжением 26V. VCC ниже этого уровня, поэтому выдаётся логический "0", но он идёт на элемент (6) на инверсный вход, то есть получается логическая "1" на входе элемента (6).
Четвёртый компаратор (4) сравнивает сигнал ACDET и 2.4V. ACDET должен быть выше, поэтому выдаётся логическая "1", которая так же идёт на логический элемент (6). И, после этого, элемент (6) формирует логическую "1" в виде сигнала ACGOOD.
Далее, все эти сигналы (EN_REGN и ACGOOD) идут на логический элемент (7). Но, мы же там видим ещё один сигнал VCC_SRN. Он тоже идёт от ещё одного компаратора, который сравнивает напряжение VCC с SRN+275mV. К сигналу SRN мы вернёмся чуть позже, когда будем говорить про зарядку аккумулятора, пока нам достаточно знать что VCC будет выше, чем сигнал SRN +275mV к нему.
Таким образом, логический элемент (7) получает три логических "1" и через линию задержки (10) попадает на инвертирующий элемент (8), после чего попадает на транзистор (9). И именно этот транзистор управляет таким важным сигналом как ACOK, который говорит следующим микросхемам о том, что с питанием всё у нас хорошо.
Вывод ACOK всегда подтянут через резистор к какому-либо напряжению, обычно это 3.3V. И, зная это, получаем такую картину: сигнал, который в конце концов выходит из логического элемента (8), управляет транзистором (9).
То есть, если на входе элемента (8) будет логическая "1", на выходе будет логический "0" и транзистор будет закрыт, тем самым на АСОК будет 3V. А если на входе элемента (8) будет логический "0", на выходе из него будет логическая "1", которая будет попадать на транзистор (9), тем самым открывая его и подтягивая сигнал ACOK к земле, то есть там будет 0V.
Вот, вся эта система из логических элементов есть ни что иное, как функция защиты от неправильной подачи питания на материнскую плату. Если хотя бы одно условие для нормальной работы не будет соблюдено, чарджер просто не выдаст правильный сигнал ACOK и дальше дело по запуску платы не пойдёт.
Немного подытожим.
Если нет на плате основного питания 19(20)V, мы проверяем:
1) Нет ли короткого замыкания на этой линии.
2) Приходит ли напряжение от блока питания на вывод VCC чарджера
3) Исправность входных транзисторов
4) Формирование ACDET
5) Формирование ACOK
6) Формирование REGN
7) Формирование ACDRV
В принципе, это основа для формирования основного питания материнской платы чарджером.
Пока остановимся на этом, в следующем посте будем дальше разбирать работу чарджера, ту, что касается уже заряда аккумуляторной батареи ноутбука.
В идеале, хочется собрать набор таких статей и сделать какой-нибудь сайт с этой информацией, с нормальным поиском, чтобы у начинающих, и не только, всегда под рукой было к чему обратиться, что-то подчерпнуть для себя и вообще спокойно изучать материал по ремонту.
Надеюсь, информация была полезной, найдёт своего читателя и я не зря старался.
А с Вами были кудрявые руки, всем удачи.

































































































