Сообщество - Сообщество Ремонтёров - Помощь

Сообщество Ремонтёров - Помощь

11 289 постов 14 657 подписчиков

Популярные теги в сообществе:

5

Epson l350 белые полосы после китайской головки

Здравствуйте дорогие Пикабушники.

столкнулся с белыми листами на epson l350, после замены на китайскую головку.

ни чего нерабочего не было обнаружено кроме следов пайки предыдущего мастера, а точнее форматер ( шифратор ) транзисторы и пред , но все целое.

Интересно что писк вч есть, при печати и прочистки головки.

прокачку чернил делал, шлейф звонил, шифратор поменял, снял китайскою бошку и поставил родную , то же 0 эффекта, что еще глянуть?

Даже намёка краски на листе нет .

10

Ищу ремонтёра

В Санкт-Петербурге!
Надёжного, как швейцарские часы!
Продвинутого, как сам дьявол!
Терпеливого, как Господь Бог!

Тематика: усилители советского производства, музыкальные центры производства стран восходящего солнца и по мелочи!
Желаемые (но не обязательные) опции: выезд на дом, пиво, посидеть/потрещать, то сё, 5е-10е.
Порядок и комендантский час - гарантирую!
Денех: есть!

P.S.: В то, что нагугливается - я более ни ногой, ни траком!

Ищу ремонтёра
5

Помощь с игровым ноутбуком ASUS TUF Gaming A15 FX506IC-HN020W

Есть игровой ноутбук ASUS TUF Gaming A15 FX506IC-HN020W, пользуюсь год, проблем не было.

Но последнее время стал просто "отваливаться" Wi-Fi просто как будто его нет, не отображается в диспетчере устройств. После перезагрузки работает как обычно. Выпадает рандомно во время сёрфа в Хроме. Во время игр в КС или ПИГБ не отваливается вовсе, хоть 3 часа подряд играй, но когда смотришь Ютуб например может отвалиться как через 15 минут, так и через 40. Рекомендации с переустановкой драйверов делал. Может кто сталкивался с такой проблемой?

5

Сервисмен в СПБ

Всем привет!
Ищу проверенного, грамотного сервисмена в СПб, который не будет в тупую разводить на деньги и дружит с паяльником, а не занимается в тупую только модульным ремонтом. Хотелось бы оценить актуальность ремонта, выкинуть рука не поднимается.
Есть 2 гаджета, требующих диагностики и ремонта.
Планшет гнусмус sm-t325. Был в пользовании у моей матушки. Симптомы перед поломкой, плохо заряжался, не всегда нормально подхватывал з/у. Я грешил на разъём на планшете и на зарядках, в какой-то момент сел и больше не включился и отказался заряжаться. Купил разъём на Алике,

заменил, но планшет заряжаться категорически отказался. Подумал, что аккум ушёл в глубокий разряд и с учётом его возраста тоже решил заменить на такой, купленный на озоне.

Результат тот же.
Второй гаджет - часы huawei watch 2 sport 4g. С ними вообще не ясно. Купил себе новые часы, эти хотел ребёнку отдать, но в связи с политикой гугл не смог привязать их к телефону с детским аккаунтом (можно только начиная с 13 лет) . Решил подождать пол года до наступления соответствующего возраста, зарядил их, выключил и положил в ящик стола. Через пару месяцев вспомнил, что не выдернул симку, залез, извлёк симку поставил на зарядку, по окончании выключил их и убрал обратно. Примерно через месяц решил ещё потанцевать с бубном в направлении привязки устройства к телефону ребёнка, взял часы, а они не включаются от слова совсем.
При попытке зарядить ток около 0.4 А. При замере напруги на аккуме после отключения питания создаётся впечатление, что происходит довольно быстрый разряд (видимо на плате что-то активно жрёт, может пробой где-то).

Показать полностью 2
5

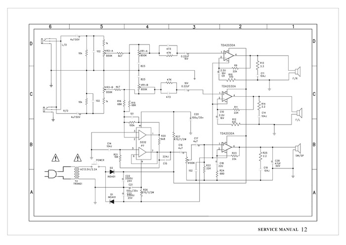
Нужны советы. Компьютерная акустика 2.1 sven 820 один канал играет тише другого

Доброго всем вечера, достался от родственичка Компьютерная акустика 2.1 sven 820. Если правильно помню в использовании больше 10 лет. Один канал (правый) играет тише левого на 70% .

На фото видно какой то подозрительный потек под большими конденсаторными. TDA2030A при визуальном осмотре вроде бы как целые.
Проблема 999% не в тюльпане, или колонках, менял тюльпаны, менял местами колонки.

Есть мультметр, паяльная станция. Мои познании в электронике на уровне перепаять конденсатор не перепутав полярность.

p.s. Честно говоря я думаю что потратил много времени на эту акустику, принимая во внимание что к ремонту я до сих пор не приступал. Такая новая акустика сейчас стоит 4000 p.

Я не могу прикинуть примерную цену на этот ремонт, а так же недавно переехал и у меня нет проверенных сервисных центров в которых бы я был уверен, и где меня не ободрали бы за эту по сути бюджетную акустику. Живу в МО Красногорск.

Жду советов что можно поробывать, куда можно здать в ремонт. Или просто выкинуть. :3

Модераторам: что то не получилось закинуть фото под спойлер, если ни чего не нарушаю ну да и ладно.

Если подключить на минус правый и плюс левый Колонка играет нормально, значит правый минус не причем.

Фото плат у других людей

Схема

Показать полностью 9
9

Acer Aspire E5-571G (Z5WAH LA-B162P) не включается

В общем ситуация такова . Был пробит проц по питанию хаба .

Замена проца не помогла , при включении загорается синий светодиод и сразу тухнет .

Дежурка есть , сопротивления в норме .

Проц заведомо исправный с Partdirect , пробовал подкидывать и простенький Intel Celeron Dual-Core 2955U

Из странностей . Нет питания USB 5В на обычных USB 2.0 и на USB 3.0 . кз нет на дата линиях , сопративления в норме .

На перемычке PJ601 0.20 . Шим менял , результата не дало .

При зарядке постоянно прыгает 0.180W - 0.190W , выше не поднимается

13

Не определяется видеокарта Gigabyte GTX 1080 Ti Gaming OC 11G

Доброго времени суток! Решил сделать себе подарок на Новый год, купил себе видеокарту через авито доставку. Продавец оказался пи.. очень нехорошим человеком и приехавшая видеокарта внешне выглядящая без повреждений, не определяется ни в одном из доступных компов. (пробовал на матерях с разными версиями pci-e, даже через райзер подключал). Подсветка работает, вентиляторы крутятся. Вопрос - насколько велик шанс что это неисправный чип, и если да сколько стоит сейчас его замена? Видеокарта GV-N108TGAMING OC-11G.
Ссылка на эту модель на сайте Gygabyte: https://www.gigabyte.com/ru/Graphics-Card/GV-N108TGAMING-OC-11GD

16

Отключился отопительный котёл, как включить, если ты его увидел первый раз в жизни день назад?1

Добрый вечер, всём, котёл отключился и не желает работать, раньше никогда не пользовался ими.

Вот такие мигают экраны, что можно с этим поделать? Кроме предложенния отмыть котёл , заехал в квартиру пару дней, брызки наследство предыдущих жильцов, уберу позже.

Показать полностью 5
Отличная работа, все прочитано!