tecnocat
поставил
311528 плюсов и 49 минусов
850
рейтинг
12 подписчиков
118 подписок
5 постов
1 в горячем
Награды:
Бисерное мое
Баловался когда то бисером, на память остались лишь фото:
Бисерная резинка для волос
Цепочка с кулоном
Браслет металлюги 😏
Ещё браслет
И ещё браслет
Начало цепочки под кулон
А дальше совсем древние фото на нокию с 1мегапиксельной камерой снятые лет 10 назад, сорри за зверское мыло:
Перстень
Серьги "осминожки" к перстню
Все плелось без схем, по наитию.
Показать полностью
8
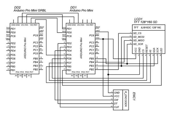
Автономный контроллер для GRBL
Надоело таскать ноутбук к настольному фрезеру для работы и решил собрать автономный контроллер на базе Arduino Pro Mini для отправки данных с флешки на другую Arduino с GRBL прошивкой.
Управление сделал через энкодер, экран цветной 128*160 точек TFT_ILI9163C с кардридером для SD карт.
Слева на право: Arduino Pro Mini с моей прошивкой, Arduino Pro Mini с прошивкой GRBL, Энкодер, экран с SD картой.
И немного фото:
Выпилено под управлением :)
Видео пока не могу - тут пример выполнения программы:
https://www.youtube.com/watch?v=T3A3izTTTrg
Схема соединений:
Ссылка на проект: http://www.cnc-club.ru/forum/download/file.php?id=76028
Показать полностью
12
Лазером по бумаге
по мотивам http://pikabu.ru/story/_3683721






















